› Communauté › Chauffage et climatisation › Bouilleurs, Chaudières bois, Solaire, Pompes a chaleur › schéma SSC + chaudiére buche
- Ce sujet contient 22 réponses, 4 participants et a été mis à jour pour la dernière fois par
X-Niel, le il y a 8 années et 10 mois.
- AuteurMessages
bonjour,
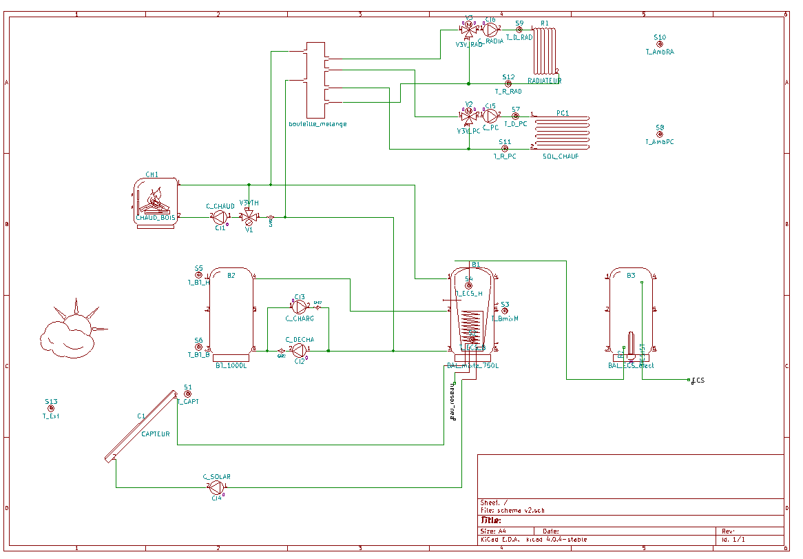
je dois finaliser mon installation de chauffage central, il me reste à faire la partie chaufferie.
je vous soumets le schéma hydro que je compte mettre en oeuvre chez moi:merci de me donner votre avis….

Édit: je n’ai pas représenté les vases d’expansion et les vannes d’isolement.
Bonjour.
Il y a deux, trois choses a corriger.
Le départ vers les circuits radiateur et sol chauffant.Ce départ est piqué sur la sortie de chaudière, il faudrait aussi pouvoir alimenter ces circuits depuis le ballon tampon au cas la chaudière serait éteinte et le ballon chargé.
La sortie de chaudière et le préparateur d’eau chaude.
Le préparateur – Tel que je vois le dessin j’en conclue que votre préparateur d’eau chaude, contiens un échangeur par bain-marie…. je vous donne mon avis en conséquence de ce détail.
La sortie de chaudière – Cette sortie passe systématiquement dans préparateur d’eau chaude, il faudrait pouvoir la détourner directement vers le ballon tampon au cas ou la température de l’eau chaude serait atteinte.
Je préconise un by-pass pour ne pas être obligé de passer la sortie d’eau chaude par le ballon électrique.
Le solaire
Je pense qu’il faudrait pouvoir réchauffer aussi le ballon tampon avec le solaire, en mi-saison le solaire pourrait peut être apporter quelques calories au sol chauffant. A vous de voir selon votre emplacement et la dimension des panneaux solaires.
Voila déjà une première approche
bonsoir Niel,
merci pour ta réponse.
1. le piquage départ/retour chauffage est sur la jonction chaudière/balon Mixte, je pensai (peut-être à tort) que si le circulateur de la chaudière ne fonctionne pas (chaudière à l’arrêt ) le flux ferais que les circuits radiateur prendrai les calories du ballon mixte.
si ce n’est pas le cas, il me reste des piquages sur le préparateur pour alimenter la bouteille de mélange directement (ça va juste rallonger un peu le circuit).2. le préparateur est de type Tank-in-tank.
3. pour le fonctionnement, lorsque le préparateur atteint 65° sur la sonde du milieu (T_BmixM) le haut du préparateur est envoyé dans le haut du BT. Inversement, lorsque que T_BmixM passe sous 65° et que le BT est chargé, le haut du BT est envoyé en haut du préparateur solaire. Cette config permet d’avoir toujours une T°mini en bas du préparateur solaire pour optimiser le rendement de l’échangeur solaire. voir la doc jointe du Termomat1
Attachments:
bonjour,
quelques précisions:
– le ballon électrique en série sert uniquement à relever la T° de l’ECS à plus de 60° si le solaire ne suffit pas et que la chaudière n’est pas en route.
-la surface de panneau est de 12m², donc le SSC devrai couvrir une partie des besoins de chauffage au moins en mi-saison.
-la chaudière bois fait 23kw et est à combustion inversée (ventilateur sur l’extraction des fumées).
-la surface à chauffée est de 130m²
-la surface du plancher chauffant basse température est de 55m² (470ml de multicouche de 16×2 en 7 boucles de moins de 100ml)
-sur la boucle radiateur, il y a 5 radiateurs fonte (ancien) fonctionnant uniquement à des t° > 55°pour revenir sur le piquage en sortie de chaudière, j’ai vu beaucoup de schéma hydro de constructeur de chaudière qui font comme ça pour donner la priorité au chauffage sur le stockage…
j’ai modifié mon schéma en fonction de vos remarques:
c’est mieux?

bonjour
les pompes des circuits chauffage secondaires, radiateurs et pc ne peuvent pas aspirer les calories du préparateur elles vont boucler au niveau de la bouteille de mélange, il faut une pompe entre le préparateur et la bouteille.
dans ce schéma le panneau solaire na va pas servir souvent en hiver, le préparateur sera toujours à une température assez haute pour les radiateurs, donc le solaire s’enclenchera qu’au dessus de cette température et s’arrêtera quand le préparateur sera à 90°c, le delta est faible.
je rejoins Niel, je ferait une liaison chaudière vers tampon et tous le reste par et vient du tampon,ça fait surement des pompes en plus, à voir sur un nouveau schéma ( on voit toujours mieux avec un schéma)
nota: prévoir mitigeur eau chaude en sortie du préparateur
bonjour,
je ne souhaite pas relier la chaudière directement au ballon tampon car il faudra chauffer une grande quantité d’eau avant d’avoir des calories dispo pour le chauffage…
un nouveau schéma où j’ai supprimé la bouteille de mélange et la représentation du ballon mixte (les piquages sont positionnés exactement comme ça sur mon ballon)

Bonjour.
Non il ne faut pas faire ça parce que sinon vous allez refroidir le ballon d’eau chaude.
Admettons: votre ballon préparateur est a 60°C le circulateur de chauffage, ou du ballon tampon se mettent en route, il vont prendre toutes les calories de votre eau chaude pour les envoyer au chauffage.
La préparateur d’eau chaude doit fonctionner de la façon suivante, s’il est froid il demande de la production, donc toute source de production doit aller au préparateur, une fois qu’il atteint 60 ou 65°C, on considérè que l’eau sanitaire est chaude, et on coupe le circulateur ainsi que toute circulation dans ce ballon avec une électrovanne ou vanne de zone.
Votre sol chauffant devais aussi etre piqué sur une source d’eau chaude a température stable, sinon il va mal fonctionner, il risquera d’envoyer de l’eau froide dans les serpentins, a moins de poser une condition a son fonctionnement, son circulateur ne fonctionne que si l’eau est a bonne température, autrement le système étant froid il risque de vos rafraichir au lieu de vous chauffer.
Je vous conseille je raccorder la sortie du bouilleur sur la partie haute du ballon tampon et tout les départs soit en partie haute du ballon soit directement sur la sortie de chaudière.
Regardez le schéma d’un autre utilisateur.


Comme vous pouvez le voir chaque demande (radiateur ou eau chaude) viens puiser ses calories dans le BT, l’accumulation dans le BT n’a lieu que lorsque la production du bouilleur est supérieure a la demande, seulement dans ce cas, autrement la production chemine directement aux différents circuits malgré que ça passe dans le ballon tampon
bonjour
vous ne voulez pas chauffer une grande quantité d’eau en raccordant directement la chaudière sur le BT mais ça revient au même en se raccordant sur le ballon mixte puis avec le système Thermomat ils sont maintenus à la même température, donc dès que le ballon mixte sera à la bonne température (TK) la pompe P1 se met en route pour charger le ballon tampon.
il y a beaucoup de critères à prendre en compte, surtout avec l’apport solaire en plus, je pense qu’il faut peut être conserver le solaire uniquement à l’éventuelle production d’ECS le ballon mixte à triple fonction n’est pas simple à gerer
bonjour,
j’ai modifié mon schéma mais toujours piquages chauffages sur le ballon mixte.
( j’ai enfin réussi à modifier la représentation du ballon mixte pour positionner les piquages comme il sont en réalité sur le ballon)quelques questions:
1.je ne suis pas sur que le montage en parallèles des circulateur+clapet AR pour la charge/décharge soit ok pour éviter le thermosiphon entre les ballon B1 et B2, pas de soucis lorsqu’un des deux circulateurs fonctionne mais si aucun n’est en route… vous en pensez quoi ?
2. pour le pot à boues, il faut le mettre entre B1p8 et B2p6 au plus bas de l’installation, c’est bien ça?
est-ce qu’il collectera aussi les boues des circuits secondaires?3. pour le purgeur auto, je compte le mettre au sommet de B2 (le ballon B2 est plus haut que B1, B2 à bien un piquage à son sommet que je n’ai pas représenté), c’est correct ?
4. entre B1 sortie ECS et l’arrivée d’eau de mon ballon electrique, je dois monter un robinet thermostatique pour limiter la t° d’arrivée d’eau à 60°pour ne pas faire sauter le thermostat du ballon élect ou ce n’est pas nécessaire (le ballon elect fait 200l et on ne doit pas souvent soutirer plus de 30l en continu…)?

Je pense que le mitigeur eau sanitaire doit être posé en sortie de ballon électrique.
Si le ballon électrique est alimenté par de l’eau déjà chaude c’est tant mieux c’est déjà un peut l’objectif même si cela influence sur le fonctionnement du thermostat et donc de la résistance.Pour les purgeurs, son emplacement est a définir sur place aux points les pus hauts de l’installation, peut être que sur le ballon ne soit pas le meilleur emplacement. Il faut définir selon la configuration.
Idem pour le pot a boues, a définir selon configuration et généralement au point le plus bas.
Pour le schéma, je ne me prononce pas car je n’ai pas tout a fait compris son fonctionnement.
bonjour,
je suis en train de lister mes fournitures pour tout raccorder.
chaudière, ballons et conduites de chauffage radiateur en acier.
liaison chaudière/ballon, ballon tampon/ballon mixte, ballon mixte/circuit secondaire en cuivre de 28.est-ce que je dois prévoir des raccords diélectriques sur les piquages ballon mixte, ballon tampon, chaudière… ou uniquement des mamelons en fonte (pour concentrer l’oxydation sur ceux-ci plutôt que sur les piquages en acier)?
bonjour
les raccords diélectriques se posent que sur l’eau chaude sanitaire, pas sur le chauffage
chaque ballon de chauffage a un point haut où il faut un purgeur, manuel ou auto
pour moi le schéma n’est pas optimum, mais ce n’est que mon avis!
bonjour,
j’ai contacté plusieurs fournisseurs de matériels de plomberie.
pour la majorité d’entre eux, il me recommande de faire le circuit primaire en multicouche de 32 plutôt qu’en cuivre, d’après eux pas de soucis de tenu à la température (95° en continu), mise en oeuvre plus rapide (raccords à sertir), tenu dans le temps au moins égale au cuivre, tarif plus intéressant…. on peut les croire ou c’est juste des arguments commerciaux…peut-on sereinement faire les différentes liaisons: chaudière bois, ballon mixte, ballon tampon… en multicouche avec raccords sertis?
Personnellement je pense que le circuit primaire devrait être en tuyaux cuivre, il suffit d’une panne de thermostat pour vous retrouver avec de tuyaux fondus. Ce n’est que mon avis et je n’en changerais pas.
D’ailleurs je crois que c’est interdit de raccorder des productions au bois avec des tuyaux en matières plastiques.
Ensuite, je voudrais vous dire que votre schéma tel quel n’est pas optimisé et je suis sceptique sur son fonctionnement, mais peut être que je me trompe, je compte sur vous pour un retour d’expérience une fois que le montage soit fait.
bonsoir,
merci pour vos remarques et avis.
j’ai (enfin) terminé l’installation et ça semble fonctionner correctement.
la chaudière est de type ATMOS DC20GS, chaudière bois à combustion inversée, 23kw, capacité en eau:73 litre.
je n’ai jamais eu de chaudière auparavant mais je trouve qu’elle est lente à monter en chauffe:
il lui faut 1h pour passer de 20° à 60° (température du corps de chauffe), puis encore 1/2h pour arriver à 85°ça vous semble correcte ou il y a un soucis avec la boucle de recyclage (qui est équipée d’un té de type termovar calibré à 61°)?
autre soucis, le circulateur et le ventilateur d’extraction ne ce coupe pas lorsque la combustion est terminée (il sont pilotés par la chaudière)…. pas très pratique, ça oblige à surveiller et éteindre la chaudière pour ne pas décharger le stock dans la chaudière éteinte… est ce que ça vient d’une défaillance, sonde hs ou régul HS, ou d’un réglage à effectuer?
bonsoir,
bon, ben, pour la montée en chauffe du corps de la chaudière, ça s’améliore… aujourd’hui 3/4 heure pour passer de 15° à 75°, ça devait venir de la vanne thermostatique qui avait du gripper un peu…
bonjour,
je reviens ici car je m’attaque à la partie solaire…
la partie chaufferie est faite (groupe de charge, raccordement aux ballon, vase d’expansion) et les capteurs sont posés en façade.
pour relier les capteurs au groupe de charge je compte suivre ce schéma (les pentes ont été exagérées), en 1 et 2 = purgeurs:
c’est correct? faut-il d’autres purgeurs? des vannes d’équilibrage?
PS: mes capteurs sont des capteurs plans, extrait de la doc technique:


bonjour
ça semble bon
merci Ruajose pour ta réponse…
je vais essayer de finaliser les branchements ce WE (suivant la météo) et ensuite mise en eau et test pour valider le tout avant de ré-remplir avec de l’eau +antigel.
pour le remplissage de test, je peux le faire simplement en branchant un tuyau d’arrosage (avec un clapet anti-retour) sur le groupe de charge ou il faut obligatoirement le faire avec une pompe?
est-ce que je dois mettre des vannes d’isolement sur les purgeurs?
bonjour
bonjour
Je sais pas quelle marque de capteur tu poses mais si j’ai un conseil à donner c’est: surtout pas mélanger eau +antigel j’ai fait la désagréable expérience de voir la soupape cracher à fond à 160°C,et là on perd tout le bénéfice du travail fait, il faut remettre de l’eau et combien d’antigel?? et d’autres problèmes qui en découlent..
Ce qu’il faut c’est mettre 100% fluide caloporteur, un vase d’expansion bien dimensionné même surdimensionné si possible, mettre la soupape à cracher dans un réceptacle pour récupérer l’éventuel rejet de fluide en cas de surchauffe et pour pouvoir le réinjecter.
les purgeurs et les vannes doivent être adaptés à ce type d’installation haute température.
moi par principe je posais toujours des vannes avant les purgeurs,ça permet d’isoler un purgeur défectueux, mais après il faut voir le prix.pour les essais la pression d’eau de ville suffit, de toute façon le circuit ne montera jamais au dessus de la pression de la soupape.
merci pour les conseils.

Félicitations pour la réalisation.
Vous voulez bien poster quelques images, ça permettrais d’illustrer nos pages.
Merci
- AuteurMessages
› Communauté › Chauffage et climatisation › Bouilleurs, Chaudières bois, Solaire, Pompes a chaleur › schéma SSC + chaudiére buche









