Sujet : Validation circuit multicouche / radiateurs fonte (+PAC existente)
Bonjour à tous,
tout neuf sur ce forum ou j'ai déjà pu trouvé de nombreuses informations précieuses.
je vous présente mon installation de chauffage future dans une maison en rénovation.
Maison cave + 2 étages, 140m2, nord est de la France. isolation murs intérieurs R=3,15, plafond étage R=6 + triple vitrage et volet roulants isolants neufs
Radiateurs Fonte avec robinets thermostatiques / PAC Haute température Daikin, Inverter, 16kW (existante, donc je n'ai rien à perdre à tester); Celle-ci sera complétée par un poêle à bois.
(il y a également une ancienne chaudière fioul de plus de 40 ans est présente mais plus utilisée)
Puissance de chauffe nécessaire pour la maison : 19,5kW (Ubat 1,5 un peu surestimé)
Puissance de chauffe théorique atteignable avec les radiateurs fonte actuels (Dt 50°C) est de 27kW (ceci est donc surestimé, dans l'idée de pouvoir baisser la température de l'eau de chauffage).
Un poêle à bois sera installé en appoint.
Si jamais cet ensemble ne suffit pas, une autre solution d'appoint sera étudiée (autre mode de chauffage ou complément en relève de PAC dans le futur).
Dans tous les cas le circuit de chauffage sera refait à neuf (multi couche), avec 2 circulateurs adaptables.
Je me pose certaines questions pour lesquels vous pourriez svp m'aider:
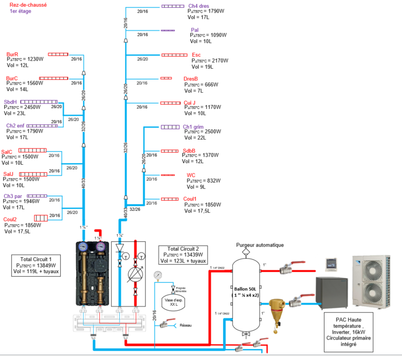
- votre avis sur le schéma/diamètres (diamètres surdimensionnés?). Je me suis basé sur les anciens tuyaux en acier ui ont été retirés (en ayant déjà réduit les diamètres).
- je suis parti sur du bitube, par rapport à l'éloignement depuis la source (chaufferie à la cave) et facilité de mise en oeuvre. préfériez vous des nourrices? voir un mix des 2
- l'utilité du Ballon tampon de 50L (qui est présent actuellement, je me pose la question s'il est nécessaire sachant que le circuit contient déjà beaucoup d'eau). Je peux aussi prévoir un bypass pour tester et choisir de l'utiliser ou non.
Si utilisé, plutôt préférer le montage en mélange ou en inertie?
- une soupape de pression différentielle est elle nécessaire?
Ci-dessous un schéma de l'installation (les retours ne sont pas représentés).
Merci bcp!



