1 Dernière modification par gillout (30-06-2023 01:55:12)

Sujet : Schéma cuisinière bouilleur, chaudière fioul existant et ECS solaire

Bonjour à tous les chauffagistes bouilleurs ou simple bricoleur (comme moi!)

Après avoir lu pas mal de proses sur le sujet ici et ailleurs, je souhaiterais vous soumettre mon cahier des charges, ainsi que mes avancements.

Contexte :
- Maison des années 60 (ext/brique de 15cm/5cm de vide/5cm de briquette) de 135m² habitable sur 2 niveaux, au sud de Pau dans le 64 (mais avant les montagnes, puisque l'altitude est inférieure à 300m).
- toiture isolée par 20cm de laine de verre
- Simple vitrage en cours de remplacement sur quelques années

Existant:
Chaudière fioul VIESSMANN chauffage +ECS régulée sur température extérieur. (2000L de fioul consommé en 1 an)
Distribution par radiateur fonte, dont la majorité des tuyaux acier sont en vide sanitaire accessible
Les radiateurs n'ont pas de robinet thermostatique.
poêle buche DEVILLE 9kW dans la salle à manger

Projet:
La phase 1 serait de remplacer le poêle par une cuisinière hydro ou bouilleur, que j'ai déjà. Une MC20 MORVAN d(occasion 22kw, dont 14 pour l'eau. L'idée serait priorité au chauffage, puis à l'ECS, puis au ballon tampon. Durant cette phase, la chaudière fioul ne serait utiliser que en notre absence (hors gel et commande à distance dans le futur proche), donc le basculement serait manuel. L'idéal de la phase 1 serait d'anticiper la phase 2, sans avoir trop de démontage...
La phase 2 serait la mise en place de l'ECS solaire (videngeable (auto ou manuel) pour la belle saison et pourquoi pas que la chaudière fioul fonctionne en relève automatique de la cuisinière.

Contrainte:
L'accès au vide sanitaire pour le passage des ballons est réduit (j'éditerai en mettant la valeur de passage)
Aimant le DIY ou le bricolage (=réparable), j'aimerais concevoir et monter l'installation pour bien la maitriser, sans que cela devienne une usine à gaz pour ma famille (pas ou peu de vanne motorisée).
Enfin, ne souhaitant pas faire une installation de luxe pour une simple cuisinière bouilleur, j'aimerais que le ballon tampon soit un ballon d'eau chaude sanitaire d'occasion.
Je souhaite également profiter de ce projet pour créer la régulation (hors celle de la chaudière) et débuter dans le monde de l'arduino/ESP323, avec home assistant en superviseur.

Enfin après cette longue présentation, je vous soumets mon premier jet de l'installation, avec uniquement la partie chauffage. En fonction de vos retours, je compléterai la partie ECS, ECS sur bouilleur, ECS solaire et régulation.

Comme base, je suis parti sur le projet épinglé et sur ce blog:
https://plombiers-reunis.com/topic8091- … aique.html

http://lafamillecreative.blogspot.com/2 … ge-et.html

Principe de fonctionnement:
1-A la chauffe, P1 s'enclenche et V1 bypass jusqu'a atteindre 60°C en sortie de poêle.
2-Poele chaud et radiateur en demande, P1 et P2 sont à équi-débit (rien ne va dans les ballons)
3-Certains robinets thermostatiques se ferment partiellement, le débit de P2 diminue, créant un sur-débit dans P1, permettant l'envoi d'énergie dans les ballons à travers V2.
4- Au fur et à mesure que le besoin de chauffage se réduit, le BECS monte en charge jusqu'à 65°C
5- Le BECS plein à 65°C, la V2 se décharge dans le BT, qui récupère l'énergie restante de fin de flambée.


Mes doutes:
A- Je ne sais pas comment réagit V2 en mode décharge (pas de feu dans le bouilleur, mais besoin de chauffage). P1 serait à l’arrêt mais P2 circulerait dans le BECS ou dans le BT? L'idée étant de pas vider l'énergie du BECS.
B- je ne sais si V2 est avec capteur de température intégré ou avec bulbe déporté en haut du ballon
C- si j’arrête la nouvelle installation et rallume la chaudière, je ne sais pas si P2 avec son thermostat d'ambiance perturbera le fonctionnement de la pompe de la chaudière (P2 pouvant être à l’arrêt et en marche, alors que la pompe de la chaudière est permanente)

Sujets pièces jointes

schéma.drawio(2).png, 33.52 kb, 811 x 340
schéma.drawio(2).png 33.52 kb, 214 téléchargements depuis. 30-06-2023 

schéma.drawio(2).png, 33.52 kb, 811 x 340
schéma.drawio(2).png 33.52 kb, 213 téléchargements depuis. 30-06-2023 

2

Re : Schéma cuisinière bouilleur, chaudière fioul existant et ECS solaire

bonjour

ça ne fonctionne pas votre schéma,  P2 n'est pas à la bonne place, si v1 se ferme le débit de P2 circule à contre sens,
qui commande P2?
Qui commande v2?
le BT est branché en série, pourquoi pas en parallèle?
faites une bonne analyse fonctionnelle de chaque cas de mode de fonctionnement
nota: les pompes en série, on cumule les perte de charges mais pas les débit, en parallèle c'est l'inverse

JR

Re : Schéma cuisinière bouilleur, chaudière fioul existant et ECS solaire

Bonjour,

Merci pour ce retour.

V1 étant une Vanne 3 voies, en repos, elle reboucle dans le poele. A température de fumée chaude (valeur encore à déterminer), V1 est traversante et alimente les collecteurs.
En suivant la ligne des retours en discontinu bleu, j'ai l'impression que les circulateurs sont dans le même sens, non?

La régulation est en "création" et donc à peaufiner sur le papier. Voila ce que j'avais à l'esprit:

-P1 commandé sur sonde de température de fumée.
-P2 commandé sur double condition : thermostat ambiant et température aller (collecteur rouge) supérieur à une certaine valeur.
-V2 : vanne 3 voies thermostatique qui permet de prioriser le surplus d'énergie à l'ECS. la sonde de cette vanne pouvant être positionnée en sortie de l'échangeur  du ballon ECS. Tant que la température de sortie échangeur ballon ECS est inférieure à 65°C, l'eau circule dans le by-pass de V2. si cette température dépasse les 65°C (= les 200L du ballon ECS sont à 65°C), V2 est traversante et l'énergie en surplus va vers le ballon tampon.

L'idée de V2 en V3V thermostatique plutôt qu'en V3V motorisée est surtout d'éviter une régulation électronique (capteur, relais, moteur, retour position)

J'ai avancé sur la partie sécurité du schéma...(j'ajouterai ensuite la régulation)

Sujets pièces jointes

schéma.drawio(2)(2)(2).png, 70.12 kb, 825 x 644
schéma.drawio(2)(2)(2).png 70.12 kb, 217 téléchargements depuis. 04-07-2023 

4 Dernière modification par 45Jose (04-07-2023 12:42:33)

Re : Schéma cuisinière bouilleur, chaudière fioul existant et ECS solaire

bonjour
c'est pas si simple, il y a un sens de circulation sur les vannes 3 voies, c'est pas comme un béret Basque.
-si V1 boucle sur la cuisinière, elle ne peut pas boucler sur les radiateurs quand elle se ferme, donc  P2 va pousser sur le retour du BT, si la configuration de V2 permet le passage à contre sens (j'en doute) , l'eau de BT (froide ou chaude)va aller vers les radiateurs.
- en fonctionnement normale à + de 60°c V1 ouverte, si V2 et en demande vers BECS et si tous les radi sont fermés alors le débit va vers BECS, mais si les radia sont ouverts, quelle quantité va et où?
dans cette même configuration si V2 est au repos, qu'est ce qui empêche une partie du débit d'eau d'aller vers BT?
-Pour que V2 fonctionne en mode vanne thermostatique il faut que la vanne capte un débit d'eau constant pour mesurer une température, une sonde en sortie de l'échangeur n'est pas viable, la température sera forcement décalée par rapport au volume du ballon, il vaut mieux passer avec une vanne elec commandée par un simple aquastat sur sonde à plongeur

JR

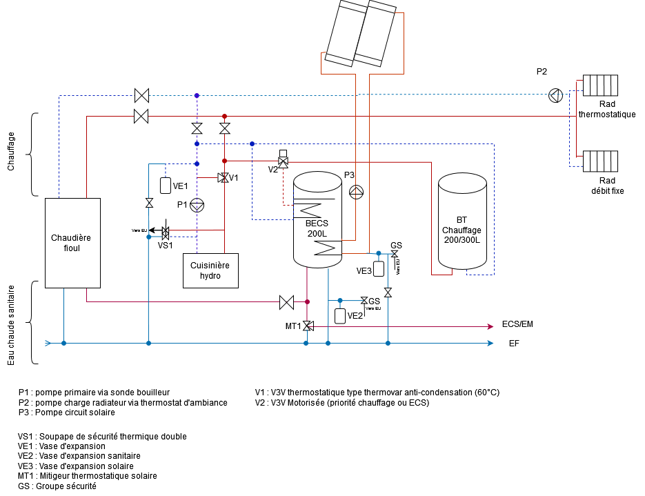
Re : Schéma cuisinière bouilleur, chaudière fioul existant et ECS solaire

Bonsoir,

J'ai modifié la vanne V2 en motorisée pour avoir une commande prioritaire, via son propre régulateur.
Ne souhaitant pas que la chaudière fioul puisse alimenter le ballon ECS et le ballon tampon, j'ai séparé les réseaux: Le réseau existant entre la chaudière et les radiateurs et l'extension avec le poêle, le ballon ECS et le BT. Dans la réalité, la pompe P2 sera à proximité du piquage sur l'existant.

Dans cette configuration, on se retrouve dans une configuration identique au blog en copie dans mon premier post. En cas de réduction des besoins des radiateurs. le débit complémentaire ira dans V2. En fonction de la position de V2, les calories iront vers le BECS ou le BT.

Pour la régulation, j'ai identifié 4 régulateurs indépendants (donnée d'entrée--> régulateur n°--> actionneur):
- Sonde conduit de fumée-->REG1--> on/off pompe P1
- T départ radiateur+thermostat--> REG 2--> on/off pompe P2 ou variation PWM
- (en cours de réflexion pour que V2 fonctionne en charge de calorie dans le BT depuis la cuisinière et en décharge du BT vers les radiateurs--> REG 3--> V2
- T BECS + T Panneau solaire --> REG 4--> on/off pompe P3 ou variation PWM.

Merci à 45josé et autre lecteur de m'avoir lu!

Sujets pièces jointes

schéma.drawio(2)(2)(2)(1).png, 76.65 kb, 935 x 719
schéma.drawio(2)(2)(2)(1).png 76.65 kb, 1114 téléchargements depuis. 11-07-2023 

Re : Schéma cuisinière bouilleur, chaudière fioul existant et ECS solaire

Bonjour.

Pour ma part ces systèmes ne sont pas ma spécialité et il faut attendre un autre avis.

Mais sans etre spécialité, j'utiliserais un vrai ballon tampon dans lequel j'injecte l'eau produit par le bouilleur et par la chaudière d'appoint.
Ensuite chacun des circuits secondaires puis ses calories dans ce ballon.

Il faut juste veiller a faire les raccordements de façon a ce que l'eau du ballon ne soit chauffé qui c'est c'est le bouilleur qui fonctionne.
Cela vous permettrais de fonctionner chaque composante indépendamment.
Telle que vous proposez vous devez avoir certaines conditions de fonctionnent par exemple,

L'eau ne va au BT qui si les retour des radiateurs est chaud, sinon priorité aux radiateurs
L'eau ne vas au circuit de chauffage qui si l'eau chaude est a bonne températures.

Bref vous ne trouverez pas de régulation sur mesure qui permette de gérer tout ça, et vous verrez que cela deviendra rapidement casse tête pour l'installateur mais aussi en cas d'intervention futures par une autre personne, car elle ne comprendras rien.

Qu'en pensez vous?

Ces forums sont fermés, et cesseront de fonctionner bientot.
Un nouveau forum a été mis en place ici → https://plombiers-reunis.com/v3/communaute/

Re : Schéma cuisinière bouilleur, chaudière fioul existant et ECS solaire

Bonsoir,

un vrai ballon tampon

Tu entends par la qu'un ballon d'eau chaude sanitaire ne pourrais pas servir de ballon tampon ou que son volume est trop faible pour vraiment être intéressant?

Ne pouvant intervenir sur la régulation de la chaudière, elle sera arrêtée manuellement (et isolée hydrauliquement) tant que la puissance de la cuisinière sera suffisante.

Je ne l'ai pas précisé dans mes postes, mais la puissance sur l'eau de la cuisinière et légèrement inférieur à la puissance des radiateurs. Le surplus d'énergie pour l'ECS et le BT ne sera possible qu'à mi-saison.

Oui il faut effectivement que je trouve les bonnes conditions de fonctionnement pour piloter ma vanne motorisée.

L'objectif de m'approprier le schéma est de faire moi-même l'installation. Concernant la régulation, je suis en contact avec un commercial de SIDV, mais je crains qu'aucune régulation commerciale standard ne réponde à ma demande. Dans ce cas, je me pencherai sur les arduinos ou autre automate programmable.

8

Re : Schéma cuisinière bouilleur, chaudière fioul existant et ECS solaire

Bonjour

ce schéma me parait un peu compliqué pour l'objectif à atteindre, je dis pas que c'est pas bon, mais il faut prendre du temps pour réfléchir à chaque phase de fonctionnement.
quant j'ai fabriquer le système que j'ai posté, au départ tout me paraissait nickel, mais au fur et à mesure de la réalisation et de réflexion, des anomalies apparurent , et j'ai changer quelques  circuits, le système n'était pas comme il là au final, j'avais mi des compteurs de débit pour mesurer et à chaque phase de fonctionnement, il y a même encore aujourd'hui une modification à faire, changer de place la position du piquage du tube de retour pour que le sonde puisse bien mesurer la température de l'eau qui revient des radiateur et du BT, pour démarrer le cycle de récupération du BT.
le BT présenté est un ballon ECS de 100 litres au quel j'ai fait un 3eme piquage nécessaire pour le bon fonctionnement
j'ai pris 100 litres, c'est pas beaucoup, mais c'est juste pour faire le teste.
Il n'y a aucune régulation adaptée à ce système, à moins d'envoyer l'analyse fonctionnelle chez Siemens et ils fabrique un automate sur mesure.
tout le système fonctionne avec de simples thermostats, simple ou inverseur, la seule régulation fine c'est celle de la vanne 3 voies motorisée pour un circuit radiateur ou autre.
j'ai passé beaucoup à la conception de ce système, juste par curiosité puisqu'il ne me sert pas, j'ai fait installé des panneaux photovoltaïques en auto conso.
Je pense qu'il est adapté à votre besoin, il suffit de supprimer un circuit de chauffage et de prendre un ballon d'eau chaude avec 2 serpentins à l'intérieure.

JR

Re : Schéma cuisinière bouilleur, chaudière fioul existant et ECS solaire

Vous le trouverez ICI : https://plombiers-reunis.com/post39368.html#p39368

Ces forums sont fermés, et cesseront de fonctionner bientot.
Un nouveau forum a été mis en place ici → https://plombiers-reunis.com/v3/communaute/

10

Re : Schéma cuisinière bouilleur, chaudière fioul existant et ECS solaire

Bonjour,

Voyant le temps qui passe et l'hiver qui se rapproche, je vais faire une installation simple pour une première phase: Piquage du bouilleur sur le réseau existant sans ballon tampon.
Le risque étant limité, puisque les radiateurs en fonte ont une forte inertie et que la puissance de radiateurs existante est supérieure à la puissance du poêle.

Dans ce montage, le circulateur associé au termovar peut il pousser le fluide vers les radiateurs, une fois la température de basculement atteinte?

Les éléments n'apparaissent pas sur le schéma, mais il est bien prévu soupape de sécurité, soupape thermique double et clapet au départ cuisinière.
Le déclenchement de la pompe sera réalisée par un thermostat sur conduit de fumée.

Sujets pièces jointes

schéma.drawio(3).png, 15.7 kb, 582 x 256
schéma.drawio(3).png 15.7 kb, 204 téléchargements depuis. 07-09-2023 

schéma.drawio(3).png, 15.7 kb, 582 x 256
schéma.drawio(3).png 15.7 kb, 203 téléchargements depuis. 07-09-2023