Sujet : cuisinière bois avec bouilleur
Bonjour,
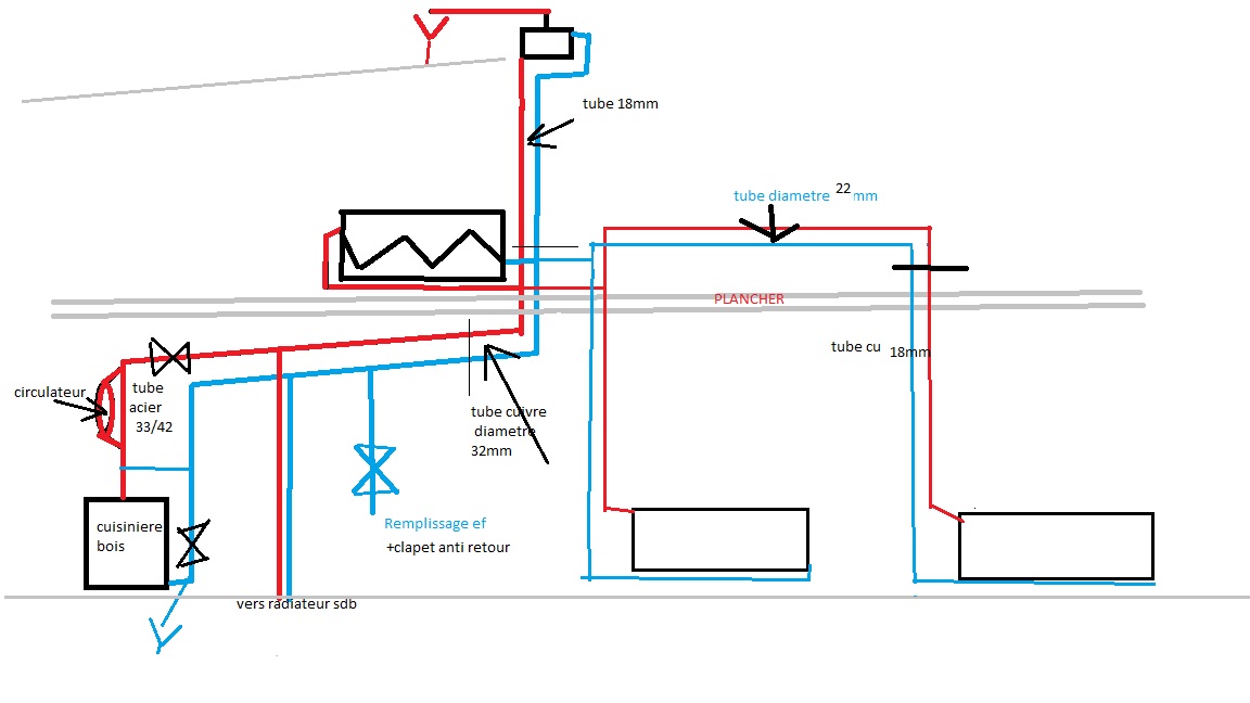
Je suis entrain d'installer une cuisinière bois avec bouilleur ,avec 4 radiateurs,
La partie cuisinière est raccordée en 33/42 sur 4mètres ensuite en 32 cuivre jusqu'à l'étage ou le réseau se sépare en 3
- un départ et un retour tube cuivre 18mm raccordé sur le vase expansion ouvert 22L. placé au plus haut de l'installation (7m)
- étage 1 radiateur acier (3mètres de long sur 50 cm de haut) alimenté en tube 22mm montée en 18mm.
- Aile droite rez de chaussée 2 radiateurs acier (3mètres de long sur 50cm de haut) tube 22mm alimentée par l'étage descente en 18 mm.
- le 4 ème radiateur est alimenté a un mètre de la cuisinière sur le 33/42 piquage en 15/21 1,5mètre , ensuite per 16 en sol
j'ai installé un circulateur sur le tube départ en bypass
Vanne 3 voies
Je souhaiterai savoir si il y a des anomalies ou s'il faut faire des modifs qq part, je flippe un peu (cocotte minute)
Je vous joint un schéma fait vite fait dsl
merci d'avance pour vos réponses


