Sujet : Avis sur réseau sanitaire

Bonjour,

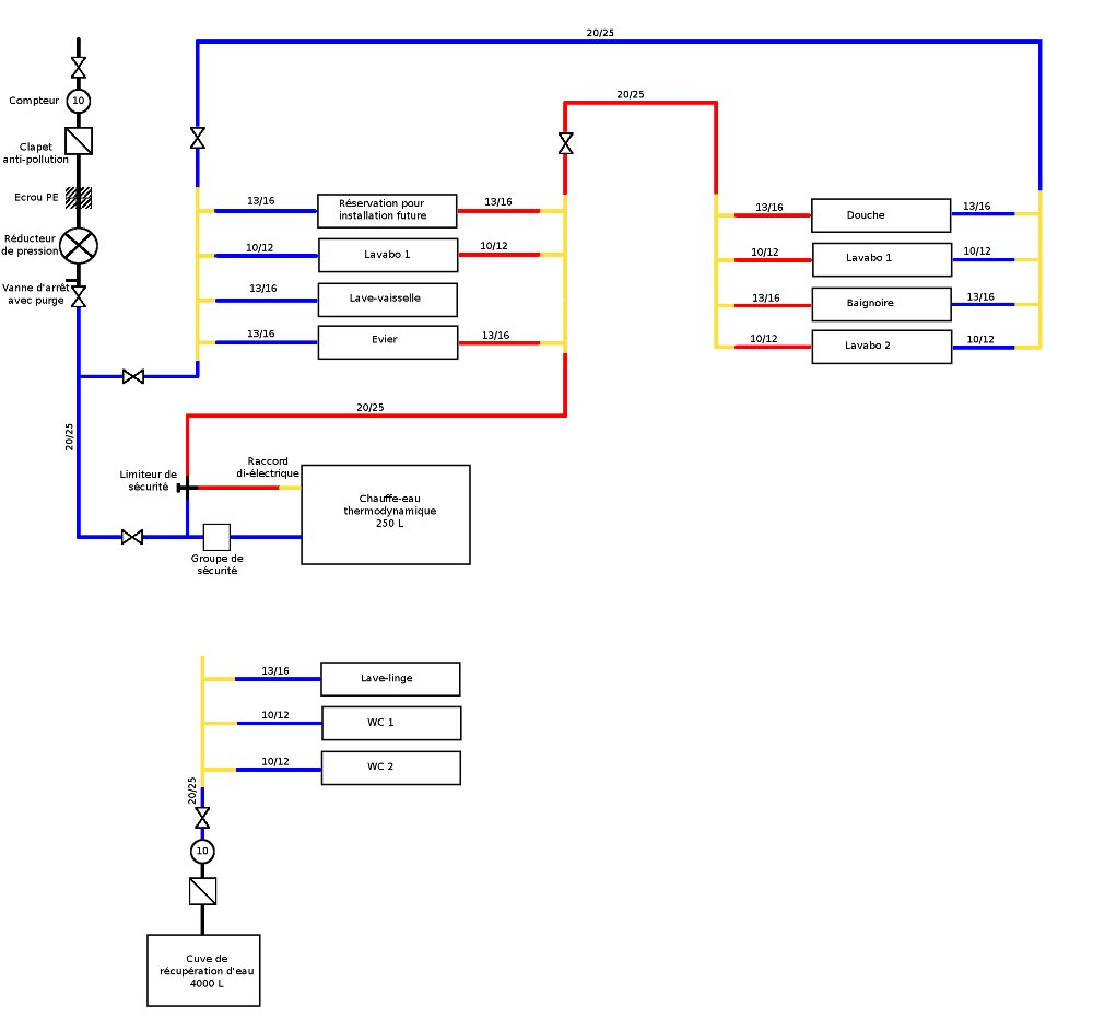
Je vous remercie de me donner votre avis sur mon réseau de distribution d'eau sanitaire. Toute l'installation sera réalisée en PER avec raccords à glissement. L'eau chaude sera produite par un chauffe-eau thermodynamique. Les nourrices seront en entrée M/F 3/4 et 4 sorties à vannes 1/2.

Afin de respecter la législation, je n'ai pas relié le réseau d'eau de récupération au réseau public (enfin pour l'instant). Je réfléchis à réaliser une arrivée d'eau potable sur le surpresseur de la cuve en réalisant une installation par sur-verse.

Merci d'avance

Sujets pièces jointes

plan plomberie.jpg, 58.02 kb, 1000 x 942
plan plomberie.jpg 58.02 kb, 593 téléchargements depuis. 04-02-2012 

2

Re : Avis sur réseau sanitaire

Hello,

Moi ça me semble bien dans le principe.

Pour les connexions inter-nourrices, le 16/20 me semblerait suffisant, surtout s'il y a de la distance entre les 2 nourrices d'eau chaude (car quand tu tires de l'eau, il faut remplir le conduit d'eau chaude avant de l'avoir au robinet, donc moins de perte d'eau avec un diamètre plus faible et néanmoins suffisant ) .

Pour les connexions lavabo et autre en 10/12 c'est très bien, tu peux mettre du 13/16 si tu ne veux pas t'ennuyer avec plusieurs diamètres.

A bientôt,

  guill

Particulier, 35 ans, Toulouse - Rénovation d'une maison de 1967 - Pour la plomberie : circuits d'eau chaude et le chauffage en multicouche.

3

Re : Avis sur réseau sanitaire

Que dire de plus, guill a déjà tout dit.

Bonne réalisation et bon courage pour vos travaux.

4

Re : Avis sur réseau sanitaire

Merci beaucoup !

Est-ce que du 16/20 suffirait sur l'eau froide entre mes nourrices et pour l'alimentation du chauffe-eau ?

5

Re : Avis sur réseau sanitaire

Pour moi oui : c'est ce que j'ai fait chez moi : pour le sanitaire, il n'y a que l'arrivée générale jusqu'à la première nourrice qui est en 20/26 (multicouche), le reste est soit en 16/20, soit en 12/16.

Particulier, 35 ans, Toulouse - Rénovation d'une maison de 1967 - Pour la plomberie : circuits d'eau chaude et le chauffage en multicouche.