Toutes mes réponses sur les forums
- AuteurMessages
Bonjour et merci beaucoup pour votre réponse.
Premièrement vous parlez de ballon tampon, mais est-ce vraiment un ballon tampon ou un ballon d’inertie avec serpentins? parce que vous devrez ajouter du glycol a votre installation de PAC monobloc, il suffit d’une panne une nuit et le systeme peut éclater sous l’effet du gel et vider toute l’installation. Ou peut etre la totalité de votre installation sera glycolé! Qu’avez vous prévu?
Il s’agit d’un ballon tampon, il y a un serpentin qui ne sera pas utilisé pour le moment, et certainement jamais mais si jamais un jour je me décide a ajouter des capteurs solaires thermiques je préfère qu’il soit déjà dans le ballon !
Je pense donc que votre installation monobloc devrais etre séparé, a moins que votre PAC monobloc soit équipé d’une module interne, ce qui diminuerait son efficacité.
Je suis pas sur d’avoir compris à quel niveau l’installation devrait être séparé !
pour la ballon tampon je pense qu’un BT avec un préparateur intégré serait plus adapté, Préparateur a l’intérieur de BT par bain marie.
Dans ce cas, en été j’ai 1000l de volume tampon à chauffer, cela ne va-t-il pas faire exploser ma consommation?
Sur le schéma, vous ne représentez pas la sortie d’eau chaude sanitaire, vous ne pensez pas faire tous ce circuit avec de l’eau chaude sanitaire.
C’est une erreur, je l’ai representé mais en bleu au lieu de rouge et j’ai oublié d’amener l’eau froide du reseau dans le ballon ECS ! Oups!
vous devez vous assurer que vous êtes en mesure de le refroidir en cas de panne electrique, si votre eau qui alimente la soupape thermique est pompé et non de compagnie vous devrez trouver une autre solution.
Ca c’est bon!
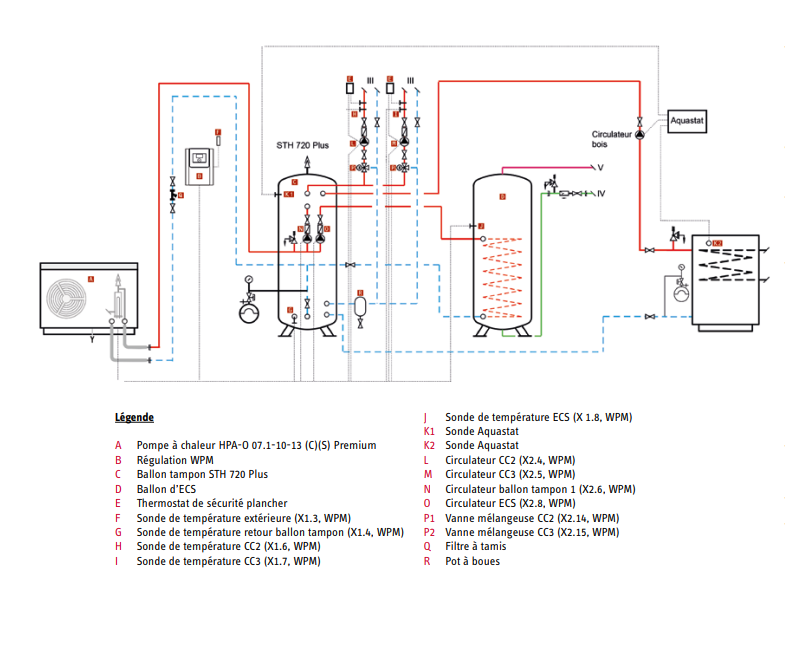
Sinon, j’ai regardé la préconisation de Stiebel Eltron pour l’installation que je souhaite et voila ce qu’ils proposent (lien pdf en abs pour y voir plus clair):

Mais la encore, on doit forcement chauffer tout le volume tampon en été pour avoir de l’ECS ! C’est peut être la meilleur solution mais il me semblerait plus intelligent d’aller directement dans l’échangeur ECS en été non ?
J’ai l’impression de passer à coté de quelque chose !Merci encore et à bientôt
Attachments:
- AuteurMessages

