Sujet : Installation thermostat Netatmo, control de dietrich fioul GT1104
Bonjour, je désire installer un thermostat Netatmo sur ma chaudière,
mais je ne sais pas quels connecteurs utiliser.
Ou je me demande même si c’est possible ou judicieux compte tenu de l'installation.
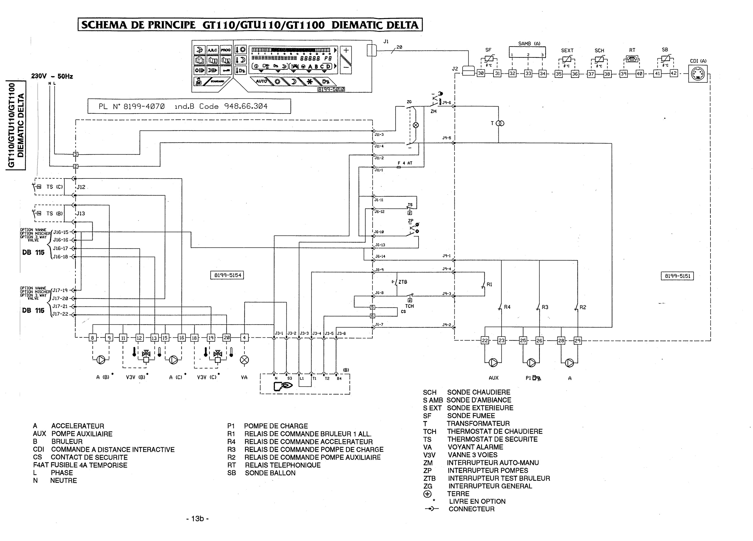
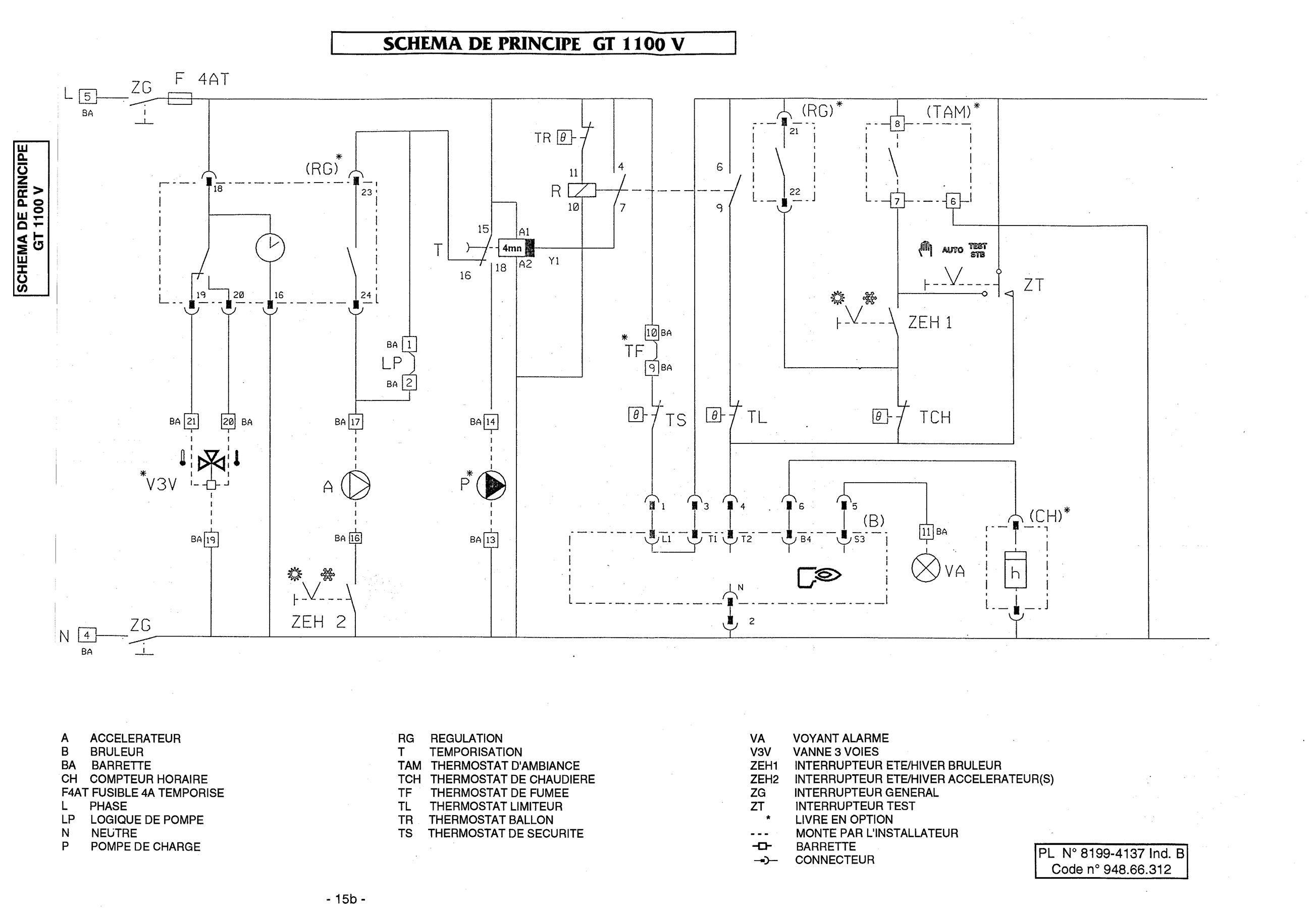
Chaudière : De Dietrich fioul GT 1104
Deja installé :
Thermostat d’ambiance connecté à SAMB (32-33-34)
Sonde extérieure connecté à : SEXT (35-36)
Ci joint diagramme électrique et photos panneau.
Voici des photos de la chaudière
Merci pour votre aide.


