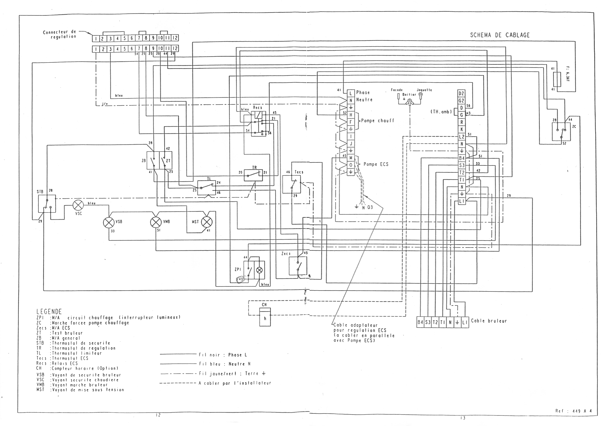
Sujet : Branchement chaudière + eau sanitaire Thermostat Nest 3
Bonjour;
Alors voilà je suis nouveau je ne sais pas trop ou posté ça mais j'ai un grand besoin vous.
Voilà mon problème il y a une semaine j'ai acheté un thermostat Nest 3e génération pour pouvoir gérer l'eau chaude ainsi que la programmation du chauffage.
je ne sais pas comment le brancher correctement. Quand je fais mon branchement et quand je mets à fonctionner l'eau sanitaire, et le chauffage se met en route et les radiateurs chauffent
J'ai un grand besoin de vôtres aides je suis totalement bloqué
Merci d'avance


