Re : schema chauffage central rénovation
Bonjour.
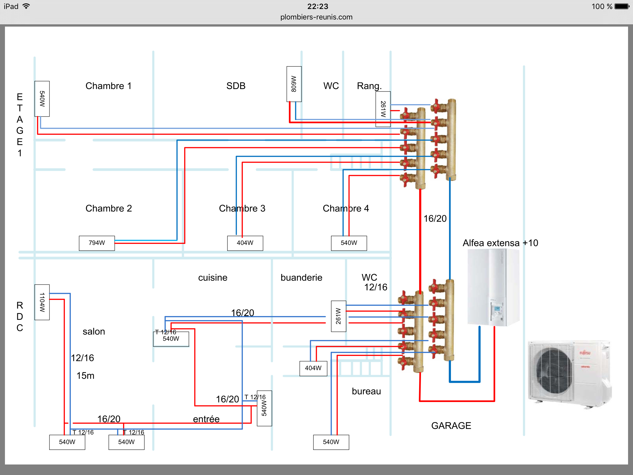
Non ce n'est pas un montage serie c'est un montage paralelle comme ceci.
https://blogs.plombiers-reunis.com/rese … quage.html
Vous êtes en train de penser au mono-tube, tout est expliqué ici dans le guide du débutant : https://blogs.plombiers-reunis.com/chau … teurs.html


