Sujet : [Résolu] Installation d'un cumulus mixte sur chaudière bois
Bonjour à tous. j'envisage l'installation d'un chauffe eau mixte.
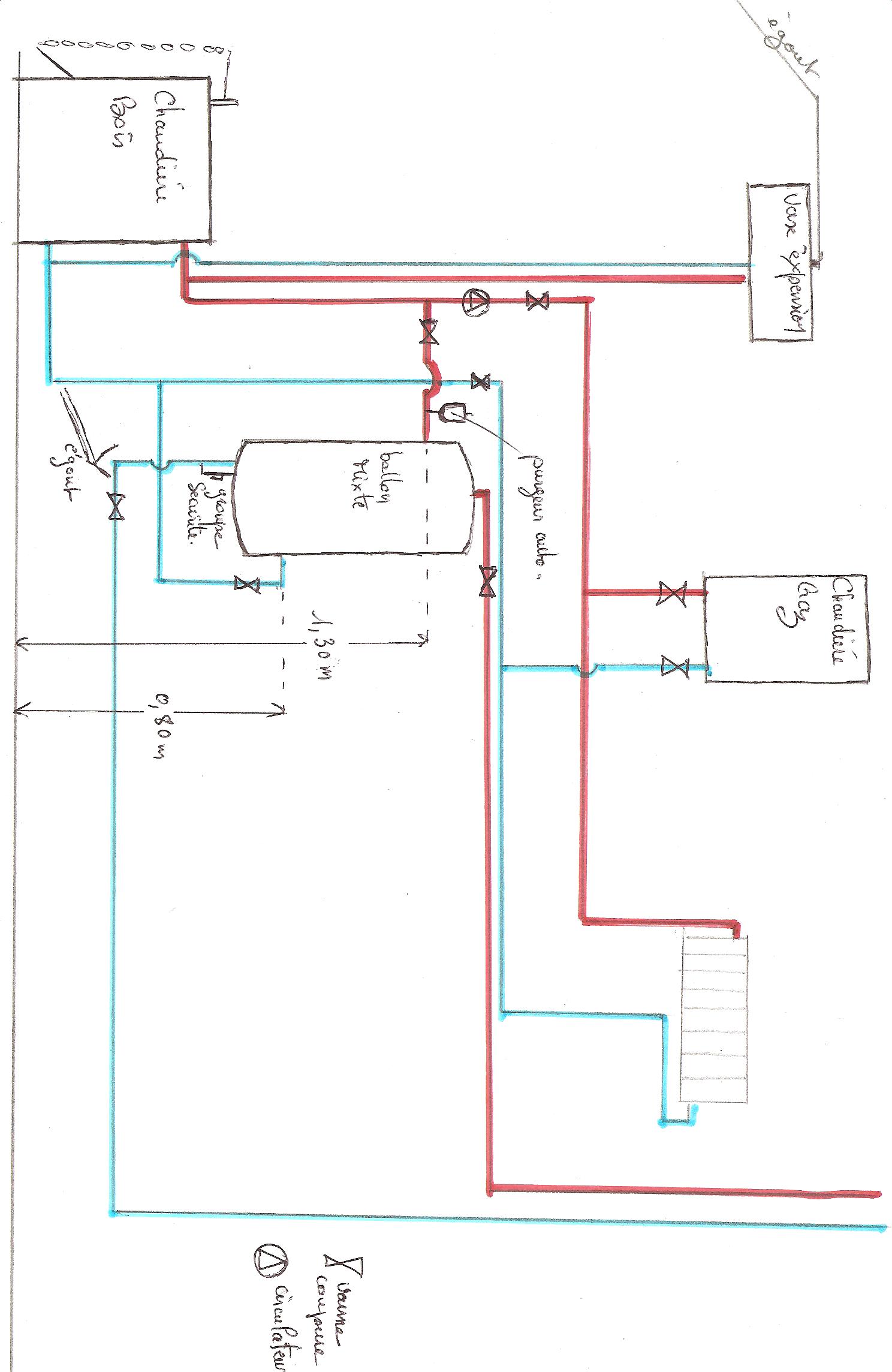
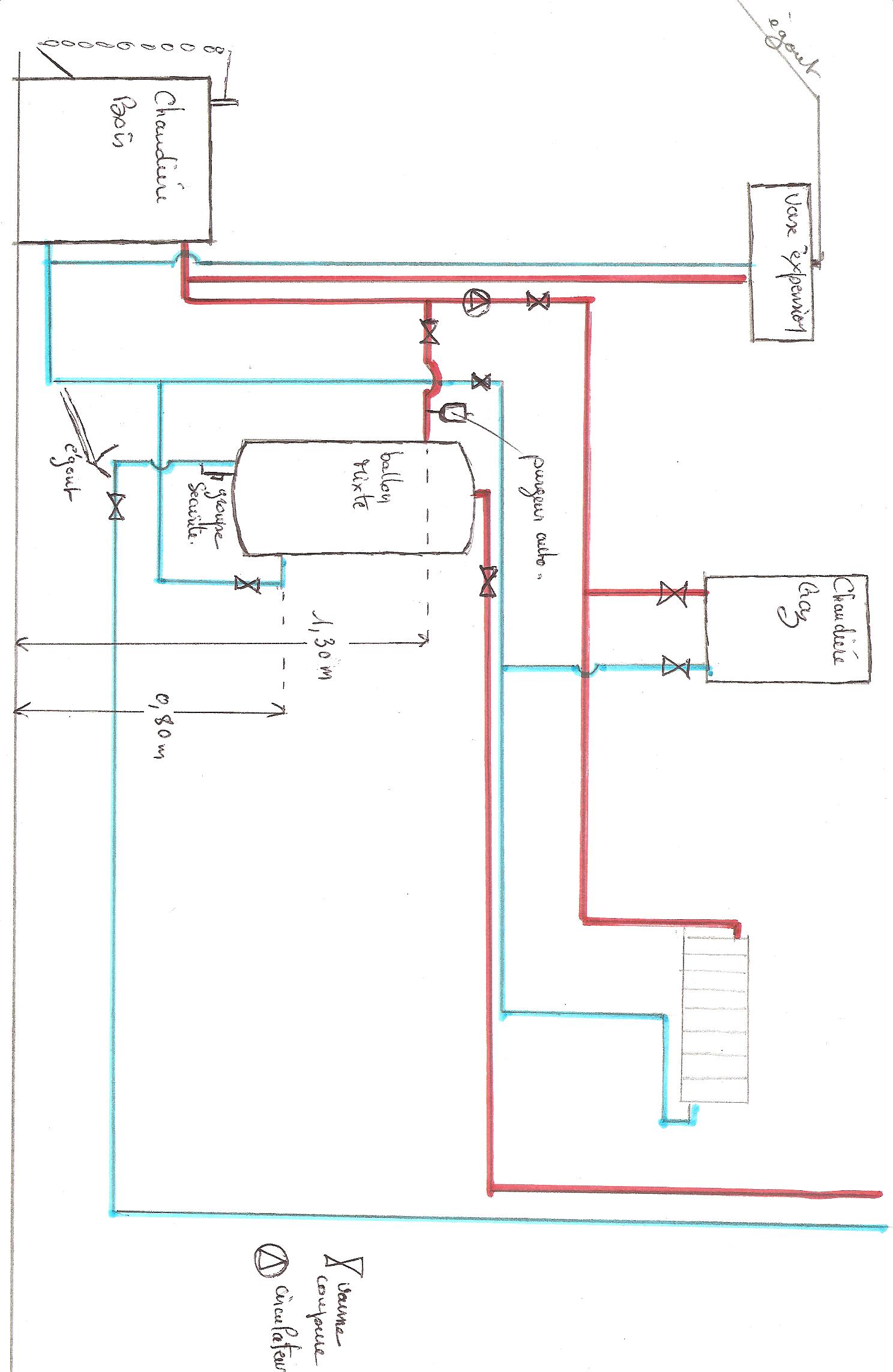
Mon installation de chauffage est composé d'une chaudière à bois et d'une chaudière au gaz qui fonctionne parfaitement mais lorsque je suis au bois je n'arrive pas à contrôlé précisément la température et nous avons beaucoup trop chaud dans la maison (souvent 30°). Pour utiliser ce surplus d'énergie j'ai donc envisager de mettre un chauffe eau mixte (bois et électrique).
J'ai récupéré un chauffe eau mixte 200 litres de marque De Dietrich en bon état. Le problème c'est que je ne sais pas comment se raccorde cet appareil. Donc il y a sur les deux cotés une entrée ou sortie de gros diamètre (environ 40 mm).
Au dessus une sortie en 14/16 et en bas deux sorties ou entrée dont une(la droite) est fermée par un bouchon. Alors mes questions: 1/ Est ce que je peux réduire ces deux grosses sortie car mon installation de chaudière est en 26/28 cuivre.2/ me dire comment raccorder ce chauffe eau; Je remercie ceux qui pourront me donner ces renseignements




