Sujet : (Résolu) Installation du thermostat NEST 3G pour ECS
Bonjour,
J’espère que vos condition de confinement a chacun sont bonnes,
J'ai une chaudière qui gère chauffage et ECS (marque athena 2 CH 20 type B23)
J'ai installé le thermostat en tant que thermostat d'ambiance (ca marche au top).
Désormais je veux aussi pouvoir géré mon eau chaud en mettant en route la chaudière pour chauffer l'eau seulement pendant les heures creuses (le thermostat nest a cette fonction), Où brancher le contact 5-6 du NEST ?
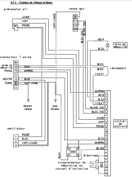
En P.J. :
1- Schéma électrique du NEST
2- Schéma électrique de ma chaudière
3- Photo de ma chaudière
4- Mode d'emploi de ma chaudière : http://inovatherm.free.fr/cariboost_files/doc215.pdf


