Sujet : Avis sur réseau alimentation eau en multicouche
Bonjour à tous,
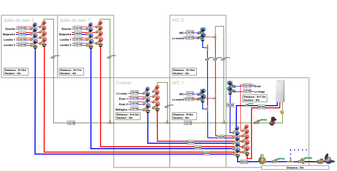
Je rénove actuellement une vieille maison sur 2 niveaux et je travaille sur le réseau d'alimentation d'eau, que je souhaite faire en multicouche. J'ai trouvé sur le forum beaucoup d'informations et d'illustrations grâce auxquelles j'ai pu avancer dans mon projet. Je suis arrivé au schéma ci-dessous.
Quelques précisions :
Initialement, la maison comportera les pièces d'eau suivantes à alimenter : 2 salles de bains, 2 WC, 1 cuisine + cellier, 1 buanderie. Dans un second temps, 4 chambres d'hôtes avec salles de bains individuelles seront créées. C'est pourquoi l'alimentation principale de la maison est sur le schéma en PE diamètre 32. Est-ce qu'un diamètre 25 serait suffisant, y compris pour les évolutions futures ?
J'envisage d'installer une chaudière Saunier Duval Duomax Condens de 35kW, avec un ballon ECS de 90L, sur lequel je peux à priori venir brancher le retour d'une boucle ECS. Les différentes pièces d'eau étant assez éloignées, de l'arrivée d'eau (le compteur est à 9 mètres de la nourrice principale et les pièces se situent entre 1.5 et 14m de cette nourrice), je compte mettre en place un bouclage.
Si l'un d'entre vous pouvait me dire si des choses doivent être modifiés, je suis preneur. Merci à vous !


