Sujet : Schéma de rénovation multicouche à valider
Bonjour à tous,
Rapide présentation : 38 ans, marié, deux enfants. De profession plutôt intellectuelle que manuelle mais j'aime bricoler donc rien n'est perdu ! LOL
Je viens d'acheter une maison avec beaucoup de travaux. Je sais faire des choses mais je vais devoir m'attaquer à des pans entiers de travaux jusqu'alors inconnus et non maitrisés...comme la plomberie et l'électricité par exemple. Mais j'aime les travaux et j'aime appendre donc ça va le faire.
Caractéristiques de la maison :
- 200m2 habitables
- une buanderie
- 2 salles d'eau et une salle de bain (éloignement max entre les 2 SE, 15 à 20m)
- même genre d'éloignement max. entre les chauffages les plus éloignés
- Vieux murs en pierre épais dont je vais reprendre toute l'isolation
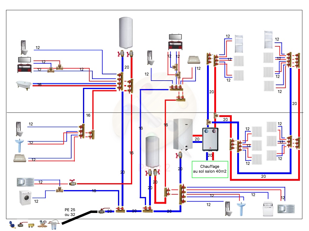
Comme travaux, je dois refaire l'intégralité du réseau d'eau sanitaire et de chauffage. Je me suis renseigné et il semble que le mieux soit de tout passer en multicouche, chose qui me convient bien. Et comme je dois refaire l'isolation, je compte en plus tout encastré.
Ayant le plancher de mon futur salon de 40m2 à refaire entièrement, je vais en profiter pour mettre le chauffage au sol. J'ai dans cette pièce qui est une ancienne grange une hauteur sous plafond de 3 à 4 m donc je pense que ça devrait être le meilleur compromis pour avoir un chauffage de qualité (sensation, coût,...).
Voici mes premières question pour ce nouveau projet !
Première question : Si je mets le chauffage au sol dans le salon, dois-je rajouter des chauffages dans la pièce en complément (sachant que je compte mettre un poil à peler dans cette pièce pour l'ambiance et pour avoir un point chaud).
Deuxième question : je compte mettre une chaudière à peler (le modèle reste à déterminer) pour le chauffage (sol et radiateur) et je me demande si je dois (ou si c'est possible) m'en servir pour produire de l'eau chaude sanitaire ? Pour information, la maison devrait avoisiner les 200m2 et le point le plus éloigné de la production d'eau chaude sont à 15 à 20m (chauffage et salle de bain). Est-ce que je n'ai pas plus intérêt à passer par deux chauffe-eau (comme j'ai fait dans le schéma) qui pourrait être plus économique (à cause des pertes de chaleurs dû à la distance)
Autre question qui découle du choix de la chaudière pour la production d'eau chaude sanitaire, dois-je installer un ballon tampon ou n'y a t'il aucun intérêt ? D'ailleurs, j'ai compris qu'il servait à stocker de l'eau chaude mais à quoi ça sert si elle est produite en direct et à volonté avec la chaudière ?
Si je passe par la chaudière pour produire de l'eau chaude, je vais mettre en place un circuit de bouclage d'eau chaude pour palier ce problème de distance. D'ailleurs me confirmez-vous le fait qu'il faille opter pour du multicouche isolé pour acheminer l'eau chaude au points les plus éloignés ? Et de manière général, y a t'il une grosse perte de chaleur en fonction de la distance avec du multicouche ?
Dernière question (avant d'autres) : Que pensez-vous de mon schéma d'installation ci-dessous ? Sur ce schéma, j'ai utilisé deux chauffe-eau électriques pour la production d'eau chaude mais je le modifierais si il vaut mieux passer par la chaudière.
Comme vous pouvez le voir j'ai beaucoup de questions car c'est un sujet que je ne maîtrise pas encore. C'est d'ailleurs pour cela que je viens vous voir...;-)
Merci donc pour votre aide, votre temps et vos conseils.
N'hésitez pas, je prends en compte toutes les remarques.


