bonjour
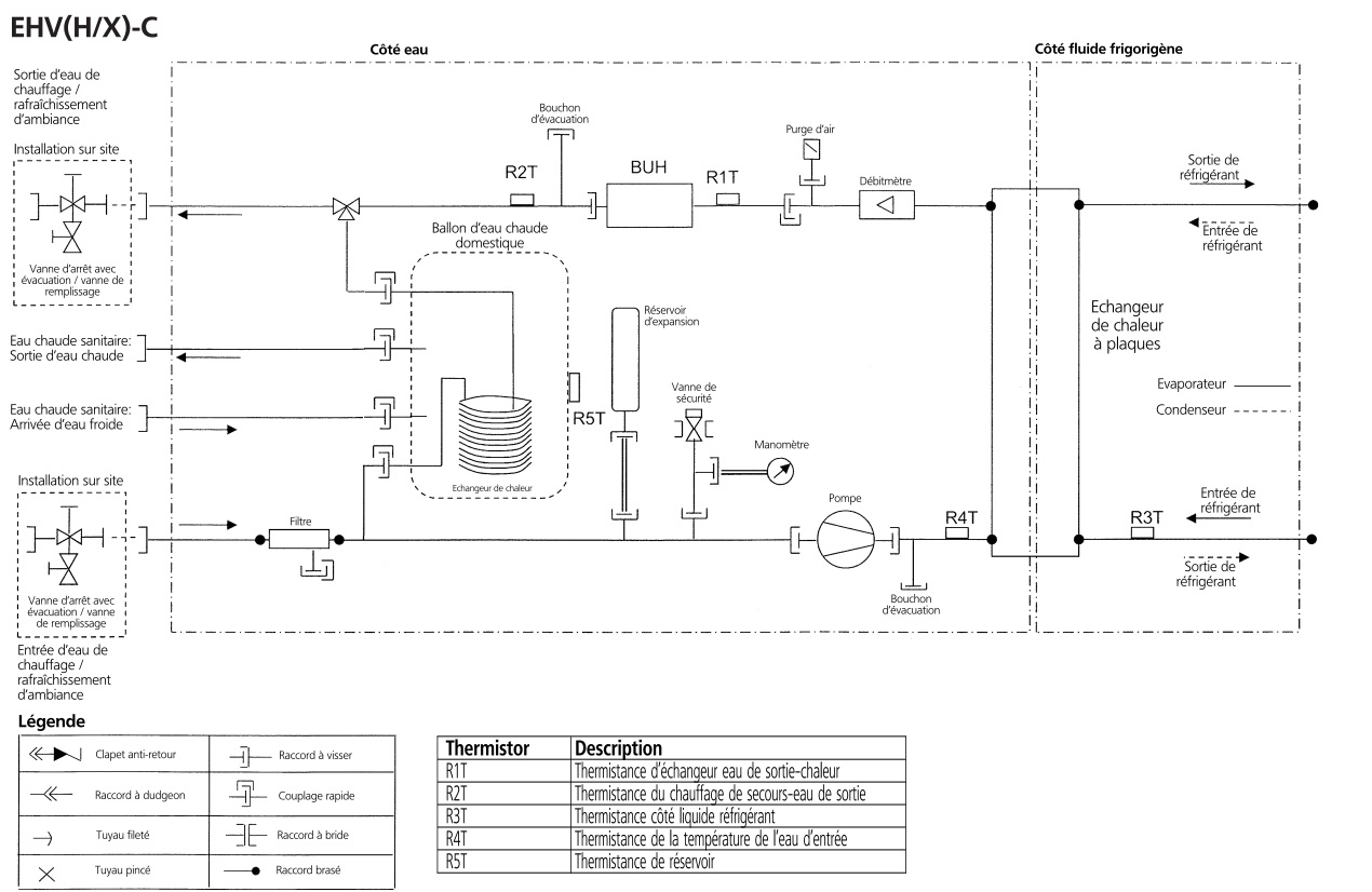
J'ai trouvé des docs techniques de type général mais pas de schéma hydraulique de la PAC, ce n'est pas la même que la mienne, d'après ce que j'ai vu c'est des modèles monobloc réversibles avec préparateur ECS inclus.
je suis surpris par la faible puissance de la PAC, un bilan thermique a été fait pour la maison?.
il faut bien savoir que la puissance donnée est pour une température extérieure de + 7°c, plus la température extérieure va chuter et plus la puissance disponible de la PAC va chuter aussi, j'ai pas vu les diagrammes de puissance, mais c'est possible que par -5°c ext on se retrouve avec une puissance de la PAC ramenée à 4 ou 5kw.
et dans ce cas ça sera les résistances électriques de secours qui vont compenser, et là je vois pas l'intérêt des PAC qui fonctionnent jusqu'à -20°c si elles ont plus rien dans le gilet.
personnellement j'ai préféré prendre une PAC plus puissante ( voir si possible avec la puissance au compteur elec) et avoir de la réserve quand les températures sont basses ( suivant la région où on habite)
j'ai même aussi une chaudière en relève au gaz que je met en service en dessous de -2/-3°c, j'ai fait un comparatif de coût, avec des températures si basses même si la PAC peut fonctionner, le COP est si faible que le kw au gaz revient moins cher.
autre info, quand dehors il gel, l’unité extérieure se prend en glace et la PAC passe pas mal de temps en mode dégivrage, pendant le mode dégivrage, il n'y a pas de chauffage.
les COP donnés par les fabricants ne tiennent pas compte du temps passé en dégivrage, sinon ils seraient bien inférieurs.
Pour en revenir au schéma, chez moi j'ai mis une bouteille tampon montée en mode découplage, soit réseau primaire PAC et secondaire radiateur avec bien sûr une pompe en plus commandée par un thermostat d'ambiance.
Le circuit primaire de la PAC est régulé par loi d'eau.
Par contre,pour avoir aussi la possibilité d'irriguer les radiateurs directement depuis la PAC en cas de panne de mon circuit secondaire, j'ai un bypass sur le départ avant la bouteille, ça me permet de diviser le débit de la PAC qui est supérieur à celui que j'ai besoin sur mes radiateurs, et ça peut servir de décharge en cas de fermeture des radiateurs.
ci joint ton schéma modifié et pour info celui de chez moi
Sujets pièces jointes
daikin.png 404.81 kb, 474 téléchargements depuis. 14-06-2017

schema chauffage maison.png 256.13 kb, 451 téléchargements depuis. 14-06-2017
JR