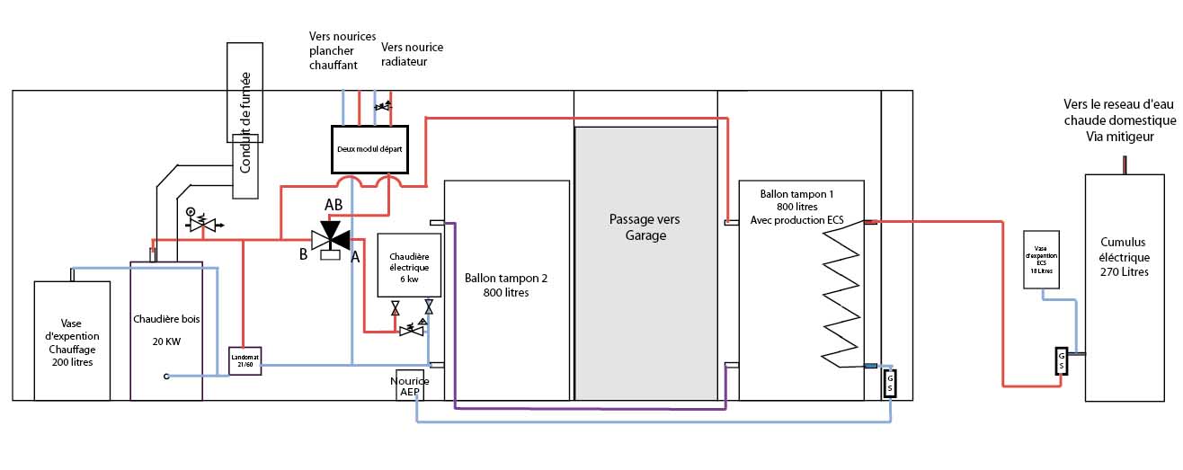
Re : installation avec deux sources de chaleur
Re.
Souvent on n'utilise pas les termes biens adéquats, et cela peut en effet porter la confusion.
Une vanne d'inversion : inverse le sens d'un flux de A vers B ou vers C. Il est aussi possible de faire en sens inverse B ou C vers A.
Une vanne de zone. c'est une vanne tout ou rien, elle permets on ne permets pas la circulation d'un flux depuis ou vers une zone donné.
Une vanne de mélange, permet de mélanger un flux depuis A et B vers C ou a l'inverse depuis B ou C vers A.
Une vanne trois voies peut faire n'importe lequel de ces rôles.
Si elle est commandé par un thermostat, (elle s'ouvre ou se ferme en totalité) = Vanne de zone ou d'inversion
Si elle est commandé par une régulation (elle s'ouvre ou se ferme partiellement selon la commande de la régulation) = Vanne mélangeuse.
Une électrovanne normalement ouverte, se ferme avec l'arrivé du courant electrique.
Une électrovanne normalement fermé, s'ouvre avec l'arrive du courant electrique
Dans les deux cas, l'action inverse s'effectue avec la coupure de courant electrique.


