Dans la page d’introduction aux installations, nous détaillons les installation en pieuvre ou piquage.
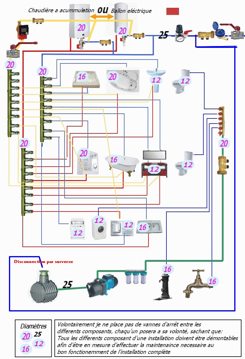
Ici nous avons dessiné un schéma qui peut servir de modèle pour toute installation de plomberie sanitaire.
Bien sur nous avons dessiné une chaudière et un ballon électrique, mais on n’installe pas les deux, une seule production suffit, cette page nous aider a la choisir.
Il m’appartiens de prevenir que le tracé orange équivaut au bouclage et le bouclage n’est pas possible sur les chaudières a production instantanée, il est indispensable d’avoir de l’eau accumulé pour pouvoir réaliser un bouclage.
Schéma modèle pour installation individuelle

Concernant l’eau de pluie, il existe des gestionnaires qui peuvent etre alimentés avec la cuve et avec l’eau de ville, le gestionnaire assure l’ui même la disconexion par surverse tout en aspirant l’eau de la cuve si elle en contiens, ou en s’alimentant depuis le reseau.
Si vous n’arrivez pas a trouver ce genre de matériel, il est primordial d’alimenter alors la cuve en eau de ville en respectant la disconnexion par sur verse. Un dossier complet sur la récupération d’eau de pluie se trouve ici.
Schéma modèle pour installation collective ou sur étages
Pour les installations sur plusieurs étages, il est conseillé de poser des réducteurs de pression a chaque étage au lieu de poser un réducteur sur l’arrivée générale.
Cette astuce, bien que plus coûteuse apporte un confort supplémentaire lors de l’utilisation, ainsi elle permet aussi de réduire les coups de bélier.

Le bouclage d’eau chaude
Le tracé orange équivaut au bouclage, bien entendu ce bouclage n’est possible que sur l’eau chaude accumulé, il ne fonctionne pas sur chaudières a production instantané.
