Toutes mes réponses sur les forums
- AuteurMessages
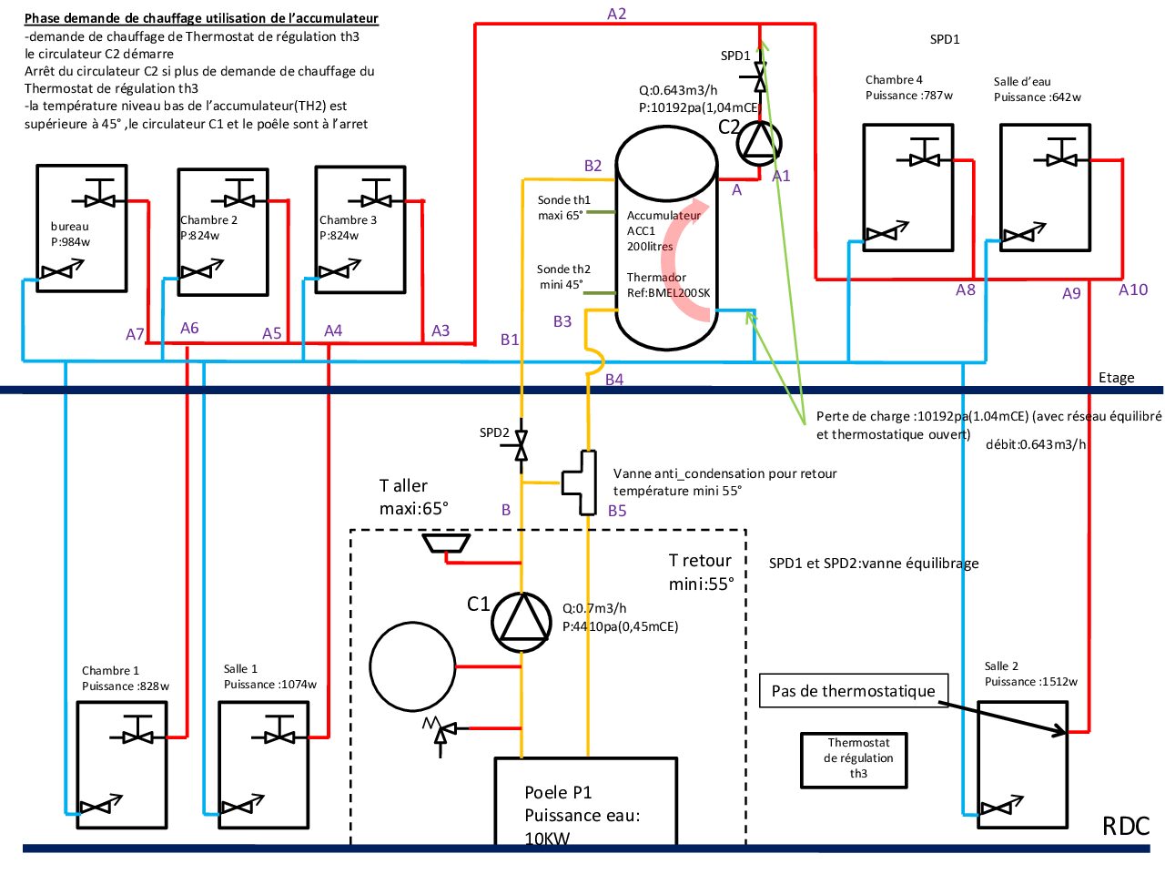
bonjour
le poêle démarrera avec la sonde th2 si la température est inférieure à 45c° et il s’arrêtera avec la sonde th1 si la température est supérieure à 65c°.
je met une consigne de température eau à 65° ,il gère lui même sa puissance pour maintenir cette température.
le schéma vous semble t il correcte
cordialement
bonsoir
je vous remercie pour vos réponses
effectivement la soupape SP1 peut être difficile à régler.
le vanne SP2 permet d’augmenter les pertes de charges afin d’obtenir le bon débit pour les radiateurs les pertes de charges.
j’ai une autonomie de 1h40 à mi saisons(temp ext
° .je suis limiter par l’encombrement de du ballon.
j’ai une autre solution avec un ballon à 4 piquages.cela est il plus facile à gérer que la 1er solution
cordialement
Attachments:
- AuteurMessages
° .je suis limiter par l’encombrement de du ballon.