› Communauté › Plomberie › Installations de plomberie sanitaire (schémas) › Remplacement réseau chauffage en acier par du multicouche diamètre 20
- Ce sujet contient 1 réponse, 2 participants et a été mis à jour pour la dernière fois par
Nadial, le il y a 11 mois et 2 semaines.
- AuteurMessages
Bonjour à tous,
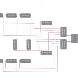
Je me présente: Je m’appelle Zied et j’ai niveau débutant en plomberie. Je prévois de faire des travaux dans mon sous-sol, notamment le réseau du chauffage. Mon objectif est de remplacer les anciens tuyaux en acier par du multicouche isolé en diamètre 20 mm.Ma maison est de plain-pied. Le sous-sol accueille les radiateurs 1 et 10, tandis que les radiateurs 2 à 9 se trouvent au rez-de-chaussée.
Voici comment je compte organiser les connexions :
Radiateurs 1 et 10 reliés entre eux avec un raccord en T
Radiateurs 2, 3 et 4 reliés entre eux avec un T
Radiateurs 5 et 6 reliés entre eux avec un T
Radiateurs 7, 8 et 9 reliés entre eux avec un T
Chacun de ces ensembles sera relié à deux nourrices : une pour l’alimentation en eau chaude, l’autre pour les retours. J’utilise des raccords multicouche à sertir té réduit D20-16-20, avec des départs en diamètre 16 vers les radiateurs. Les radiateurs les plus éloignés de la chaudière sont les 7, 8, 4 et 3, à environ 15 mètres. La superficie de la maison est de 80m². Et mes radiateurs ne sont pas énormes.
Je joins un schéma pour plus de clarté.
Pensez-vous que cette configuration est faisable et que le schéma paraît cohérent ?
Merci d’avance pour votre retour.Attachments:
Bonjour.
Tu peux faire ça mais ce n’est pas optimisé, tu risques d’avoir certaines banches favorisé ou défavorisés.
Une ligne par radiateurs c’est mieux, mais si tu ne peux pas faire des lignes individuelles, faits comme tas dessinés.
Mais lorsque que tu alimentes plus d’un radiateur tu passez en 20.
12/16 est pour un seul radiateur.
- AuteurMessages
› Communauté › Plomberie › Installations de plomberie sanitaire (schémas) › Remplacement réseau chauffage en acier par du multicouche diamètre 20
