› Communauté › Chauffage et climatisation › Bouilleurs, Chaudières bois, Solaire, Pompes a chaleur › Problèmes de température Pompe à Chaleur
- Ce sujet contient 59 réponses, 3 participants et a été mis à jour pour la dernière fois par
oceans, le il y a 2 années et 1 mois.
-
AuteurMessages
-
-
Bonjour à Tous !
J’ai franchi le pas et ai échangé ma chaudière toute neuve que j’avais remise en état et qui chauffait parfaitement …par une pompe à chaleur en essayant de profiter des soi-disant aides promises .
C’était en février 2023 et l’installation a été faite par une entreprise de Berre 13 – BV TECH .J’ai rencontré toutes les difficultés mais pour l’instant ,je n’ai pas vu l’ombre d’une seule aide (fin décembre 2023)
Alors qu’avec la chaudière ,la température montait immédiatement dans la maison et que les radiateurs étaient chauds ,avec la pompe ,il faut 5 heures et demi pour faire monter la température de deux degrés (plusieurs essais réalisés )
Pensez -vous que c’est normal ?
J’ai le grand regret d’avoir voulu changer la chaudière .
AmicalementAttachments:
-
Anonyme
Sans rentrer dans les details je trouve que 5 heures pour 2 degrés c’est assez long.
Moi je laisserais la pompe tourner en permanence dans la position confort.
Mais il y a peut etre un soucis des réglages.Si vous désirez en discuter, on peux essayer d’améliorer la situation.
Quelle marque est la pompe
Comment chauffez vous ? Radiateurs ou PCComment est géré la pompe? comment la température de départ est réglé?
La pompe dispose d’une bouteille de découplage ou elle est raccordé directement au circuit?
A quelle température l’eau de parts vers l’installation?Dites nous un peux plus sur l’installation
-
Bonjour Darius et merci pour la réponse rapide .L’installation de la pompe s’est faite en février 2023 et a connu toute l’année des problèmes de finalisation dus au laxisme et certainement à l’incompétence de cette société à tel point que la « mise en fonction ? » s’est faite en décembre ..L’installation a été une catastrophe .Je passe !
Je ne me suis pas encore intéressé vraiment à cette pompe . La marque est Hitachi .Le moteur est placé sur un mur extérieur et communique avec la cave par deux tubes à travers des murs -maîtres .Les tubes passent dans le vide sanitaire et traversent la maison .
J’ai remarqué et il y a eu des témoins qui me l’ont dit que le moteur extérieur faisait des explosions (le terme est fort mais juste) dans un nuage de brouillard .Puis tout se rétablit !
Le radiateur situé dans la salle à manger est en aluminium (les autres sont en fonte) et résonne du bruit de l’échangeur (?) en gris sur les photos , situé à la cave à au moins plus de 15 m . Çà ,l’installateur n’en avait pas fait mention et pour lui ,cela ne poserait aucun problème sauf qu’il y a désormais un bruit permanent dans ce radiateur .La maison est chauffée par des radiateurs qui n’arrivent pas à être aussi chauds qu’avec la chaudière .Avant ,ils pouvaient être très chauds .Aujourd’hui ,on pourrait s’asseoir dessus .La main ne risque pas de chauffer..Cela explique pourquoi il faut tant de temps pour monter de deux degrés .
Le pire est que le moteur extérieur fonctionne en permanence du matin au soir .Je l’ai écrit ; 2 degrés pour 5 heures et demi de fonctionnement du moteur .Pour l’installateur ,c’est normal mais je pense qu’il est incapable (j’en suis certain!) et qu’il devrait reprendre ses cours . Un simple radiateur électrique ferait mieux pour moins cher et moins encombrant !Je ne connais pas la position Confort car je n’ai pas (encore !) touché au tableau .J’ai vaguement entendu que la température de sortie ou d’entrée était de 13 ° C mais je n’en ai pas tenu compte .
Je ne sais pas à quelle t° l’eau part vers l’installation mais j’ai un peu tripoté pour la première fois le tableau et je crois que c’est 47 ° .Il n’y a pas de notice pour le tableau afin de faciliter l’accès et le problème est que c’est urgent .La situation dure depuis presqu’un an et aucune prime n’a été remboursée .Même gestion administrative que celle de l’installation .
Merci Darius et à bientôt ! -
Suite photos
Attachments:
-
Anonyme
Bonjour.
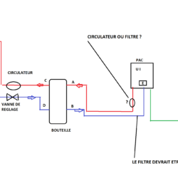
Je ne vois pas le circulateur qui envoi l’eau aux radiateurs au plancher chauffant. « Circuit secondaire ».
Sans un circulateur au depart de la bouteille, vous aurez toujours des difficultés, car le flux de la pompe va boucler dans la bouteille… Et la partie entre la bouteille et le circuit fonctionne par thermo dynamie.
C’est bien fait mais dans ce type d’installation, la pompe produit et envoi la production vers la bouteille, puis il faut généralement un module secondaire qui gère la partie chauffage.Exemple: https://www.youtube.com/watch?v=jWOv4XINR7Y
Pour les pompes installés en primaire, sans circuit secondaire, la bouteille se pose seulement sur le tuyau du retour en plus il faut toujours un robinet ouvert ou une soupape différentielle de façon a ce que la boucle se fasse au minimum sur la bouteille. Questions de temporisation.
-
Bonjour Darius et à ceux qui me liront !
Je joins quelques photos où j’ai signalé le circulateur .Il est en position max III.
Il n’y a pas de plancher chauffant .. Je ne me souviens pas ce qu’est l’instrument placé sur le tuyau (photo ) ???
Plusieurs questions !
La bouteille fait un bruit continu même sans chauffage et je me demande si c’est elle qui transmet des vibrations jusqu’au radiateur en alu de la salle à manger situé à 15 m .Une de mes amies a la même configuration faite par un autre installateur et aussi un radiateur en alu qui ne fait aucun bruit .Le mien fait du bruit en permanence ,même avec le chauffage arrêté .Pourquoi y a -t’il parfois des nuages de brouillard issus du moteur extérieur qui l’enveloppent entièrement ? Cela arrive régulièrement !
J’ai pu enfin m’intéresser à la centrale et ai fait quelques photos .
Pourquoi la montée en température de 2 degrés se fait -t’elle en 5 h30 .Je viens à nouveau d’en faire l’expérience ..T°ambiante 19 et mise en marche à 9h30 .Demande 21° .Arrêt volontaire du moteur à 16h30 passés . Le moteur fonctionnait à fond depuis le matin >>> T° 20°5 max .Si quelqu’un me dit que c’est normal ! ? ….Le moteur est très sollicité pour une augmentation de seulement 2 degrés et à ce rythme ,ne durera pas longtemps .Une « raclette » dans la salle à manger chaufferait plus vite ! Avec la chaudière Chappée ,les radiateurs chauffaient immédiatement (quels regrets!) et la température était atteinte rapidement .Quel est l’intérêt d’une pompe à chaleur ? Le radiateur électrique et les clims chauffent rapidement et sont bien plus efficaces . C’est la pompe à chaleur de ma mère qui doit mettre la clim + un radiateur électrique pour ne pas avoir froid …Un comble ! (la maison est bien isolée)
Peut -t’on monter la température de la pompe ? (Sans se servir du thermostat!) .Dernièrement avec le mistral ,la température a chuté d’un coup et le chauffage de la pompe est très insuffisant et trop long !L’installation première était une véritable catastrophe et j’ai dû intervenir .Le simple démontage s’est fait dans une mare d’eau et de suie que j’ai dû nettoyer pendant deux semaines avec l’aide d’amis .J’ai fait refaire deux fois toute l’installation sans modifier les trous et percements déjà faits pour en arriver à cette installation . Le ballon d’eau chaude sanitaire lui-même était très incliné et prêt à tomber un jour ou l’autre . , C’est pourquoi je me méfie de cette société dont les installateurs ont de la bonne volonté mais sont tout simplement incapables , incompétents et non professionnels . Je leur ai dit !
J’ai moi-même isolé les tuyaux de l’installation .C’était trop compliqué de leur demander et plus vite fait par moi-même .Je n’ai pas encore eu le temps de finaliser la pose de goulottes sur les tuyaux extérieurs . Je ne peux même pas tout dire !Quel est ce module secondaire qui gère la partie chauffage dont vous parlez et quel est son impact sur le fonctionnement du chauffage ? Vous parlez d’un circuit secondaire ou d’un module ?
Cela pourrait expliquer cette température qui peine à monter en autant de temps ? Les radiateurs ne sont même pas chauds et à peine tièdes .Pour moi et d’autres qui ont vu l’installation ou ceux qui ont une pompe à chaleur ,ce n’est pas normal .Je l’ai dit : un radiateur ou la clim feraient l’affaire et seraient moins chers !Je reviens vers la bouteille .Vous me parlez d’un robinet qui doit rester ouvert ou d’une soupape ? Comment le vérifier ! La soupape est incluse dans la bouteille ou est-t’elle située sur le tuyau ? Y aurait -t’il un défaut dans la bouteille ,une fuite quelque part ? J’envisage des hypothèses !
J’ai commencé à prendre les températures sur les radiateurs et tuyaux et le moteur est toujours à fond après 4 h et demi pour un gain de 1,5 degré .Je me demande si le moteur n’est pas trop faible ou mal adapté (basse t°)
Pour les économies d’électricité ,on repassera ,…la facture va être salée !Merci de répondre à mes questions et connaître votre avis et vos conseils sur le bruits de la bouteille et celui du radiateur et bien sûr sur cette température bizarre ! Cette installation bousille mes journées d’autant plus qu’après un an (février ) , ma mère n’a eu aucun remboursement d’aides ……Prenez votre temps pour me répondre mais s’il vous plait ,répondez à toutes mes questions ! Merci pour votre aide !..
Bien cordialement ! -
Suite photos
Attachments:
-
Suite photos
Attachments:
-
Suite …
Attachments:
-
Suite et fin….!
Attachments:
-
bonjour
Vous avez des questions logiques, on va essayer d’y répondre au mieux.
Déjà la puissance de la PAC me parait bonne, 8kw pour 88m3 c’est logique.
Il faudrait par contre vous rappelez comment régulait votre ancienne chaudière la température d’eau , la température devait etre simplement réglée par un réglage manuel, et si par exemple c’était réglé sur 60°c, vous aviez 60°c même si 45°c pouvaient suffirent.
Aujourd’hui la température utile est réglée automatiquement par rapport à la température extérieure, d’après votre photo l’eau devrait sortir à 60°c pour 0°c ext et sortir à 30°c pour 20°c ext.
ça c’est le calcul pour par exemple maintenir 20°c dans la maison quand il fait 0°c dehors. mais dans le cas où les radiateurs sont légèrement trop juste en puissance, il n’y a pas la puissance nécessaire pour rattraper s’il manque quelques degrés au démarrage.
Dans votre cas s’il devait y avoir de l’eau très chaude dans les radiateurs pour un confort optimum, il aurait fallu installer une PAC haute température qui monte au dessus de 60°c ( c’est la température maxi inscrite sur la plaque de votre PAC)
Bon en supposant que les radiateurs sont OK, il faut faire quelques relevés pour trouver le problème.
La pompe à l’air de bien pousser, elle consomme 40w/h , donc logiquement ça doit débiter
Par contre sur le retour il y a un lecteur et régulateur de débit, il me semble; mais pas sûr que sa position devrait etre verticale.
A voir si c’est pas lui qui freine le débit.
Il faudrait contrôler le débit d’eau vers les radiateurs en relevant la différence de température entre le départ et le retour circuit secondaire (après bouteille) avec des thermomètres à applique si possible ou en touchant à la main pour avoir une impression approximative.
il ne doit pas y avoir une différence de plus de 10 ou 15°c
relevez les températures coté primaire entre la bouteille et la PAC, sortie et entrée
on voit que la sortie est à 51°c pour 8°c ext, c’est bien mais il faudrait connaître la température de retour.
nota: 51 pour 8 c’est très bien, en comparaison chez moi ce matin j’avais de l’eau en sortie à 52°c et 38°c en retour pour -2°c ext et 21°c en int, les radiateurs étant bien dimensionnés ça suffit.
NOTA : les explosions que vous entendez c’est le détendeur qui décompresse et les fumées, c’est la phase de dégivrage qui fait fondre le givre sur les ailettes ou les tuyaux et la fumée c’est de la buée d’évaporation.
Le compresseur qui tourne en permanence doit moduler sa puissance (c’est un inverter) donc logique qu’il fonctionne longtemps.
Concernant les vibrations, tout est arrêté, y compris la pompe chauffage? -
Bonjour à Vous et à Tous !
Merci pour votre réponse rapide !18.5 ° à 9H30
20 ° à 15h3O .T° demandée 21 .La pompe n’a pas cessé de fonctionner depuis 9h30 .Il est 15 h15 et le moteur marche toujours à plein régime depuis ce matin .Décibels à fond ! Normal ? Non bien sûr !J’ai relevé tant bien que mal 37 ° au niveau du corps du circulateur .Sur le premier radiateur ,38 au niveau du robinet et 43.5 au niveau du corps sur le radiateur et au milieu
Pour les autres ,c’est à peu près identique .Au niveau du dernier radiateur 40 ° avec des variations jusqu’à 43 sur le corps et sur le dessus .
Au niveau du Δ t ,cela a l’air d’aller ??? Mais ,j’ai constaté que le circulateur n’est pas du tout perceptible en posant la main quel que soit le moment de la journée ..Je ne perçois pas la vibration …Je me demande si l’eau circule bien.
Les températures relevées au niveau des tuyaux A-R du circulateur donnent des chiffres variables et à peu près similaires .Au niveau des tuyaux entrée et sortie de la bouteille 26 et 37 ° mais là aussi c’est variable selon la position des mesures mais beaucoup moins qu’au niveau du circulateur où il y a des gros raccords …La pompe (compresseur) n’est pas « inverter » d’après ce qu’avait dit l’installateur et fonctionne à fond en permanence . Sur la notice ,rien n’est précisé à ce sujet … Pas de puissance modulée !
Le ballon tampon a pour fonction de limiter l’utilisation de la pompe à chaleur. Dans mon cas ,il « pourrait même n’avoir aucune utilité » car la pompe est constamment en fonction et à plein régime.
Oui ,je me rappelle évidemment bien comment se régulait l’ancienne chaudière .Je l’avais réglée à 60 mais on sentait bien la chaleur dans la maison .Actuellement, si j’avais par exemple 45 ° au niveau des radiateurs ,la chaleur ressentie serait trop faible . Il s’agit de la maison de ma mère qui ,justement ,a attrapé un coup de froid ,lequel l’a cloué au lit pendant un mois . Le mistral a soufflé et en hiver ,il transporte tout le froid des régions du nord .Merci ! Moi -même ,je trouve qu’il fait trop froid chez elle (ma mère est âgée) .C’est pourquoi la clim + un radiateur électrique sont mis en marche ce qui n’était pas le cas avec la chaudière .L’instrument dont je ne savais plus à quoi il correspondait est une vanne d’équilibrage avec débitmètre. Je pense qu’elle se positionne horizontalement et verticalement selon les cas … ??? puisqu’il a deux raccords dans le prolongement …
Enfin ,toujours pas d’explication pour le bruit de la bouteille et celui du radiateur de la salle à manger . Le radiateur fait du bruit à cause de la bouteille ,je pense . Une fois tout arrêté ,les bruits évidemment stoppent aussi …
Je pense :
soit le réglage de la PAC doit être revu mais je n’ai pas accès à ces modifications (code ) …
soit le moteur aurait dû être haute température ce qui aurait permis de faire des arrêts comme celui d’une amie que j’ai interrogée hier .Elle a un moteur HT .J’attends votre avis sur cette question car l’installateur n’est pas pressé pour résoudre ces problèmes . Lui a obligation de résultats .Moi ,dans mes activités , j’ai obligation de moyens mais si je devais faire comme lui ,il y aurait des morts dans ma discipline .
Bien cordialementAttachments:
-
SUITE …Il est 17 h 40 et je viens d’arrêter le moteur et le chauffage .Le moteur fonctionne à plein régime depuis ce matin 9h 30 sans arrêt et faisait un tel bruit qu’un voisin pourtant éloigné (la maison est dans la garrigue) m’a fait la remarque .Ma mère n’aura pas de chauffage cette fois encore .
-
bonjour
Si le compresseur tourne en permanence, la chaleur produite doit bien aller quelque part ou alors le compresseur pédale dans la semoule.
Faites l’essai de débrancher électriquement la pompe secondaire qui pousse vers les radiateurs pour
1- voir si les vibrations cessent
2- le compresseur n’alimentera plus que la bouteille et pas les radiateurs, il devrait s’arrêter rapidement de fonctionner une foi la température de consigne atteintevoici un lien, cliquez sur( pièce jointe)et télécharger (yutaki s) pour avoir la fiche technique
https://climaled.fr/pompe-a-chaleur-hitachi-ras-3whvrp1-rwm-30r1e-monophase-yutaki-s-pac-ecs-inverter-split -
Bonjour J’ai cliqué sur le lien et ne vois pas d’info sur yutaki s ? Je tombe sur des moteurs et puis ?
-
J’ai oublié de vous demander ce qu’est la pompe secondaire …Je vous joins quelques photos
Attachments:
-
Bonjour ,
En effet ,la chaleur doit bien aller quelque part mais pas dans la maison et peu au niveau des radiateurs . Le moteur fonctionne à plein régime toute la journée sans discontinuer. Je viens de constater que tout est mouillé sur le sol au dessous du moteur … ?
Où se situe la pompe secondaire ? Vous parlez peut-être du circulateur ?
Est-ce normal que la vanne d’équilibrage avec débitmètre soit horizontale ? Darius a fait cette remarque .J’ai vérifié sur les documents qui montrent toujours cette valve en position verticale .Cela n’expliquerait cependant pas les problèmes de température .
Est-ce normal de ne pas entendre ou sentir avec la main le circulateur en marche ?Dans les installations de PAC que j’ai pu voir ,il n’y a aucun bruit sur la bouteille et je pense que ,si c’était aussi le cas ,il n’y en aurait pas dans les radiateurs de la salle à manger …
La centrale est sur mode Confort .J’ai essayé de le modifier mais je ne sais pas s’il existe d’autres modes .Impossible d’y accéder car il faut le code de l’installateur et je ne comprends pas pourquoi …surtout quand on constate tous les problèmes liés à l’installation …
A bientôt ! -
Bonjour.
Non ce n’est pas normal qu’il y ai beaucoup d’eau par terre au niveau de l’unite externe, ça veut dire que le retour de la boucle n’est pas assez froid, en gros les calories produites par le compresseur ne sont pas assez évacués.
Quand on parle de circuit secondaire ou pompe secondaire c’est tout ce que se trouve entre la bouteille et les radiateurs.
Circuit primaire= Entre production et bouteille
Circuit secondaire = Entre la bouteille et les radiateurs.Je pense que votre vanne de regulation de débit pose problème, regardez comment vous pouvez l’ouvrir a fond afin de neutraliser au maxi son rôle. Ou lors supprimer complement cette piece en la remplaçant même par un flexible pour voir ce que ca donne.
Pour le circuit secondaire, qu’est-ce qui piloterais le Circulateur, Serait-il branché au parallèle avec celui de la PAC ou serait-il piloté par autre chose, suivez son cable d’alimentation pour voir ou il va.
Edit= je me suis interesse a votre vanne d’équilibrage et je constate que vous pouvez lire le débit constant cela vous permettra de voir si le circulateur tourne ou pas.
https://www.caleffi.com/fr-fr/vanne-d%C3%A9quilibrage-avec-d%C3%A9bitm%C3%A8tre-132-caleffi-132402
-
Bonjour ,
Pour l’eau sous le moteur ,ce n’est pas fréquent mais ça arrive de temps en temps alors qu’il y a un tuyau d’écoulement .
Si le circuit secondaire est situé entre la bouteille et les radiateurs ,il englobe donc le circulateur .Quand j’y colle l’oreille ,on entend une petite vibration qui correspond aux pales .Mais c’est minime et je ne sais pas si le circulateur fonctionne tout le temps et normalement ?
J’avais lu le lien sur la vanne d’équilibrage .Elle est réglée au max .Voir photo ! De toutes façons, je ne peux pas laisser le moteur en fonction continue toute la journée pour une augmentation de 2 degrés .Le moteur ne tiendra pas longtemps et je ne sais pas d’où provenir ce problème .Le fil du circulateur arrive dans ce boîtier puis repart
Bien cordialementAttachments:
-
Je n’ai pas touché la vanne réglée au max 40.
Le circulateur indique 18 ? Quoi ? Je n’ai pas réussi à lire par manque d’espace -
Je n’ai pas touché la vanne réglée au max 40.
Le circulateur indique 18 ? Quoi ? Je n’ai pas réussi à lire par manque d’espaceAttachments:
-
Suite :le fil du circulateur arrive par le haut
Attachments:
-
Anonyme
Avec cette dernière image, il semble que le circulateur pousse 1.8m³/h, a distance ont ne pourrais pas vous dire ce qui ne vas pas.
Avez vous essaye de mesurer les températures de départ et celle du retour.
-
Bonjour Darius ,
Oui ,j’ai donné les réponses dans les messages précédents .Je dois dire que je ne sais plus quoi penser mais que j’ai une certitude ,celle que la pompe à chaleur ne fonctionne pas normalement et c’est le moins qu’on puisse dire … -
Bonjour
Il me semble qu’il y a plusieurs problèmes sur cette installation
1-Trop de débit d’eau vers les radiateurs, si c’est bien 1,8m3/h, alors il y a le double de ce qu’il faut, ce qui explique le bruit et vibration, il faudrait régler le circulateur et la vanne de réglage.
2- Est ce que comme demandé vous avez arrêté le circulateur radiateur pour voir en combien de temps se coupait le compresseur?
3- Le réglage d’eau de la pac parait correcte 51°c pour 8°c extérieure, si ça ne suffit pas c’est que la maison est une passoire thermique, ou les radiateurs trop petits, ou alors la pac n’arrive pas à atteindre les 51°c.
mais une photo nous montre que le circuit 1, l’eau est à 54°c, mais on n’a pas la température du retour il faudrait essayer de voir la différence entre le départ et le retour
4- il y a des messages d’alarmes, 002 thermostat HP et 070 débit d’eau faible du circulateur unité intérieure
002 l’alarme HP est logique si le compresseur tourne en permanence, normalement cette alarme coupe le compresseur et un réarmement doit être effectué pour redémarrer, est ce le cas et que faites vous?
070 il faut nettoyer le filtre qui se trouve sur le retour de la tuyauterie entre la bouteille et l’unité intérieure.Essayez de voir point par point et précisément, fournir les réponses sinon on n’avancera pas
-
Bonjour !En effet, après avoir décortiqué la PAC et les éléments ,il faut avancer .Je revois votre message et vous réponds point par point .
Je précise que la maison n’est pas une passoire .Avec la chaudière, il n’y avait aucun problème de chauffage et les radiateurs sont en fonte de volume approprié sauf les 2 de la S-à-M ce qui était déjà le cas avant .A bientôt ! -
J’ai déjà pris différentes températures sur le circuit mais où dois-je prendre celle du retour ,à l’endroit le mieux approprié ?
-
Le mieux c’est sur les tuyaux entrée et sortie de la bouteille
Côté PAC et côté radiateur -
Bonjour
En effet, trop de débit d’eau vers les radiateurs .J’ai diminué la vitesse du circulateur de III à II et moins puis ai mis le débitmètre à la moitié de sa valeur .Il était déjà au max .Conséquence:le moteur tourne maintenant plus lentement et n’est plus à fond .Mais il ne s’arrête apparemment pas et fonctionne en continu pour un passage de température de 19.5(ambiante) à 21 ° .Il est 16 h et il fonctionne en continu depuis ce matin 9 h sans avoir atteint la température ..Avec la chaudière ,la température du thermostat était atteinte très rapidement et il faisait chaud dans la maison .Actuellement, on est obligé de mettre des pulls et la clim .
J’ai fait quelques mesures :
Au niveau du débitmètre 37° d’un côté et de l’autre de la vanne avec 43 sur le corps
Au niveau du circulateur situé juste derrière et en parallèle de la vanne -débitmètre(voir photo ) 23 à l’entrée ,26 sur le corps et 33 à la sortie .Mesures difficiles à prendre et non fiables !.
Au niveau de la bouteille 26 sur une sortie et 32/34 sur l’autre (celle du haut).
Température sur les radiateurs:32 ° sur le plus éloigné prise sur le corps et au centre .En périphérie du radiateur ,elle est moins élevée .
Température de 32,8 sur le radiateur le plus proche ..Eau du circuit à 40 sur l’unité .Le filtre dont vous me parlez ,est le filtre à boue ? Il est neuf .
L ‘alarme HP 002 aurait dû couper le compresseur mais cela n’a pas été le cas .Cette alarme a été signalée de nombreuses fois mais je ne vous ai envoyé qu’une seule photo ..Je n’ai jamais réarmé le système ! Le moteur ne s’est jamais arrêté .
Enfin , je ne sais pas ce que vous nommez « Compresseur secondaire « .Est -ce le circulateur ? Je ne vois rien d’autre ! J’ai coupé le circulateur mais après 10 mn ,le moteur tournait toujours …
Merci pour vos conseils ! A bientôt ! -
bonjour
1-On avance un peu, si le débit d’eau réduit coté radiateur a changé le régime de fonctionnement du compresseur, ça signifie qu’il réagit en conséquence.
2-Je n’ai pas parlé de ( compresseur secondaire)
3-Les relevés de températures autour de la vanne et du circulateur ne nous donnent rien, j’ai fait un schéma où il faudrait relever les températures au même moment, des points: A-B-C-D E température sortie d’eau sur pac, et F température extérieure sur pac
4- Sur les photos on ne vois pas bien ce qu’il y a sous l’unité intérieure de la pac, pouvez vous préciser ce que c’est et si c’est bien placer sur les tuyaux comme sur le schéma.
5-un filtre à boue, même s’il est neuf peut déjà être colmaté par des boues existantes, est ce qu’un rinçage du circuit de chauffage à été fait avant la mise en service?
6-l’alarme HP se déclenche souvent parce que le compresseur n’arrive pas à évacuer la chaleur qu’il produit, les causes sont multiples, à suivre.Attachments:
-
Bonjour !
J’ai remis la vanne -débitmètre à son ouverture maximale mais je ne sais pas si elle fonctionne .La petite bille de réglage ne se déplace pas et reste à zéro . Est-ce que la position horizontale de la vanne a une importance ?Le fait d’avoir diminué la vitesse du circulateur fait que le bruit dans les radiateurs a aussi bien diminué mais est toujours présent .Mais je suis à Vitesse I + Je ne peux pas arrêter le circulateur et donc le bruit continue à exister . Le circulateur est réglé à 13 w et 0.8 m3 .
Non ,ce n’est pas vous qui m’avez parlé de « compresseur secondaire » mais l’un de vos collègues : pompe secondaire .Le problème en passant d’un interlocuteur à l’autre est que je réponds aux questions qui n’intéressent plus le suivant et auxquelles je n’ai pas de réponse .Cependant ,cela me permet d’en apprendre plus sur les PAC .
Je sais bien que les relevés que j’ai faits ,de donnent rien et sont trop imprécis .En se déplaçant ,les températures varient beaucoup …
Je vous joins une photo de la partie inférieure de l’unité .Je pense que vous devez voir le bac à boues ???Oui ,un rinçage du circuit des radiateurs a été fait mais comme je suis tombé sur une équipe de branquignols , j’espère que cela a été fait correctement . J’ai pu voir que l’eau était propre ! J’avais d’ailleurs revu et vidé presque tous les radiateurs antérieurement .
Voici les réponses :(températures prises à l’insertion des tuyaux dans la bouteille et au dessus)
A =36.4
B= 37.2
C= 37
D = 23
E = 56 (photo)
F = 4 (photo)
Le filtre est-t’il sur le retour ? OUI par rapport à la bouteille mais problème de tuyaux inversés par rapport à votre schéma .
Ce que vous n’avez pas perçu sous l’unité est le filtre à boues (photos )
Je ne l’ai pas ouvert car la PAC est en fonctionnement et je me suis demandé s’il n’y avait pas de pression ou de chaleur ? Je le ferais à l’arrêt .A bientôt !Attachments:
-
t° PAC
Attachments:
-
Suite
Attachments:
-
Suite
Attachments:
-
bonjour
Bon au moins là, c’est clair, il y a un problème de circulation d’eau entre l’unité intérieure de la pac et la bouteille.
la température d’eau en A devrait être de 56°c
l’unité intérieure n’arrive pas à évacuer son eau à 56°c, il y a un problème,
– soit au filtre à boue, à voir en premier
-le circulateur d’eau interne de l’unité intérieur
– ou alors l’échangeur est colmaté de boue
commencez par vérifier si la molette ronde de réglage de débit d’eau du filtre est bien ouverte à fond d’après les mesures le circuit radiateur fonctionne correctement.MODERATION= ajout de la documentation
-
Bonjour
Je vais voir tous les points que vous signalez .Mais par rapport à votre schéma ,il y a deux tuyaux qui sont inversés au niveau de l’unité .
-
Bonjour ,
J’ai ouvert le pot et regardé l’état du filtre .
Filtre = Rien à signaler >>>propre .
Par en dessous, le pot a laissé couler avec l’eau un peu de saletés très claires mais sans plus .Dans le pot, je n’ai pas retiré cette espèce de grille (photo) car il n’y avait aucun endroit pour la saisir mais j’aurais pu prendre une pince . Elle était coincée .Je me suis dit qu’elle pourrait faire ressort et que j’aurais des difficultés pour la replacer .Pour cette raison ,je l’ai nettoyée en faisant couler de l’eau au dessus ,laquelle est ressortie claire . A quoi sert cette grille ? (magnétisme?)J’ai retiré le cache de l’unité . Où se trouve le circulateur de l’unité intérieure ? .Je pourrais au moins voir s’il fonctionne .
Ce que vous appelez l’échangeur est la bouteille -échangeur ? .Mais là ,il faut démonter pour voir .Vu qu’il n’y a pas de saletés dans le pot ,je doute qu’il y en ait dans l’extrémité en A .
D’ailleurs ,j’ai relevé les températures pour une température d’écran de 48.
En A = 33
En B = 31J’en reviens à votre schéma et à ceux que j’ai vus .
N’y a -t’il pas une inversion des deux tuyaux sous l’unité ?
Merci pour votre aide précieuse .Attachments:
-
suite
Attachments:
-
bonjour
le dessin est inversé sur mon schéma mais la réalité sur place est correcte, on voit en rouge le vase d’expansion à gauche, l’échangeur en inox à droite et un bloc en laiton en dessous sur le tube retour après le pot à boue, j’ai l’impression que c’est le filtre fourni avec l’unité intérieure.
par contre on voit pas le circulateur, il doit être plus haut sur le départ.
Sur le supposé filtre en laiton, il y a un bouchon en face à dévisser ou on peut faire couler l’eau, il y a un axe carré qui sert à ouvrir et fermer la vidange de l’eau du filtre.
pareil pour le filtre à boue sur le tube, avez vous vérifié le réglage de débit avec la molette ronde comme indiqué sur la doc du lien envoyé?l’échangeur ne doit pas être bouché avec ces deux filtres l’un derrière l’autre et c’est peut être la cause du manque de débit, les deux filtres créent trop de perte de charge.
cherchez le circulateur de l’unité intérieure pour voir s’il est possible de l’accélérer
Vérifiez aussi la purge haute d’air dans l’unité intérieure, il doit y avoir un purgeur manuel ou automatique en point haut de la tuyauterie -
Bonjour
Il y a autre chose de pas normal, c’est le peu de différence de température entre A et B, l’écart devrait être beaucoup plus important surtout avec un débit d’eau faible.
Il faudrait pouvoir toucher pour mesurer la température de départ sortie échangeur (le tuyau le plus chaud) pour comparer à la température affichée à l’écran.
En y réfléchissant même avec un débit d’eau faible la température de l’eau arrivant en A devrait être la même que celle affichée à l’écran.
C’est peut être juste un problème de sonde -
J’ai trouvé la doc,
1- vérifier si la température du tube ou se trouve la sonde 22 est bien à la température indiquée à l’écran. ou si c’est ou se trouve la sonde 23
si c’est pas le cas, alors le problème et là
si c’est le cas, alors:
2- normalement le circulateur doit gérer sa vitesse en fonction du besoin, mais au cas ou, voir s’il y a des réglages de vitesse possibles
3- vérifier si le purgeur d’air auto 6 fonctionne en dévissant le bouchon en plastique noir et en appuyant légèrement sur l’axe interne (comme une valve de chambre à air) il faut que ce soit de l’eau qui sorte (attention de pas en mettre partout)
4- nettoyer le filtre à eau 6https://documentation.hitachiaircon.com/fr/fr/chauffage/rwm-n-r-1e-w?page=1
Attachments:
-
Bonjour ! Tout d’abord un GRAND MERCI pour tous vos conseils et votre recherche .Je reviens vers vous après avoir décortiqué vos informations .Mais tout cela me permet d’en apprendre beaucoup plus sur les pompes à chaleur grâce à vous .A bientôt !
-
Bonjour,
D’abord ,juste quelques questions :
Peut – t’on faire sortir le grillage du pot (avec une pince ? )ou bien est -t’il fixé ?Oui ,je me suis aperçu ,entre -temps ,que les tuyaux étaient bien raccordés à l’unité (couleur rouge )
A propos de la vanne -débitmètre ,j’ai essayé de la régler plusieurs
fois mais la bille métallique ne bouge pas et je me demande si cette vanne fonctionne ???Nouveau relevé de températures
A= 32 / B= 30 / C = 31 /D=30
Écran 48
J’ai remarqué qu’il y avait souvent une alarme du thermomètre radio .Sur le pot à boues ,je ne vois pas de molette ronde , à part au dessus du pot qui est un écrou laiton .Rien d’autre sur l’ensemble .Je n’ai pas vu sur la notice qu’on parlait de ce réglage .
J’ai retiré le cache de l’unité mais impossible d’accéder à la partie arrière .Il y a un bouton entre deux vis (photo )que j’ai enfoncé afin d’ouvrir l’accès et mesurer la température de la sonde mais impossible .Les vis servent -t’elles à sécuriser l’ouverture ?
Les éléments que j’ai pu voir ,ne correspondent pas au schéma .Pas de purgeur pour l’air .Pas de réglage visible sur les éléments .
A bientôt !Attachments:
-
suite
Attachments:
-
suite
Attachments:
-
bonjour
il ne faut rien faire qui pourrait remettre en cause la garantie.
les vis sur le coté tienne le bouton de secours pour mettre l’ecs quand elle est en option
le purgeur auto est bien présent mais on peut pas y toucher, la sortie est raccordée à la vidange
Ne touchez pas au grillage du filtre à boue, mais il faut nettoyer le filtre à cartouche au dessus, voir photo
Avez vous essayé de régler la vanne de réglage suivant la notice,
le débit logique devrait se situé autour de 15 l/mn, mais si le diamètre de la vanne est trop important, la lecture minimum risque de démarrer au dessus de cette valeur et la bille ne se verra pas (voir photo)Attachments:
-
suite
Attachments:
-
Bonjour ,
Oui ,je fais attention à ne pas faire « n’importe quoi » pour conserver la garantie .Les 2 vis tiennent le bouton qu’on enfonce et qui servent à l’ECS en option ?
Je n’ai pas touché au grillage qui a l’air bien fixé , pas plus qu’au purgeur auto directement relié à la vidange .
Mais comment peut-t’on accéder à la partie « mécanique » située derrière la boite électrique .Je n’ai vu aucun accès côté gauche ,les charnières étant à droite . .J’aurais pu mesurer la température de la sonde .
Quant à la vanne, je l’ai réglée plusieurs fois mais la bille ne se déplace pas jusqu’au curseur rouge .Elle reste en position Zéro .même avec le curseur en position maximale . D’après la notice, sa position horizontale est admise !
J’ai nettoyé le filtre horizontal et il était propre..
Les problèmes sembleraient venir de l’unité ????? -
je ne sais pas comment accéder derrière pour avoir les sondes, la face avant est tout le coffret électrique, il se décroche peut être ou y a-t-il des charnières.
si le filtre à boue est propre d’un bout à l’autre on peut alors raisonnablement supposer que le filtre d’origine en laiton de l’unité intérieure est lui aussi propre.
ce qui est incompréhensible c’est que l’écran affiche 48°c alors que l’eau en sortie à 1m plus loin est à 32°c.
problème de sonde alors peut être
en posant en haut la main sur le bas du purgeur automatique, vous devez vous rendre compte si la température est plus proche des 48°c ou des 32°c.Avez vous essayé de faire la phase de purge d’air après la mise en service comme indiquée page 44/45 de la doc, pendant cette phase le débit d’eau s’affiche, ainsi on peut contrôler si c’est ok
https://documentation.hitachiaircon.com/fr/fr/chauffage/rwm-n-r-1e-w?page=1
quelles sont les graduations indiquées sur le contrôleur de débit de la vanne de réglage?
-
Merci pour vos réponses rapides ,logiques et claires !
Pour accéder aux éléments derrière la boite électrique ,il faut dévisser les vis sur la boite .Le système d’ouverture doit forcément être à l’intérieur . Le coffret comporte deux charnières à droite et à l’arrière de la boite . La boite doit pivoter .Mais ,je n’y touche pas à cause de la garantie .
Pour les filtres à boues qui sont propres ,on peut ,en effet, penser que celui de l’unité est également propre.
J’ai posé les mains sur les tuyaux et la température est la même .Je l’ai d’ailleurs vérifiée par un thermomètre :Écran 40
Origine du tuyau d’eau chaude 25
Arrivée dans la bouteille 24/25
Mêmes mesures pour le retour 25Je ne peux pas accéder à la Mise en service pour faire la purge d’air car elle n’existe pas dans l’unité et dans le défilement .
Pour les graduations sur la vanne ,j’ai tout essayé et je l’ai placé au milieu .La bille n’a pas suivi le réglage et s’est à peine décollée
Je me demande si cette vanne-débitmètre fonctionne ?Moteur en fonction depuis 12 h et marche continue mais seulement 1,5 degrés de plus
-
bonjour
le problème de réglage de la vanne de réglage est secondaire, ce n’est pas ce qui empêche l’unité intérieure de chauffer la bouteille.
Si à l’écran la température affichée est de 40°c alors qu’en réalité elle n’est que de 25°c, c’est un problème de mauvaise indication de sonde.
Le régulateur croit que l’eau est assez chaude alors qu’il y a 15°c d’écart.
Est ce que la température du point A de la bouteille est la même que celle au purgeur 6 indiqué sur la photo de la doc . -
Bonjour ,
La vanne ,en effet , est secondaire et n’explique pas le dysfonctionnement de la PAC mais je posais quelques questions au sujet de son fonctionnement qui me paraît suspect!
T° d’écran et relevés de températures sur le tuyau d’eau chaude sont en discordance et c’est anormal .Je pense ,comme vous ,que la sonde est peut-être la réponse ???
Le purgeur 6 est de l’air mais je ne vais plus pouvoir mesurer sa t° car j’ai refermé la protection pour la quatrième fois .A chaque fois ,c’est la galère et l’installateur (le deuxième ou le troisième car les premiers avaient fait une catastrophe!) avait eu des difficultés à le remettre en place . La t° en A est la même que celle relevée sous l’unité près du filtre en laiton . Je verrais si je me risque à retirer le cache une énième fois … ???
Je note que les radiateurs du séjour font à nouveau du bruit (atténué ) comme la bouteille . -
Température au niveau du filtre à air 27
Ecran 43T° ext 17
T° niveau filtre laiton 26
T° bouteille 30 -
bonjour
D’après les différents relevés et vérifications des filtres:
il me semble que le circuit radiateurs fonctionne, il y a une différence de température correcte entre le départ C et retour D à la bouteille.
La circulation d’eau a l’air de bien se faire ( même un peu trop) entre l’unité intérieure et la bouteille ( malgré le message d’alerte indiquant un débit faible) puisque la différence de température entre A et B est très faible (signe de débit important).
Il ne reste plus que le problème de différence de température entre l’affichage au régulateur et la réalité relevée, la PAC croit que l’eau est à la bonne température suivant l’indication fausse de la sonde 22 ou 23.
La sonde 23 capte la température en sortie de l’échangeur, en cas de grand froid, si la PAC n’arrive pas à chauffer l’eau à la température nécessaire, alors les résistances électriques (en 3) s’enclenchent pour faire l’appoint. ainsi la sonde 22 relève la température (échangeur+ ballon électrique) injectée vers la bouteille.
Il faut rappeler celui qui a installé cette PAC pour faire changer la ou les sondes -
Bonjour et un Grand Merci pour tous vos conseils et avis ! J’ai beaucoup appris et ai consulté de nombreux articles .J’ai contacté l’installateur et vous tiendrais au courant pour l’énigme .
A bientôt ! Cordialement -
bonjour, oui merci de faire un retour, ça sera intéressant de connaître la cause
à bientôt -
Bonjour !
Quand c’est fini ,ce n’est pas fini !
Qu’est -ce que ce boîtier entièrement lumineux (qui clignote ) aperçu pour la première fois seulement dans l’obscurité (en rouge sur la photo) ?
Je vous tiens au courant pour la suite concernant les problèmes de la PAC .A bientôt !Attachments:
-
Anonyme
Bonjour Oceans.
Il me semble que ce boitier est un boitier de communication.
Relais thermostat
Récepteur de sonde externeEntre autres.
-
Bonjour !
Je ne vous ai pas oublié afin de vous donner les informations sur les suites de mes problèmes de PAC ! Il s’avère que je suis parti et que par ailleurs, la société BVTECH dans le 13 , a sans cesse repoussé les RV ce qui m’a beaucoup perturbé dans mes activités professionnelles .Mais ,ils n’en sont pas à ce détail près !
Ceci dit ,un « technicien » est venu et a simplement changé les réglages dont celui de la loi d’eau . Il m’a dit que cela ne venait pas des thermistances (3 pour lui alors qu’il y en a 4 >>> il a hésité sur le mot ce qui veut tout dire mais je lui ai au moins appris un mot ! ) .Le problème venait comme j’y avais pensé au tout début, du réglage de la loi d’eau mais je ne pouvais y accéder .De plus, il m’a accusé d’avoir créé moi-même ces problèmes et ce dysfonctionnement par le fait que j’ avais touché la vitesse du circulateur que j’ai fait passé de III à II puis à I .Il s’avère que ce passage de III à I a fait baisser le bruit permanent et continu dans les radiateurs ,problème qui n’est toujours pas résolu .Il m’a reproché d’avoir touché à la vanne -débitmètre et d’avoir diminué son débit .Mais ,ce n’étaient que des essais car les problèmes existaient bien avant même d’avoir modifié ces deux débits . A quoi servent alors ces réglages s’il faut ouvrir à fond cette vanne ainsi que la vitesse du circulateur ?
La vanne-débitmètre ,est ,d’après lui ,une obligation sur les installations .Je ne sais pas ce qu’il en est et vous me le direz , mais je pense que c’est un mensonge . Il faut dire aujourd’hui ,qu’avoir confiance en cette société relève du fantasme et d’un faux espoir quand on n’a constaté les conditions dans lesquelles l’installation s’est réalisée .Une catastrophe !Actuellement, le chauffage a monté en température et on constate la différence .Cette société a mis un an avant d’intervenir .La pompe n’avait jamais fonctionné sauf pour quelques essais .
Avec le bruit continu dans les radiateurs ,le moteur extérieur fonctionne ,malgré tout ,en continu ,même quand la température du thermostat est atteinte .Mais il finit par s’arrêter pour reprendre peu après .
Bien cordialement -
Dernière nouvelle : sur l’installation toute neuve ,l’unité s’est mise en arrêt et signale une anomalie du circulateur interne .Cela ne m’étonne guère étant donné que cette unité fait du bruit depuis son installation
-
-
AuteurMessages
› Communauté › Chauffage et climatisation › Bouilleurs, Chaudières bois, Solaire, Pompes a chaleur › Problèmes de température Pompe à Chaleur









































