› Communauté › Plomberie › Installations de plomberie sanitaire (schémas) › dimensionnement multicouche pour réseaux radiateurs
- Ce sujet contient 3 réponses, 2 participants et a été mis à jour pour la dernière fois par
Anonyme, le il y a 3 années et 6 mois.
-
AuteurMessages
-
-
Bonjour à tous,
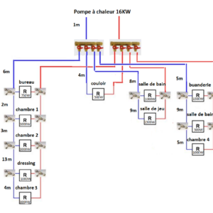
J’ai besoin de vos lumières car étant spécialisé en électricité et non pas en plomberie, je ne sais pas quels sont les diamètres de multicouche à utiliser pour mon réseau de radiateur que je compte réaliser prochainement.
Sur ma pièce jointe j’ai renseigné toutes les distances et les puissances des radiateurs.
diamètre :
de la PAC au collecteur : ?
du collecteur au radiateur : ?
entre radiateur : ?
de distribution de chaque radiateur : ?Merci d’avance pour votre aide

Attachments:
-
Anonyme
Bonjour.
20/26 entre pompe et collecteurs ou 22 cuivre.
Réseau de gauche + le deux de droite, 16/20 entre collecteurs et jusqu’à dépasser l’avant dernier radiateur puis 12/16 pour le dernierSecond réseau de gauche avec un seul radiateur, 12/26 entre la nourrice et le radiateur..
Globalement vous pouvez tout faire en 16/20 si cela vous simplifie, sachant que cela augmente la quantité d’eau dans le réseau.
N’oubliez pas de poser un petit ballon tampon pour augmenter la quantité d’eau dans le réseau car les pompes a chaleur sont temporisés et n’aiment pas les réseaux avec peu d’eau.
-
Bonjour,
Merci pour votre retour, je vais suivre vos conseils.
Je souhaite faire mon réseau après la mise en place de l’isolation de mes murs périphériques mais avant la pose du placo. Savez vous comment je peux faire tenir mes tuyaux? Il y a peut-être une solution pour les fixer sur les fourrures maintenues par les appuis optima?
-
Anonyme
En réalité ceci n’est pas la bonne méthode car les tuyaux sont interdits en passage derrières les murs en horizontale. Aprés tout le monde ignore cette règle, et compris moi même quand je ne peux pas faire autrement.
En Optima vous avez la possibilité de laisser le tuyaux poser au sol, ou alors faire un petit trou sur le cotés des fourrures pour passer une attache (de type colson) et garder les tuyaux a une hauteur déterminé sans faire des vagues.
Ou encore poser une fixation optima et passe les tuyaux dessus.Dans tous les cas les tuyaux passent toujours devant l’isolation.
-
-
AuteurMessages
› Communauté › Plomberie › Installations de plomberie sanitaire (schémas) › dimensionnement multicouche pour réseaux radiateurs
