Diamètre à utiliser entre arrivée d’eau et nourrices

Communauté Plomberie Installations de plomberie sanitaire (schémas) Diamètre à utiliser entre arrivée d’eau et nourrices

Vous lisez 2 fils de discussion
  • Auteur
    Messages
    • #25912 Répondre
      spikeur
      Participant

        Bonjour,

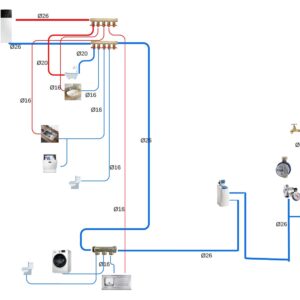
        Je suis un peu perdu dans le dimensionnement du multicouche à utiliser.

        Je met un plan du réseau que je suis entrain de faire.
        Je ne sais pas s’il faut mettre du multicouche de 20 ou 26 mm à partir de l’adoucisseur jusqu’aux 2 nourrices et la PAC .

        Pour info :
        – l’arrivée d’eau est en sous-sol dans le garage, les différents points d’eau à alimenter sont à l’étage du dessus, sauf l’évier et lave-linge au même niveau que l’arrivée d’eau.
        – il y a environ 5 m entre l’adoucisseur et la 1ere nourrice
        – environ 10 m jusqu’à la 2ème nourrice
        – je dois me raccorder sur le cuivre ( diamètre 16 ext. ) qui va vers la PAC ( avec ECS )

        Est-ce que je dois mettre du multicouche de 20 ou 26 mm entre l’adoucisseur et la 1ère nourrice et ensuite jusqu’à la 2ème nourrice ?
        Quel impact si je met un diamètre plutôt qu’un autre ?

        Cordialement,

        Yann

      • #60930 Répondre
        Ludovic
        Participant

          Bonjour.

          Il n’y a pas de contre-indication a surdimensionner l’eau froide.
          En consequence il est déconseillé de surdimensionner l’eau chaude, car cela augmente les pertes thermiques et cela diminue le confort car l’eau chaude prends plus de temps a arriver aux point de puisage.

        • #60931 Répondre
          spikeur
          Participant
          Participant

            Merci pour votre réponse

            Je peux relier la sortie eau chaude de la PAC à la nourrice d’eau chaude avec un multicouche de 20 ?

            Et la nourrice d’eau froide je dois la relier au tuyau de cuivre en 16mm ext qui va vers la PAC, je peux également faire avec un tuyau multicouche de 20 ?

        Vous lisez 2 fils de discussion
        Répondre à : Diamètre à utiliser entre arrivée d’eau et nourrices

        You can use BBCodes to format your content.
        Your account can't use Advanced BBCodes, they will be stripped before saving.

        Vos informations :



        Communauté Plomberie Installations de plomberie sanitaire (schémas) Diamètre à utiliser entre arrivée d’eau et nourrices