Bonjour,
Je viens d’acheter une maison avec nécessité de refaire complétement la plomberie.
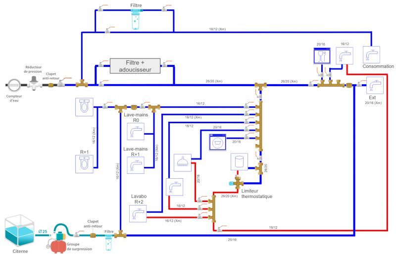
Étant totalement novice en la matière mais voulant le faire moi même pour apprendre et je vous sollicite pour avoir votre avis constructif sur mon 1er jet de réseau mutlicouche. Les contraintes:
2 étages
Je voudrai si possible ne pas boire l’eau de l’adoucisseur
Le réseau est compact sauf ceux marqué « Xm » qui font entre 5 et 10m
Possibilité d’alimenter le robinet extérieur et les toilettes avec l’eau d’une citerne
Mes principaux doutes sont sur le limiteur et le Ø des tuyaux, mais aussi sur l’architecture globale.
Merci pour vos critiques !
