› Communauté › Sujets communs › Forum sur chaudières au gaz, fioul, granulès, etc… › Couplage série d’un Cumulus et d’un préparateur ecs
- Ce sujet contient 4 réponses, 3 participants et a été mis à jour pour la dernière fois par
45Jose, le il y a 8 années et 12 mois.
- AuteurMessages
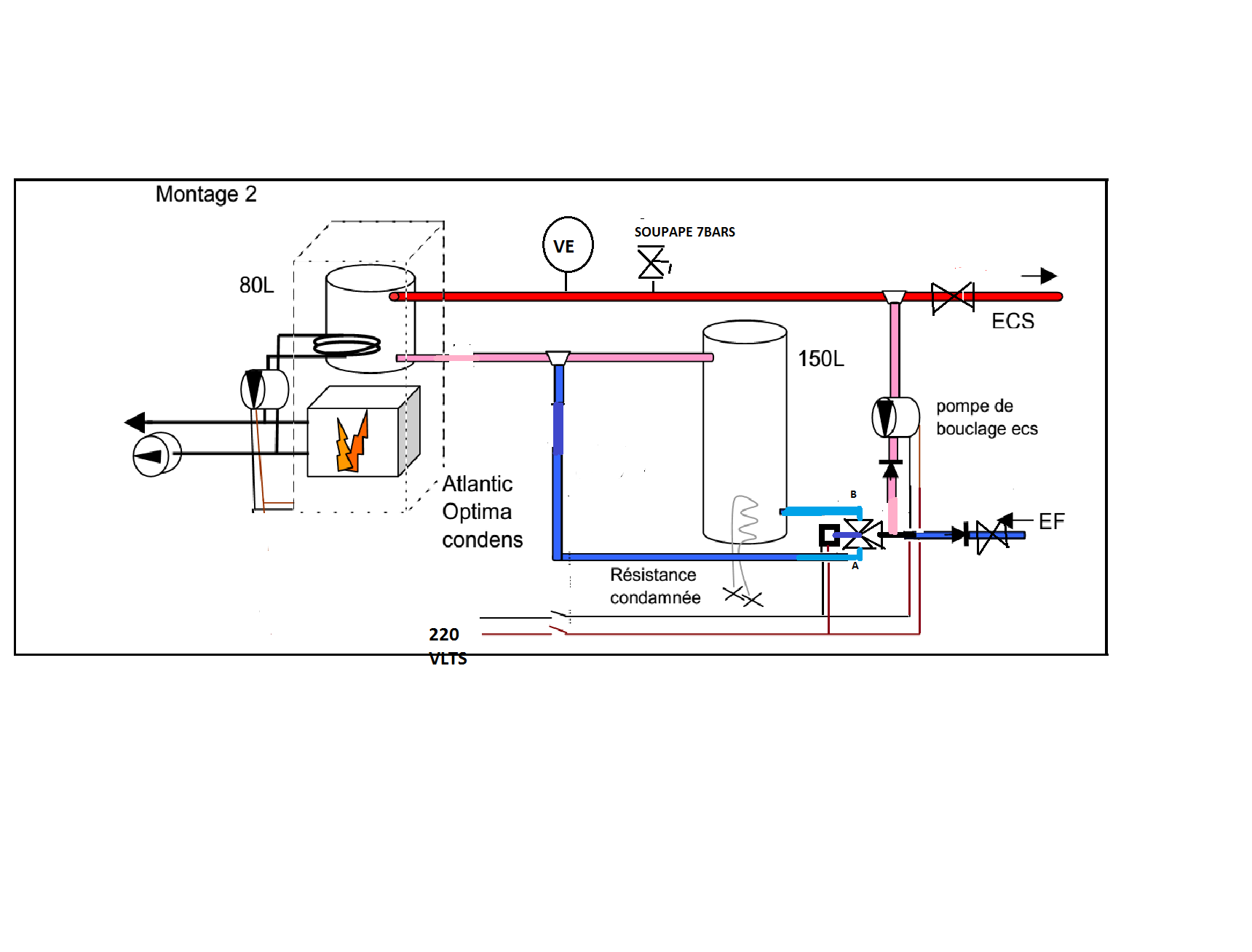
Je désirerais mettre en série mon ancien cumulus avec ma nouvelle chaudière pour n’utiliser qu’elle pour l’ecs.
Je voudrais faire fonctionner ma pompe de recirculation uniquement lorsque la chaudière prépare l’eau chaude. Et ainsi avoir 80 + 150 L d’eau chaude.
Je crois que mon montage est astucieux. Mais, doute du béotien: je préfère vous demander si mon schéma est bon ou si j’ai oublié quelque chose.
Mon montage: faut-il mettre un anti-retour sur le départ vers les robinets? Quid de la perte de charge?
Montage2: si je désire ne chauffer que 80L, la vanne rajoutée et la coupure de l’électricité de la pompe de recirculation sont elles une bonne solution?
Merci de m’aider sur ce montage non conventionnel.Ayant du mal à attacher le schéma (en excel), je tente de le poster en .pdf
J’espère qu’il sera visible.Bonjour.
Je pense que votre schéma n’est pas optimisé, l’eau chaude ne doit jamais passer par les groupe de sécurité.
J’ai pris une de vos images et j’ai dessiné ce que je ferais moi.
Perce qu’une image vaut plus qu’un grand discours, je vous laisse adapter votre dessin en fonction de ce que j’ai fait.

Pour joindre des fichiers, il faut en effet faire attention a ce que les images ne soient pas trop volumineuses, environ 3MO maximum et 4000pixels de large maximum, sinon le serveur aurait deja cramé les plombs car il existe des milliers d’exemples sur ce site.
Edition = Je viens de voir qu’il est encore possible d’améliorer, il faut déplacer la vanne sur le tracé jaune a l’extrémité du tuyau jaune a droite.
Il faut aussi déplacer le clapet anti-retour vers l’extrémité du tuyaux jaune vers la gauche et placer une vanne aussi , ce qui vous permettras de supprimer la boucle sans faire des modifications.Il est aussi possible (je ne l’avais pas vu avant…) de placer un seul groupe de sécurité puis a la sortie du groupe faire deux branches en parallèle pour alimenter chaque ballon et poser le circulateur sur cette partie et supprimer ainsi le tracé jaune.
Dans tous les cas je vous conseille de poser un vase d’expansion sanitaire entre le groupe de sécurité et le grand ballon, un vase de 18litres me parait une bonne solution.
Faites deja un premier jet puis on verra ensuite comment améliorer, il se peut que d’autres intervenants passent par la aussi.
Je vous remercie de votre suggestion.
Je crois comprendre de votre dessin que vous mettez les deux ballons en série lors de la chauffe et en parallèle lors du soutirage.
Je crains que lors du soutirage, l’eau passant par le chemin le plus facile, un seul ballon donne son eau chaude et l’autre reste plein d’eau chaude.
Je retravaille mon schéma en intégrant vos remarques et je re-posterai un schéma après quelques vérifications.
Merci encore;
D’autres remarques ou suggestions?Bonjour
j’ai pensé à une autre solution avec une vanne 3 voies d’inversion
mode normalement ouverte vers A sans tension- ouverte vers B sous tensionAttachments:
- AuteurMessages
› Communauté › Sujets communs › Forum sur chaudières au gaz, fioul, granulès, etc… › Couplage série d’un Cumulus et d’un préparateur ecs


