Avis nouvelle installation en multicouche

Communauté Plomberie Installations de plomberie sanitaire (schémas) Avis nouvelle installation en multicouche

Vous lisez 2 fils de discussion
  • Auteur
    Messages
    • #25004 Répondre
      alves.seb
      Participant

        Bonjour,

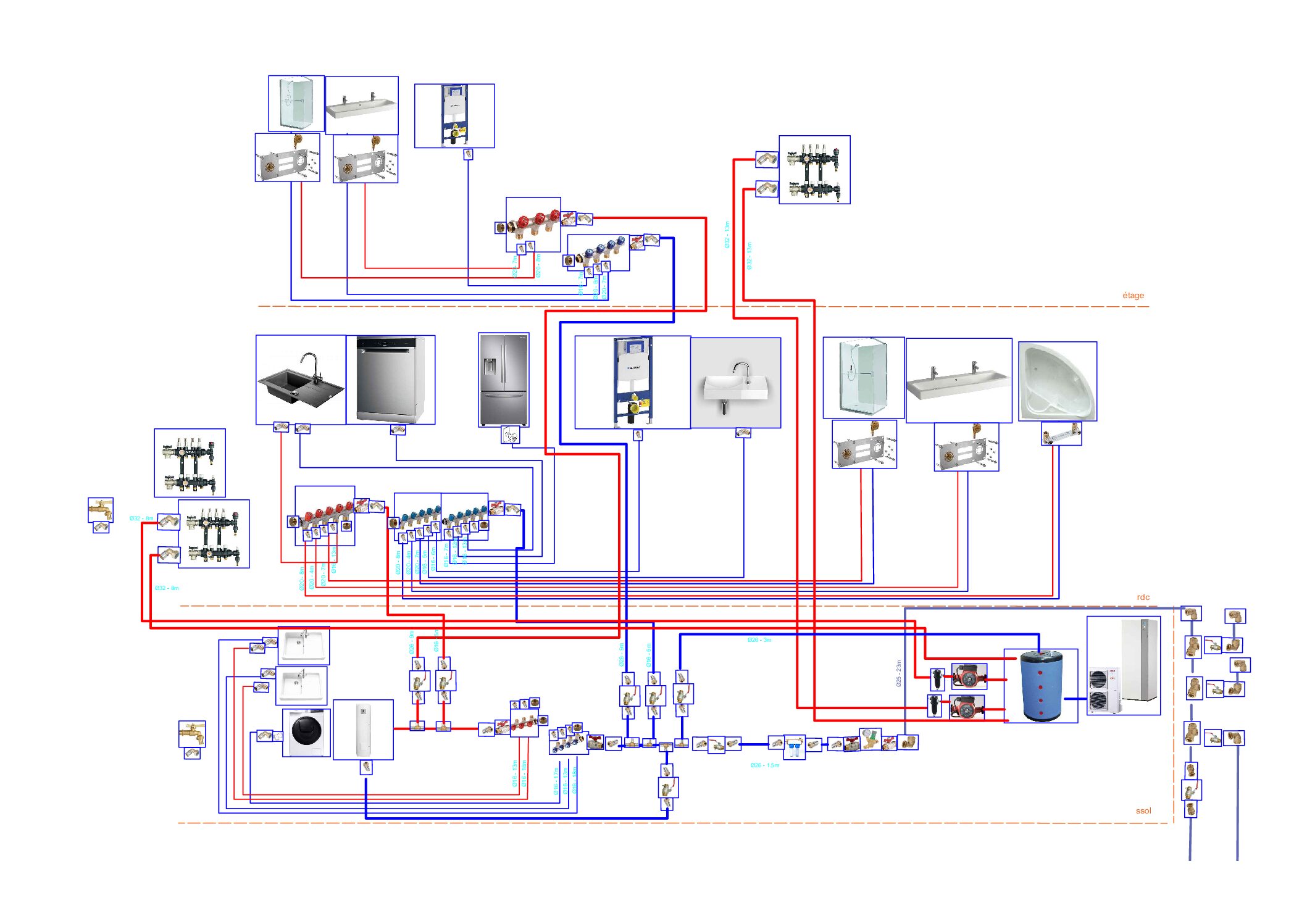
        Je suis en pleine réflexion de ma future installation en multicouche avec une arrivée d’eau en PE de 25mm.

        C’est une maison à étage avec une arrivée d’eau au sous-sol, j’ai donc répartie des collecteurs par étages avec une distribution en 26 entre chaque étage.

        J’ai vous ai joint un schéma avec le plus d’informations possible.

        Je serais donc plus qu’intéressé d’avoir vos avis.

        Je vous remercie par avance.

        Sébastien.

        Attachments:
      • #57692 Répondre
        Anonyme

          Certaines lignes sont de section excessif.

          Exemple:
          26 pour l’eau chaude est trop gros

          Pour le chauffage je vois aussi des nourrices alimentés en 32 je ne sais pas ce que vous alimentez mais cela me parait important.

        • #57693 Répondre
          alves.seb
          Participant
          Participant

            Meri Darius pour ton retour.

            Quand tu dis excessif pour le chauffage, tu parles de l’alimentation en eau froide vers le ballon, la sortie eau chaude, ou les deux ?

            J’ai utilisé du 26 pour répartir vers les collecteurs de chaque étage, crois tu que du 20 suffit pour l’eau chaude ?

            Pour le chauffage, la ce n’est pas moi qui est choisi le 32, mais c’est l’étude du plancher chauffant hydraulique qui indique d’utiliser cette section au vu des calculs de débit qui ont été fait (270 m2 de plancher réparti sur deux étages).

            Quelle autres lignes te paraissent excessifs ?

            Je te remercie par avance de ton aide.

        Vous lisez 2 fils de discussion
        Répondre à : Avis nouvelle installation en multicouche

        You can use BBCodes to format your content.
        Your account can't use Advanced BBCodes, they will be stripped before saving.

        Vos informations :



        Communauté Plomberie Installations de plomberie sanitaire (schémas) Avis nouvelle installation en multicouche