1

Sujet : Raccorder deux circuits sur Vitodens 200-w

Bonjour,
Je viens de remplacer ma vielle chaudière par une d'occasion mais plus récente Viessmann Vitodens 200-W , modèle WB2C.
Ce qui me manque pour terminer l'installation c'est le raccordement de mes deux circuits, un placher chauffant et un circuit de radiateurs. En effet je ne vois pas où je dois raccorder les circulateurs.
Merci d'avance pour votre aide.

Sujets pièces jointes

1.2.jpg, 84.16 kb, 608 x 1080
1.2.jpg 84.16 kb, 108 téléchargements depuis. 25-08-2025 

1.jpg, 146.66 kb, 608 x 1080
1.jpg 146.66 kb, 95 téléchargements depuis. 25-08-2025 

2

Re : Raccorder deux circuits sur Vitodens 200-w

Bonjour.

Téléchargez la notice ci joint et regardez page 21... Comparez avec votre matériel, vérifiez qu'il s'agit bien de la même chaudière.

Sujets pièces jointes

Attachment icône Notice-montage-et-maintenance-Vitodens-200.pdf 6.51 mb, 109 téléchargements depuis. 26-08-2025 

Nouveau: demander un devis: simple, rapide, gratuit et sans engagement.
Ces forums sont fermés, et cesseront de fonctionner bientot.
Un nouveau forum a été mis en place ici → https://plombiers-reunis.com/v3/communaute/

3

Re : Raccorder deux circuits sur Vitodens 200-w

Bonjour,
Merci pour ce retour.
Malheureusement la notice ne correspond pas à mon matériel.
Ma chaudière c'est une Vitodens 200-W WB2C 26kW réf. fabricant 7424976
J'ai trouvé une notice de montage pour cette version (pas la réf. fabricant) mais ça ne m'aide pas beaucoup...

Sujets pièces jointes

Capture d’écran 2025-08-26 222911.jpg, 91 kb, 646 x 905
Capture d’écran 2025-08-26 222911.jpg 91 kb, 95 téléchargements depuis. 26-08-2025 

Capture d’écran 2025-08-26 223225.jpg, 139.58 kb, 655 x 841
Capture d’écran 2025-08-26 223225.jpg 139.58 kb, 90 téléchargements depuis. 26-08-2025 

4

Re : Raccorder deux circuits sur Vitodens 200-w

Bonjour

il nous manque des précisions concernant votre materiel et votre installation

Comment est faite votre installation? Avez vous un module de plancher chauffant, autonome ou couplé a la chaudière? De quelle marque?

Votre chaudière, est-elle une chaudière double service capable de gérer le plancher chauffant ou seulement un service pour gérer les radiateurs

Peut etre une image de la panoplie (branchement des départs) pourrait nous aider a mieux vous aider

Nouveau: demander un devis: simple, rapide, gratuit et sans engagement.
Ces forums sont fermés, et cesseront de fonctionner bientot.
Un nouveau forum a été mis en place ici → https://plombiers-reunis.com/v3/communaute/

5

Re : Raccorder deux circuits sur Vitodens 200-w

Bonjour,
Il s'agit d'une chaudière simple service qui n'assure que le chauffage mais pas la production d’eau chaude sanitaire.
Il y a un module plancher chauffant de marque Krom Schroder avec son Régulateur E25, sonde extérieure, vanne trois voies et circulateur (à gauche sur la photo).
Donc sur cette photo dans la partie gauche c'est le circuit plancher chauffant et à droite - le circuit radiateurs.

Sujets pièces jointes

11.3.jpg, 154.4 kb, 608 x 1080
11.3.jpg 154.4 kb, 93 téléchargements depuis. 27-08-2025 

6

Re : Raccorder deux circuits sur Vitodens 200-w

Dans ce type d'installation, le circulateur du plancher chauffant doit normalement etre piloté par la régulation de PC.
Le circulateur radiateurs peut lui etre piloté par la chaudière, mais c'est contradictoire compte tenu de l'emplacement du circulateur.

Je pense bien que votre chaudière a deja un circulateur intégré, vous confirmez? dans le cas contraire il faut trouver sa source d'alimentation. Avez vous regardé sur la boite des branchements de la chaudières, on y  voit des connecteurs a trois fils, regardez a quoi ils correspondent.

Nouveau: demander un devis: simple, rapide, gratuit et sans engagement.
Ces forums sont fermés, et cesseront de fonctionner bientot.
Un nouveau forum a été mis en place ici → https://plombiers-reunis.com/v3/communaute/

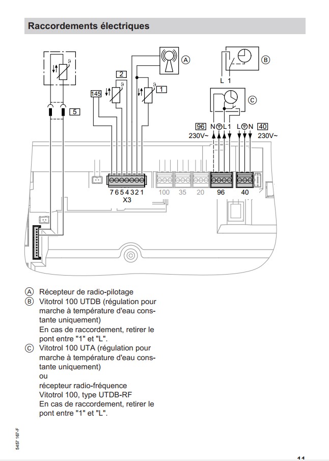
7

Re : Raccorder deux circuits sur Vitodens 200-w

Donc concernant le plancher chauffant - comme il a déjà sa régulation je l'alimente juste?
Pour ce qui est les radiateurs il y a bien un circulateur sur la chaudière.
Je poste le schéma de la platine.
Faut-il garder un seul circulateur pour les radiateurs? Si je laisse celui de la chaudière, dois -je démonter celui du circuit?
Côté régulation radiateurs,en utilisant le circulateur de la chaudière faut-il intervenir ou laisser la chaudière la gérer?

Sujets pièces jointes

schema.jpg, 105.67 kb, 608 x 1080
schema.jpg 105.67 kb, 96 téléchargements depuis. 28-08-2025 

8

Re : Raccorder deux circuits sur Vitodens 200-w

Bonjour.

Normalement le circuit radiateurs est géré par la chaudière et son circulateur, avec l'ancienne chaudière il devait y avoir un autre mode de gestion.

Votre chaudière actuelle étant plus récente n'est pas vraiment conçue pour fonctionner comme l'ancienne.

J'essayerais a votre place de ne rien démonter et laisser la chaudière gérer les radiateurs, vous ouvrez la vanne trois voies sur le circuit radiateur au maxi, et vous laissez le circulateur radiateurs non alimenté, et regardez ce que ça donne, si la circulation se fait avec celui de la chaudière, c'est ok vous pouvez le démonter et poser une manchette a la place....

Si le circulateurs de la chaudière est insuffisant il est possible de le débrancher sur la carte électronique et brancher le circulateur radiateurs a la place "a condition que la chaudière l'accepte" (Je déconseille ce type de bidouillage mais c'est a vous de voir).

La chaudière peu,  "peut etre" gérer le circuit de plancher chauffant "en plus du circuit radiateurs) il faudra regarder dans la notice de cette dernière voir si elle integre cette fonction.

Ensuite observez le comportement, si vous constatez des anomalies ou fonctionnement incorrect, vous devrez dans ca cas réaliser des changements sur le circuit de chauffage de façon a obtenir l'installations suivante:

Il faudrait poser une petite bouteille de découplage, entre la chaudière et les deux circuits.
La chaudière produit et maintient la bouteille a température,
Ensuite chaque circuit va chercher son eau chaude dans la bouteille selon ses propres besoins.
Dans ce cas,  le circulateur radiateurs serait géré par un thermostat d'ambiance.
Et le circuit de plancher chauffant avec sa propre regulation.

Tel que c'est fait, et avec les matériaux que vous avez, je ne peux pas vous dire exactement ou il faut brancher, normalement le circulateur de plancher chauffant devrais etre alimenté par la régulation du plancher chauffant.

J'aimerais vous aider d'avantage, mais je n'ais pas vu comment c'est fait ni quelles sont les possibilités de la chaudière actuelle, mais la vous avez deja une base de comment ca doit fonctionner.


N'hesitez pas a faire de testes de fonctionnement pour voir ce que ca donne, cela vous permettra de pouvoir faires des corrections au fur et a mesure.

Nouveau: demander un devis: simple, rapide, gratuit et sans engagement.
Ces forums sont fermés, et cesseront de fonctionner bientot.
Un nouveau forum a été mis en place ici → https://plombiers-reunis.com/v3/communaute/