Sujet : Besoin de vos conseils et avis sur ce projet
Bonjour à toutes et tous,
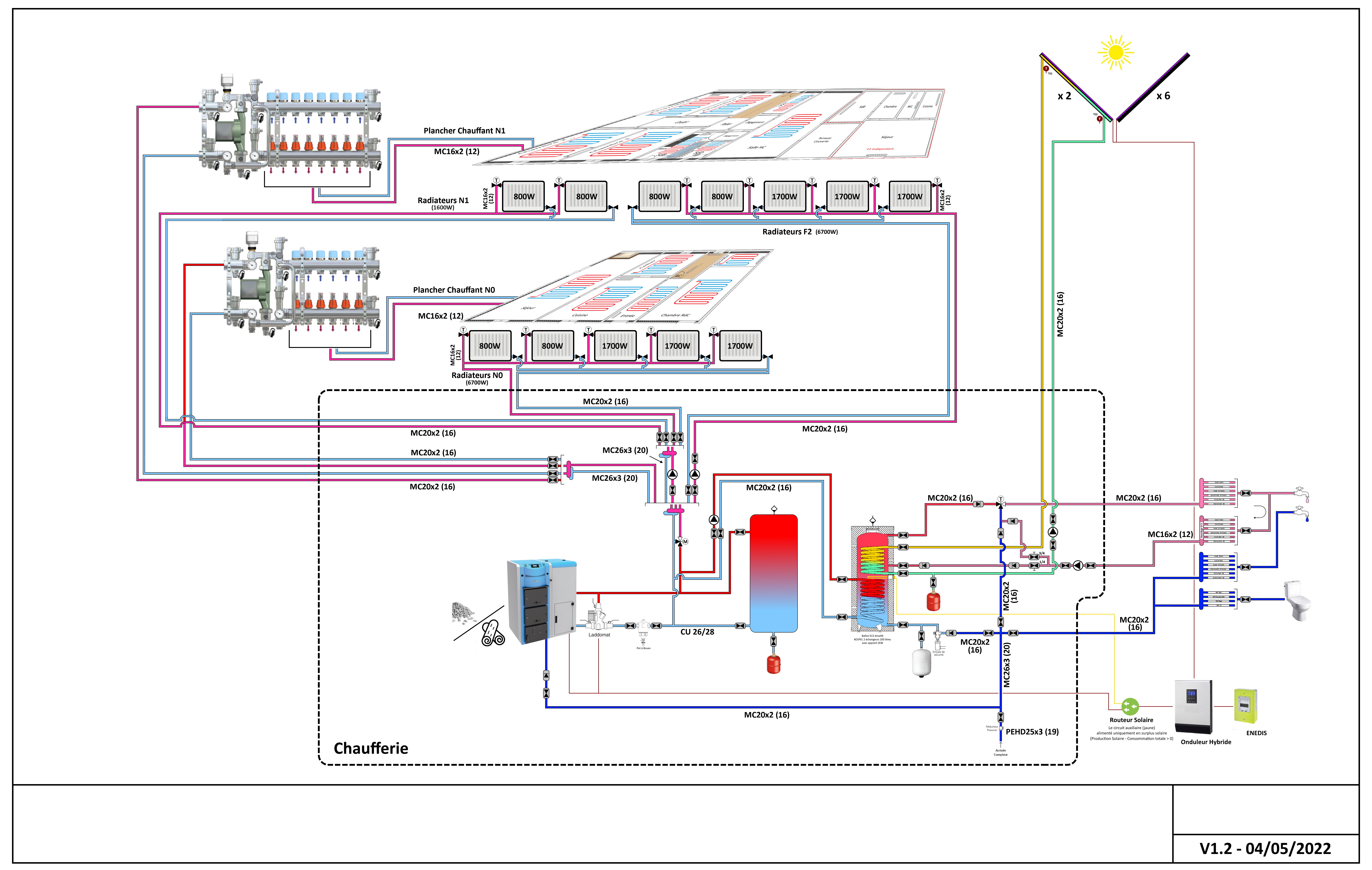
Novice dans le domaine, je souhaiterais avoir vos avis sur l’installation chauffage/ECS que je projette de réaliser et dont je vous joins le schéma.
Le projet concerne la réhabilitation d'une maison individuelle (construction avant 1950) dans les Alpes de Haute-Provence (04), Entrevaux, altitude environs 460m, murs béton 18/20cm, RdC + 1 niveau, composée :
- D’un appartement 7 pièces d’environ 170m² réparti sur les 2 niveaux (N0 = 80m² et N1 = 90m²)
- D’un F2 d’une quarantaine de m² utilisant une partie du N1. Occupation occasionnelle de ce F2.
- Au N0 également des dépendances (future chaufferie, atelier, garage…)
Travaux prévus
- Isolation murs périphériques : ITI 100mm R32 sur les 2 niveaux
- Isolation plafonds N0 : Est-ce utile ?
- Isolation plafonds N1 : LV 300mm dans les combles qui ne seront à ce stade pas aménagées
- Isolation Sols N0 : Pas de vide sanitaire, donc Polyuréthane Extrudé 50mm + Plancher chauffant sec 40mm type Caléosol
- Isolation Sols N1 : Plancher chauffant sec 40mm type Caléosol
- Fenêtres : PVC double vitrage.
- Chauffage
Actuellement rien ou presque n’existe (des vieux grilles pain datant probablement des années 70). Vu la conjoncture, je pense me diriger vers une chaudière mixte bois bûches / granulés car j’ai une grosse crainte sur l’évolution du prix des granulés.
Appartement 7 pièces :
- Niveau 0 : Chauffage au sol, type sec Caléosol ou équivalent + 5 x radiateurs complémentaires dans les parties non desservies par le chauffage sol ou pour fonctions spécifiques (sèche-serviettes…)
Niveau 1 : Chauffage au sol, type sec Caléosol ou équivalent +2 x radiateurs complémentaires (sèche-serviettes…)
Appartement F2 :
Le chauffage de cet appartement doit pouvoir être géré indépendamment car son occupation ne sera pas continue. Je pense me diriger vers 5 radiateurs classiques type fonte aluminium.
Je souhaiterais une installation privilégiant Chauffage -> ECS -> puis stockage de l’énergie restante.
Mes questions :
- Le schéma que j’ai imaginé est-il complétement « débile » ? Si oui pas la peine de lire les questions suivantes ![]()
- Je sèche sur les circulateurs (nombre et positions). Pouvez-vous me conseiller ?
- Idem sur la régulation ?
- Hormis les 2 points ci-dessus, que manque-t-il ?
Question subsidiaire :
- Que pensez-vous des plancher chauffant sec, type Caléosol ou Bonnici… ?
Je vous remercie par avance pour vos remarques et conseils qui me seront précieux pour avancer dans ce projet.
Cordialement


