1 Dernière modification par fabbond007 (22-09-2021 17:51:00)

Sujet : cuisinière bois avec bouilleur

Bonjour,

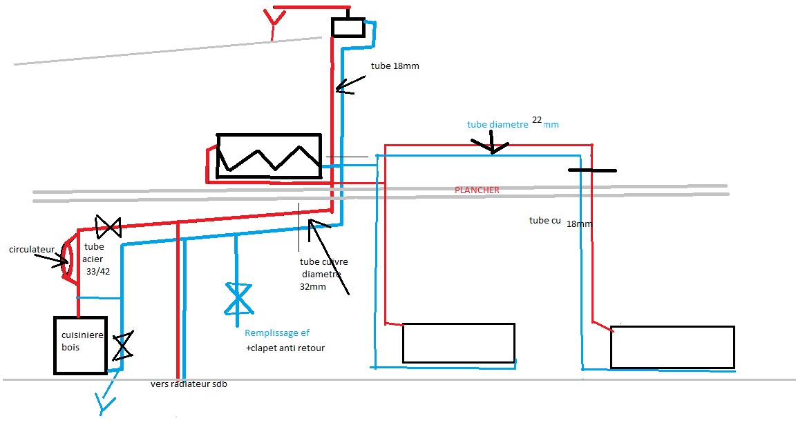
Je suis entrain d'installer une cuisinière bois avec bouilleur ,avec 4 radiateurs,
La partie cuisinière est raccordée en 33/42 sur 4mètres ensuite en 32 cuivre jusqu'à l'étage ou le réseau se sépare en 3
 
  - un départ et un retour tube cuivre 18mm raccordé sur le vase expansion ouvert 22L. placé au plus haut de l'installation (7m) 
 
   - étage 1 radiateur acier (3mètres de long sur 50 cm de haut) alimenté en tube 22mm montée en 18mm.
 
   - Aile droite rez de chaussée 2 radiateurs acier (3mètres de long sur 50cm de haut) tube 22mm alimentée par l'étage descente en 18 mm.

   - le 4 ème radiateur est alimenté a un mètre de la cuisinière sur le 33/42 piquage en 15/21 1,5mètre , ensuite per 16 en sol

j'ai installé un circulateur sur le tube départ en bypass
Vanne 3 voies

Je souhaiterai savoir si il y a des anomalies ou s'il faut faire des modifs qq part, je flippe un peu (cocotte minute)

Je vous joint un schéma fait vite fait dsl

merci d'avance pour vos réponses

Sujets pièces jointes

schema chauffage .jpg, 96.18 kb, 1152 x 648
schema chauffage .jpg 96.18 kb, 283 téléchargements depuis. 22-09-2021 

2

Re : cuisinière bois avec bouilleur

bonjour,
il y a deux solution pour le vase, fermé ou ouvert.
-pour le ouvert il y a des règles:

pour le vase fermé, il peut être en bas, et installer une soupape thermique sur la chaudière

pourquoi la pompe en bypass?

il y a plein de schémas déjà faits avec le raccordement de la pompe sur le retour et la vanne 3 voies thermostatique

Sujets pièces jointes

vase ouvert.png, 513.78 kb, 1646 x 1588
vase ouvert.png 513.78 kb, 280 téléchargements depuis. 23-09-2021 

JR

Re : cuisinière bois avec bouilleur

Merci pour les infos, je testerai quand même le circulateur sur le départ et si il le faut je le déplacerais sur le retour  ...

Pourquoi bypasser le circulateur, il m'a semblé judicieux de faire ça pour qu'il y est un maximum de passage au cas ça bout beaucoup...

Sinon dans l'ensemble, ça vous semble correct comme installation ?

4 Dernière modification par 45Jose (23-09-2021 18:47:46)

Re : cuisinière bois avec bouilleur

bonjour,

pour moi cette installation n'est pas viable, il manque des éléments.
comment régulez vous les températures: de l'eau qui  sort du poêle, celle qui va aux radiateurs et la température ambiante des pièces de la maison?

JR

Re : cuisinière bois avec bouilleur

Bonjour,
En fait le but c'est de réaliser une installation le plus simple possible, sans régulation, je fais cette installation chez une personne de ma famille qui est "babacool" (déjà ça été dur de lui faire entendre de laisser brancher le circulateur en permanence...) et qui a toujours chauffé avec des poêle a bois au total 3 dans la maison, cette personne commence a vieillir et voudrais un peu plus de "confort" et faire moins de bois.
J'ai bien conscience que la température des pièces sera en dent de scie. 
   
Je voudrais savoir si je peux mettre la cuisinière en route en toute sécurité.
Merci

Re : cuisinière bois avec bouilleur

Bonjour,

Bien entendu, rien n'est conforme aux DTU, mais ça peut fonctionner quand même.

Il manque un thermomètre sur le départ cuisinière qui permettrait d'informer le (ou la) baba-cool qu'il (elle) ne  doit plus charger le foyer.

Le PER est malvenu dans une telle installation. Le PER ne supportera pas les températures supérieures à 60°C très longtemps.

Il faudra expliquer au baba-cool que lorsqu'il entendra le glouglou de l'ébullition, il faudra qu'il ouvre le robinet d'introduction d'eau froide dans le circuit. Ce robinet devra impérativement être bien identifié et facilement accessible.

Dans une telle installation, et si l'utilisateur se lave, il serait intéressant d'ajouter sur le circuit un ballon de fabrication de l'Eau Chaude Sanitaire qui absorbe les excédents caloriques et fait office de tampon.

7

Re : cuisinière bois avec bouilleur

bonjour,

J'avais bien compris par rapport aux diamètres des tuyauteries et au bypass de la pompe que le but est de fonctionner en thermosiphon comme en 1900.
je ne peux pas vous dire que vous pouvez le faire en toute sécurité, si les installations ont évoluées depuis cette époque c'est justement par rapport aux précédents problèmes rencontrés.
Personnellement je laisserai pas une pareille installation gérée qui plus est par une personne âgée, il faut regler manuellement l'ouverture et fermeture des radiateurs pour éviter  de se brûler, gérer la charge de bois pour éviter la surchauffe, ect...
Après chacun fait ce qu'il veut, il y a peut être d'autres avis que le mien.

JR

8

Re : cuisinière bois avec bouilleur

protestant90 a écrit:

Le PER est malvenu dans une telle installation. Le PER ne supportera pas les températures supérieures à 60°C très longtemps.

Le PER ansi que les tuyaux en matières de synthèse sont interdits sur toute installation dé-munie de double sécurité de régulation anti surchauffe. "Peut etre que je ne m'exprime pas bien"

Nota bene: Dans le cas d'une installation de bouiller, pour pouvoir utiliser des tuyaux en matériaux de synthèse, ai faut au minimum, une soupape thermique qui limite la température a la sortie de la production, + une vanne de mélange qui limite la température vers les tuyaux de synthèse, ce qui fait double sécurité.

Re : cuisinière bois avec bouilleur

Merci pour toutes vos précisions,
je vais rajouter une soupape thermique sur le départ et voir a remplacer les per en sol, à l'époque j'avais hésité a passer du wicu, mais il me restais du per de la plomberie donc au final j'aurai mieux fait, bref...

Petite précision pour la soupape thermique  je vais mettre le doigt de gant sur le départ et  la soupape thermique sur le retour(car mon remplissage est déjà sur le retour...)
j'imagine que ça pose pas de problème ?