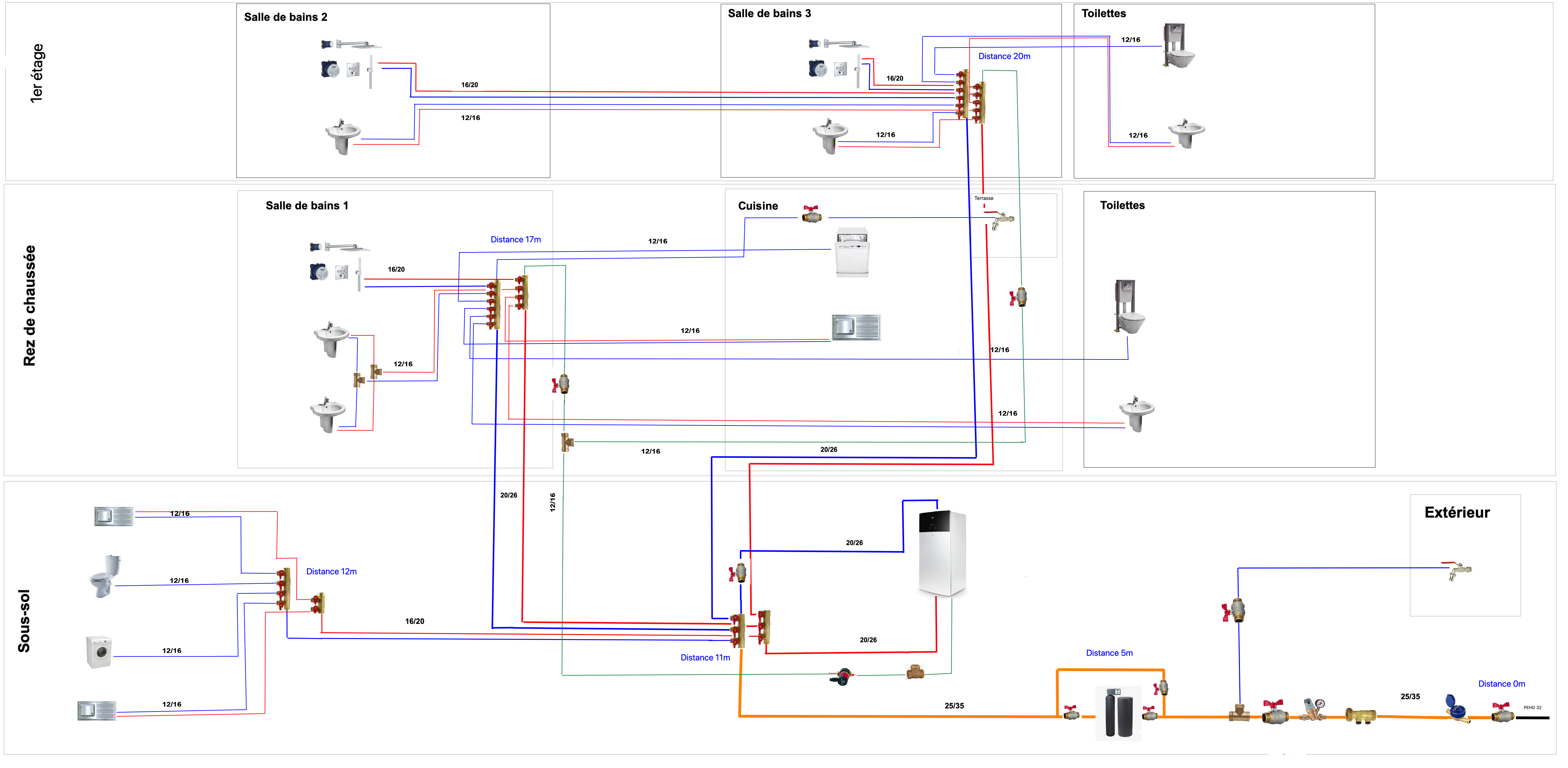
Sujet : Schéma installation multicouche
Bonjour à tous !
Tout d'abord merci pour le contenu de ce site ! Une aide très appréciable et rassurante !!
Bricoleur, je me lance pour la première fois dans une installation sanitaire complète et je me permets de solliciter vos lumières afin de rassurer le débutant que je suis :-))
L'installation est prévue en cuivre jusqu'à l'adoucisseur, le reste sera en multicouche.
Beaucoup de doutes me concernant : Diamètres ? Pressions suffisantes ? Trop compliqués ? Trop simpliste ? isolée, non isolé ? Et sans vouloir abuser de votre temps une dernière interrogation : J'ai pour projet d'ici 1 ou 2 ans d'installer une piscine extérieure. Dois je prévoir une attente particulière ? Merci d'avance pour le temps que vous allez consacrer à ma demande.


