Sujet : Installation sans ventilation
Bonjour à tous,
Nous venons d’emménager depuis un mois dans une maison de 2008 que nous avons acheté.
Nous avons de gros problèmes d’odeurs dégout au point qu’aujourd’hui la maison est difficilement habitable.
Par ordre d’importance les odeurs proviennent :
-WC du bas
-Salle de bain
-Garage
Dans l’ordre nous avons fait intervenir :
- Un plombier
- Une société de recherche de fuite par fumée
- Un expert en plomberie
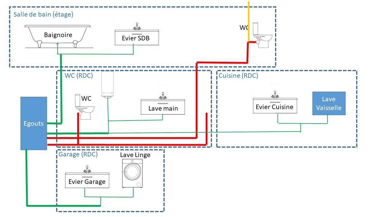
Chaque intervenant m’a dit que compte tenu du schéma de l’installation il n’y a pas besoin de ventilation. L’expert m’a proposé d’installer des clapets au niveau de la cuisine et de la vasque de salle de bain.
Ci-joint le schéma de l’installation.
Vous remarquerez la canalisation caché en prolongation des WC du bas. Elle était initialement bouchée avec du scotch. Malgré une réparation nous avons toujours des remontés d'odeurs.
Mes questions sont le suivantes :
- Dans ma configuration est ce que je peux avoir des odeurs sans désamorçage des siphons ?
- Si je créer des ventilations primaires, ou les placer en priorité ?
- Est-ce que si j’installe une ventilation avec sortie en toiture directement reprise sur le collecteur cela résoudra le problème ?
Merci d’avance.
Cordialement



