Sujet : Schéma de plomberie, rénovation totale
Bonjour à tous,
Lorsque je me suis inscrit il y a trois ans, je pensais refaire la plomberie beaucoup plus tôt ! :blush: Les joies de la rénovation où rien ne se passe exactement comme prévu. ![]()
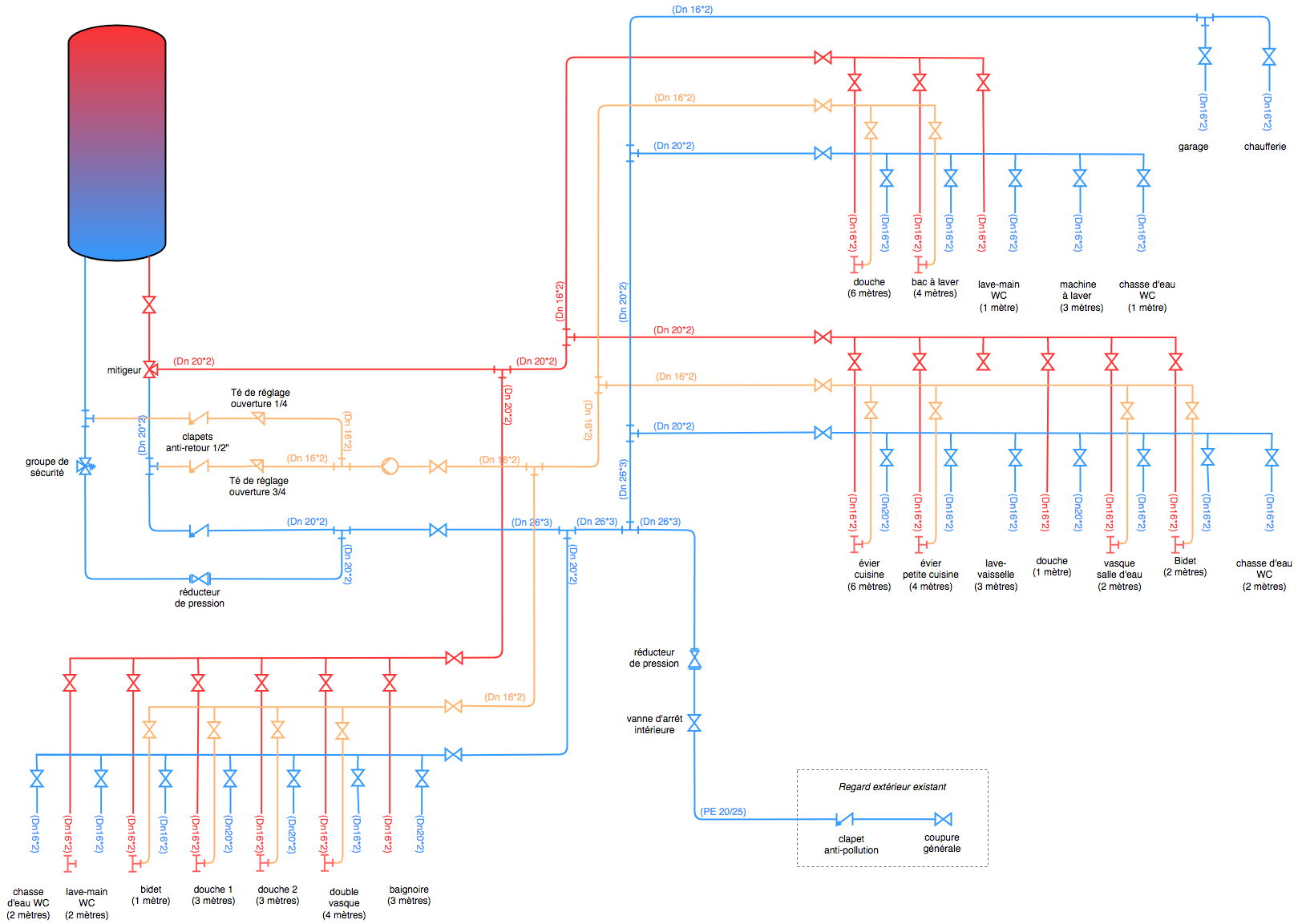
Voilà, maintenant, j'y suis... Je souhaiterais vous soumettre mon schéma de plomberie multicouche, réalisé grâce aux informations présentes sur votre site. D'ores et déjà, merci.
Comme nul n'est à l’abri d'une erreur ou d'une particularité dans l'installation, j'aimerais l'avis de personnes d'expérience avant d'entamer les travaux. J'ai également quelques questions.
J'ai hésité entre le diamètre 26*3 et 20*2 pour l'alimentation en eau froide de la dernière nourrice (en haut à droite), vu la distance et le nombre de points à alimenter. J'ai finalement opté pour le 20*2, est-ce suffisant?
La boucle ECS est-elle vraiment nécessaire sur la nourrice du milieu car elle est à deux mètres du té?
Toujours concernant la boucle ECS, certains points de puisage restent assez loin de leur nourrice. Je pourrais prendre les retours directement sur les points de puisage. Du coup, comment cela marche-t-il? Dans chaque zone, j'ajoute une nourrice de bouclage sur laquelle je branche les retours, puis chaque nourrice reprend le circuit tel que sur mon schéma? Faut-il rajouter des équipements supplémentaires?
Je n'ai pas mis de vannes d'équilibrage, vous confirmez?
Ai-je zappé quelque chose?
Merci d'avance.


