Sujet : Demande de validation réseau évacuation et PER
Bonjour à tous !
C'est la toute première fois que je poste sur un forum (je me demande encore pourquoi j'ai attendu aussi longtemps). Alors n'hésitez pas à me dire si je ne suis pas dans la mauvaise section.
En pleine autoconstruction de maison (et déconstruction de soi même ^^) j’aimerai faire valider par des spécialistes, mon schéma d’évacuation et mes prévisions d’alimentation générale en PER.
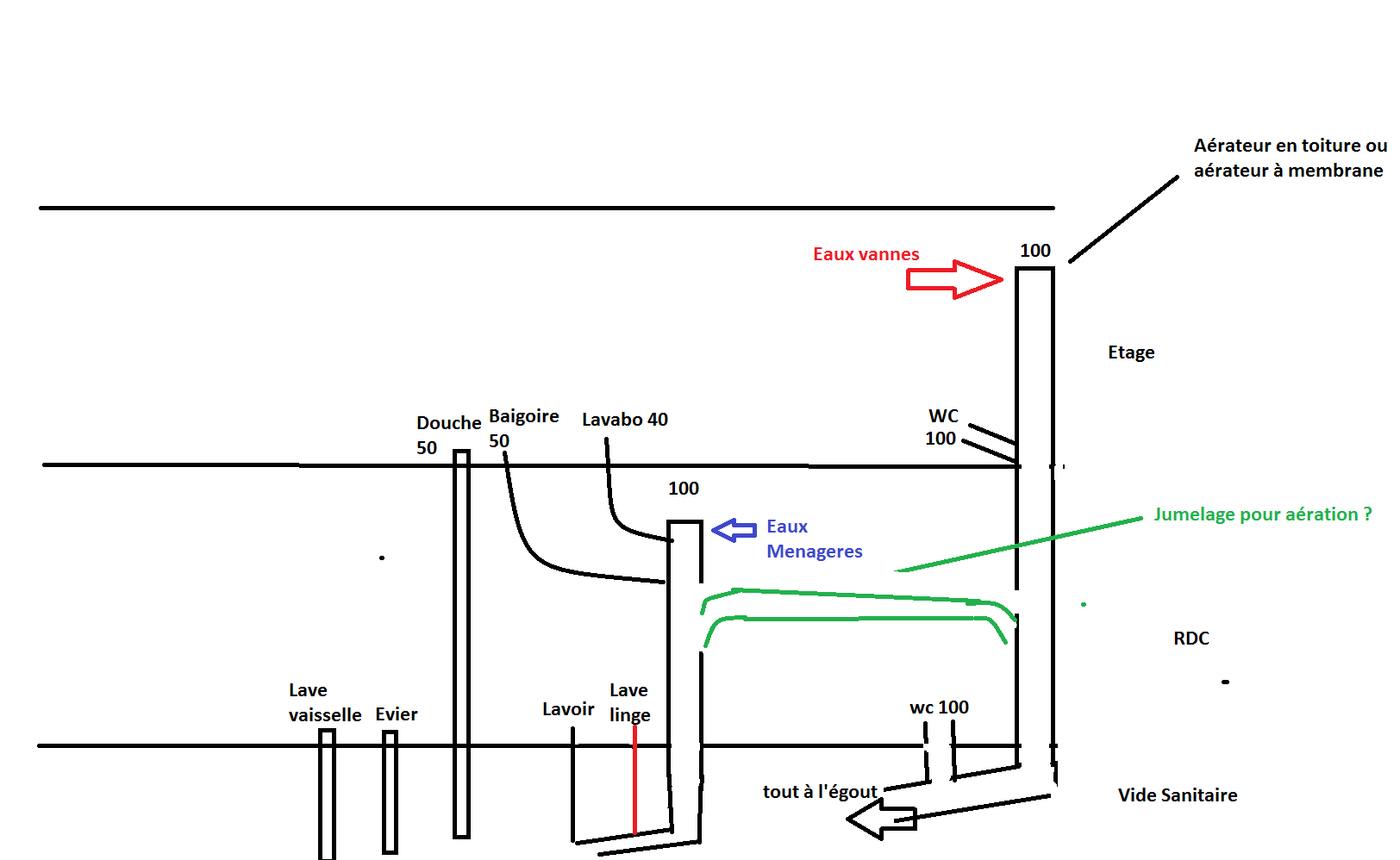
Tout d’abord, je tiens à m’excuser pour mes talents de NON dessinateur, rassurez vous mon installation sera réalisée dans la pratique avec plus de soin que le bricolage paint que je vous présente.
Alors… je démarre ;
Questions évacuation ;
Ma maison est en R+1 base rectangulaire, avec rupteur thermique en plancher RDC (soit une bande périphérique de 12cm de polystyrene qui permettent de passer aisément les évacuations).
Je n’ai pas fait d’attente d’évacuation avant de couler mon plancher.
Alors concernant l’évacuation, voici mes questions ;
_ Excepté mes descentes en 100, toutes les conduites sont spittés contre le mur en parpaing, entre la laine de verre et le parpaing. J’ai entendu dire que ça pouvait geler. (Je construis sur Salon de Provence j’ai quand même du mal à le croire). Qu’en pensez-vous ?
_ Quelle est la distance préconisée entre 2 colliers de fixation ?
_ La descente idéale à donner (1 ou 2cm par mètre ?)
_ Est-ce que je peux relier lavabo et baignoire sur la même conduite ou va-t-il y avoir un désiphonnage du lavabo lors de la vidange de la baignoire ?
_ La douche à l'italienne est à l'étage. J'ai acheté un bac à carreler avec bonde centrale en sortie horizontale. Je compte carotter mon plancher de taille suffisante pour laisser passer la bonde, et me repiquer dessus avec un coude à 90 (pour descendre à la verticale) pour traverser le plancher, et repartir avec un nouveau coude à 90 (pour repartir à l'horizontale pour rejoindre le mur). Je ne sais pas si c'est suffisamment clair....
_ Lors des carottages des planchers, dois-je entourer mes pvc de quelque chose ? J’ai entendu parler de bandes de mousses de dilatation.
_ Pouvez-vous m’éclairer sur la section des conduites à adopter pour ;
_ Lave-Linge
_ Lavoir
_ Lave-vaisselle
_ Evier
A ce propos, je compte carotter au diamètre de l’équipement à raccorder. J’ai entendu dire qu’il valait mieux carotter en 100 et réduire pas la suite. Seul souci, si je carotte en 100 derrière le placo, ça ne me laisse plus grand-chose comme isolant !).
Pour le raccordement des 4 équipements que je viens de citer, je pensais acheter des selles, et percer à la cloche le collecteur au diamètre de l’équipement à raccorder. Vaut-il mieux plutôt placer des T en 100 sur le collecteur et y visser des réducteurs par-dessus pour y faire arriver les équipements ?
Pour les colliers de fixation de mes collecteurs sous la dalle en vide sanitaire, quelle est selon vous la meilleure option ? Je sais que chaque constructeur de plancher propose son système propre, en perçant les hourdis polystyrene avant de couler le plancher. Puis je toujours opter pour cette option malgré mon plancher déjà coulé (il me reste encore ma chape à couler d’au moins 5 cm).
En ce qui concerne l’aération, n’ayant pas prévu de tuile à douille initialement dans ma toiture, je comptais placer un aérateur à membrane dans les wc de l’étage. Est-ce que vous validez ?
Hypothèse du jumelage ; Si je parviens à installer les colonnes eaux vannes et eaux menageres à côté, n’est-il pas possible de les raccorder avec 2 Y + coute à 45° en partie haute, pour faire bénéficier aux eaux ménagères, l’aération des eaux vannes ? (là… vous allez me traiter de fou).
Lorsque vous faites votre coude dans l’isolation pour sortir du placo, prêt à recevoir le siphon, est ce que vous faites sortir les attentes avec un coude a 45° ? 67° ? 90° ?
Pour mon réseau d’évacuation je crois que c’est à peu près tout.
QUESTION RESEAU PER
Je dois alimenter en RDC ;
_ WC
_ Lavoir
_ Lave linge
_ Lave vaisselle
Evier
Je dois alimenter à l’étage ;
_ WC
_ Lavabo
_ Baignoire
_ Douche
J’ai prévu de tout alimenter en 16, mais de ne faire monter qu’une EF + EC en 20 à l’étage pour me reprendre sur une nouvelle nourrice (gain de temps et de longueur de PER). Qu’en pensez vous ? Si vous validez, vaut il mieux tirer en 25 ?
_ Y a-t-il quelque chose de particulier à faire lors de la monter de mes PER à l'étage ? (protéger les gaines lors de la traversée du plancher ? etc...)
Si j’installe du 16 sur des équipements prévus initialement à du 12 est ce qu’à l’ouverture du robinet, je ne vais pas avoir plus de débit? (la question reste mystérieuse car je me dis que même en PER 16, il y a quand même 30cm de flexible souple en 12 juste avant le raccordement). Si vous pouvez m’éclairer sur ce point.
Question un peu équivalente pour ma baignoire, je souhaitais tirer du 20 pour un remplissage plus rapide. Est-ce utile ?
Un grand merci à vous.


