Sujet : Dimensionnement Réseau Multicouches
Bonsoir à toutes, tous,
Je suis nouveau sur le forum, je suis installateur à mon compte depuis peu et j'aimerais votre avis sur un point précis concernant le dimensionnement d'un réseau sanitaire.
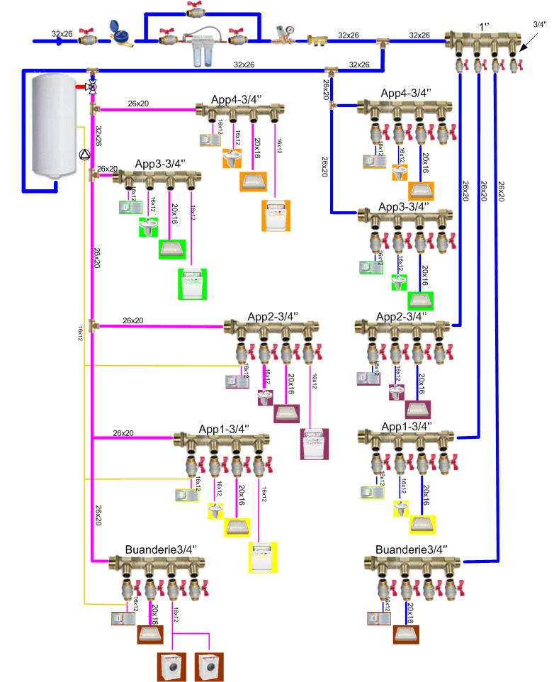
Partant du compteur, une branche va alimenter en EF
2 douches
2 lavabos
2 éviers
j'avais prévu d'arriver sur ce collecteur en 26
Mais juste avant d'arriver à ce collecteur, je pique pour aller à mon ballon ECS qui alimentera :
4 douches
4 lavabos
4 éviers
En utilisant les abaques, avec un débit instantané de 0,5l/s et une vitesse de 1,5m/s, je tombe sur un diamètre intérieur de 22mm (je suis parti sur un calcul type installation collective car plus de 15 points de puisage).
Faut-il que j'arrive jusqu'au piquage en 32 et que j'alimente le ballon ECS en 32.
Ou puis-je démarrer depuis le compteur en 26 et "piquer" en 26 le ballon ECS ?
Merci d'avance pour vos réponses éclairées
Philippe


