Sujet : Validation de circuit de chauffage
Bonjour,
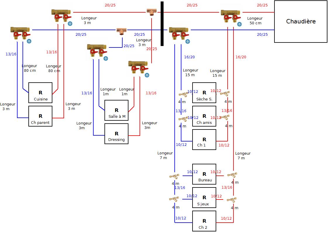
J'aimerais savoir si mon schéma est correct. Je suis en rénovation, donc je fais avec les contraintes de la maison, d'où les multiples nourrices .... je ne sais pas si c'est bien ou pas d'en mettre autant ...
Pouvez me dire également si les diamètres que j'ai placé sont correct ? Pour la partie sans diamètres, je ne sais pas quoi mettre ...
Le gros trait noir, représente un mur à traverser. Je l'ai placé pour qu'on comprenne mieux ...
Les deux lignes en haut en 20/25 seront en cuivre, tout le reste, en PER.
Merci pour les infos !

 diag_chauffage.jpeg
 diag_chauffage.jpeg

