Sujet : Renovation multicouche / bouclage ECS
Bonjour a tous,
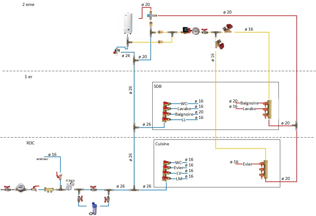
Avant une prochaine renovation, je plannifie ma prochaine installation.
Je me suis inspiré de schémas effectués pas certains d'entre vous. Merci à tous pour votre aide :)
Concernant le bouclage ECS, j'ai lu ici ou la que des vannes d'équilibrage sont nécessaires pourtant seuls certains d'entre vous en installent. L'un d'entre vous peut il me confirmer dans quels cas elles sont nécessaires et dans quel cas elles ne le sont pas ?
Le réglage de ce type de vanne semble complexe, est ce que je me trompe ?
Ci-joint mon schéma, n'hésitez pas à le critiquer.
Merci


