Sujet : Avis sur schéma en PER
Bonjour à tous,
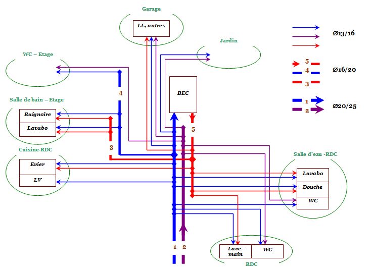
Je suis entrain de réfléchir à mon installation en PER dans une maison neuve. Je pense la faire comme le schéma :
- Une nourrisse "eau froide" (BLEU) au RDC qui desservira tout le RDC (2WC, lavabo , lave-main, douche, évier, LL, LV, balcon d'eau chaude, et jardin) mais aussi une autre nourrisse à l'étage (WC, lavabo, baignoire)
- Une nourrisse "eau chaude" (ROUGE) au RDC qui desservira tout le RDC (lavabos, lave-main douche, évier) mais aussi une autre nourrisse à l'étage (lavabo, baignoire)
- Une nourrisse "eau pluviale-source" (VIOLET) au RDC qui desservira les 3 WC, jardin et le garage.
Il n'y aura pas de branchement sur le réseau "eau de ville". Les appareils indiqués seront prioritairement branchés sur cette nourrisse et en cas d'indisponibilité de l'eau, ils seront branchés "eau de ville".
D'après ce que j'ai lu à droite et à gauche (y compris sur ce forum), j'ai mis :
- un diamètre 20/25 pour les tuyaux d'arrivée des eaux de "ville" et "pluviale-source"
- un diamètre 16/20 pour tous les tuyaux partant d'une nourrisse (principale) vers une nourrisse (secondaire)
- un diamètre 13/16 pour tous les tuyaux partant d'une nourrisse (principale ou secondaire) vers un appareil.
J'ai évité de mettre des Té de branchement de façon à gérer l'alimentation de chaque appareil indépendamment des autres.
A part les tuyaux montant à l'étage (diamètre 16/20), tous les autres seront coulés dans la chape (NB: au RDC, il y a aura un plancher chauffant)
Est-ce que quelqu'un peut me conseiller/corriger le schéma ou me proposer des modifications. Je lui serais très reconnaissant de l'aide précieuse.
Une fois le schéma validé, je demanderai une estimation de la liste du matériel nécessaire.
Cordialement,
[img=20x20]<img src=[/img]


