Sujet : (schéma) Avis sur un schéma plomberie/chauffage
Bonjour, ![]()
Je viens demander conseil et avis sur ma future installation en rénovation. Après lecture de plusieurs forums et site de marque distributeur, je me suis un peu perdu dans toutes les techniques et solutions...
Pour résumer, maisons sur 3 étages, 2 étages mal isolés et 1 étage en création total donc isolation au max. Nous sommes 2 sans enfants
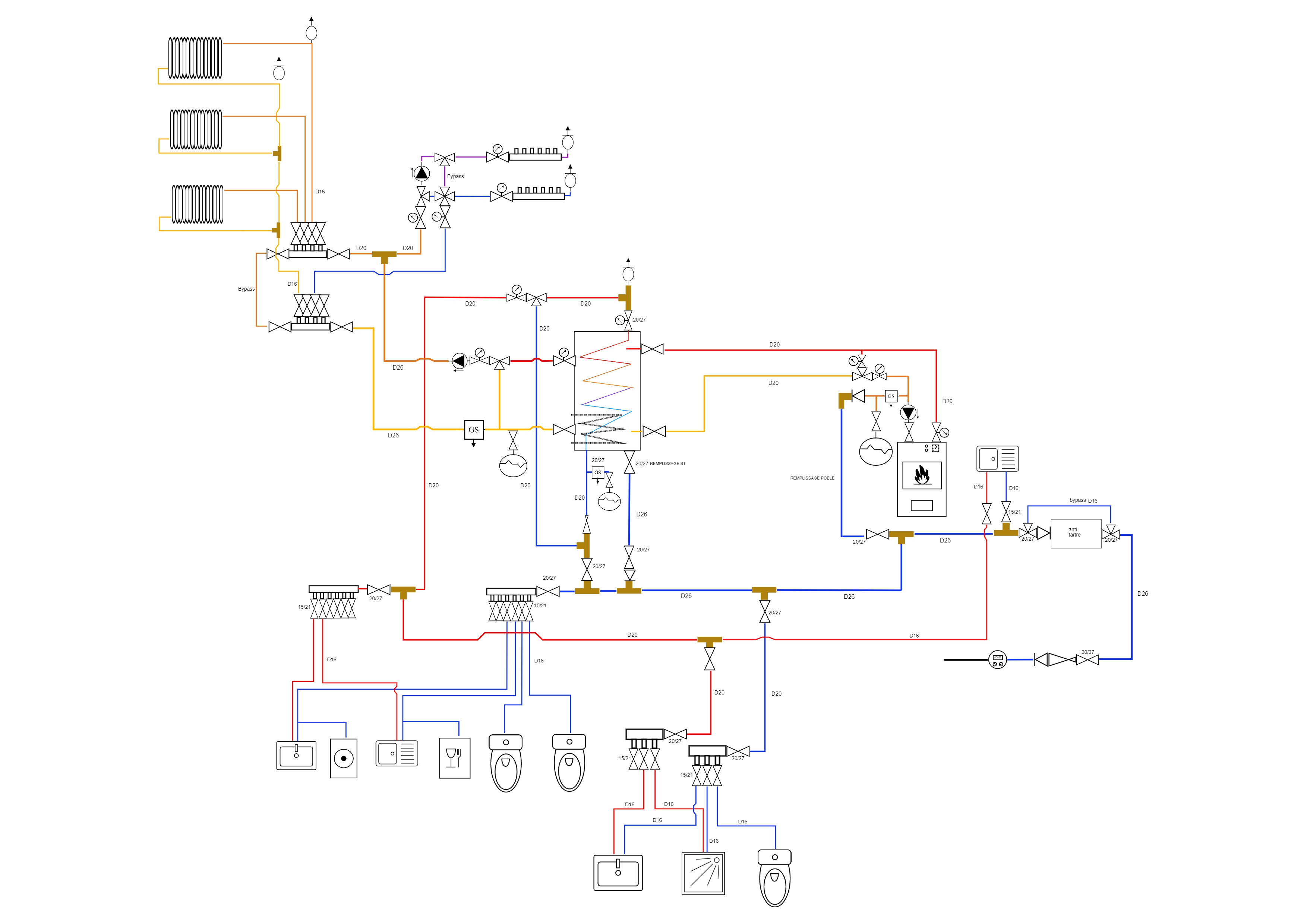
Voici l'idée de projet, le schéma n'est pas tout à fait terminé :
Donc, pour la plomberie schéma classique, 1wc par étage (il y a déjà 2 wc existants), 1 salle de bain et 1 cuisine.
Pour le chauffage, poêle à granule hydro 32kw avec ballon tampon ECS instantané +1 échangeur solaire (pour le futur) (1000 l peut-être?), radiateur basse température avec vanne thermostatique (200cm*60cm t33) sur les 2 étages mal isolés (+ plancher chauffant non régulé sdb 2e) et plancher chauffant dalle sèche au 3e étage avec thermostat ambiance et sonde extérieur contrôlant le collecteur.
Voila, je crois avoir fait le tour...
Merci d'avance et à bientôt
Matthias


