Re : Tube de cuivre en 19 extérieur !
non pour pas que ton cuivre c déchire quand tu fais ton emboiture
Non connecté Se connecter S'inscrire
Ceux forums sont obsolètes, pour cette raison, Plombiers-réunis est actuellement en cours de mise a jour, malheureusement il n'est plus possible d'utiliser ces forums, toutefois, le contenu reste disponible en lecture, pour une durée de quelques mois avant suppression definitive. Désolé pour la gêne occasionné.
Une nouvelle version est en train d'etre installé: Ici, ceux qui désirent participer en lecture ou écriture, peuvent s'inscrire ou mettre a jours leur mot de passe et participer.
Plombiers Réunis » Dépannages et Pièces détachés (mécanique maison) » Tube de cuivre en 19 extérieur !
Pages ◄ Précédent 1 2
Vous devez vous connecter ou vous inscrire pour pouvoir répondre
non pour pas que ton cuivre c déchire quand tu fais ton emboiture
Bonjour:
Attention si vous entre du cuivre de Ø18 dans le Ø19 l'emboiture, vous ne devez pas faire l'emboiture a fond, vous devez seulement gagner le mm manquant, or le tube de Ø19 fait normalement Ø17 intérieur.
Si vous avez la possibilité de braser c'est mieux car les soudures a l'étain ne sont pas trop résistantes.
Bonjour,
voilà l'emboîture est faite
sans trop de difficultés
ainsi que la soudure à l'étain.
Merci à tous pour tous les précieux conseils.
Le hic c'est que je ne peux pas savoir si c'est bien fait
car je n'arrive pas à faire démarrer la pompe
en effet sur la nouvelle pompe je ne sais pas où brancher l'asservissement.
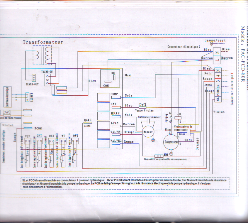
Pour mémoire j'ai un module qui commande la chaudière gaz et la PAC
priorité étant donné à la PAC
du module part 3 fils (M-N-T) qui servent à ''commander la PAC''.
Dans le coffret de la PAC il y a bien un connecteur avec 5 emplacements (sl-pcom-qz-3-4-n) :
- sl et pcom branchés au commutateur à pression hydraulique
- qz et pcom branchés à l'interrupteur de marche forcée
- 3 et n branchés à la résistance eléctrique
- 4 et n branchés à la pompe hydraulique
Le pcb ne fait qu'envoyer les signaux à la résistance électrique et à la pompe hydraulique.
Il n'est pas relié directement à l'alimentation.
Voilà mon problème.
Je peux scanner le shéma si quelqu'un peut m'aider.
Merci
Bonjour.
Je viens peut etre un peut tard mais mieux vaut tard que jamais.
Scannez donc le schéma de la pompe et postez le sur le forum.
Bonsoir,
merci Alleauplombier,
merci pour votre suggestion,
non il est pas trop tard.
Le fichier est à votre disposition.
Merci
Avez-vous deja fait des branchements? si oui lesquels?
Re,
merci Alleauplombier,
actuellement je n'ai connecté que l'alimentation secteur sur le bornier L et N, en haut à droite sur le schéma plus la terre sur le chassis du coffret intérieur.
merci
Pages ◄ Précédent 1 2
Vous devez vous connecter ou vous inscrire pour pouvoir répondre
Plombiers Réunis » Dépannages et Pièces détachés (mécanique maison) » Tube de cuivre en 19 extérieur !
Nous sommes dans l'obligation technique de changer l'architecture et la structure de notre site, une nouvelle version est en cours d'installation ici:, rendez vous sur ce nouveau forums pour retoruver votre compte et vos messages, au besoin demandez un nouveau mot de passe, ce forum reste cependant actif et accessible mais en lecture seule, il n'est plus possible de s'inscrire ni de demander de l'aide.