Sujet : shéma maison individuelle a étage
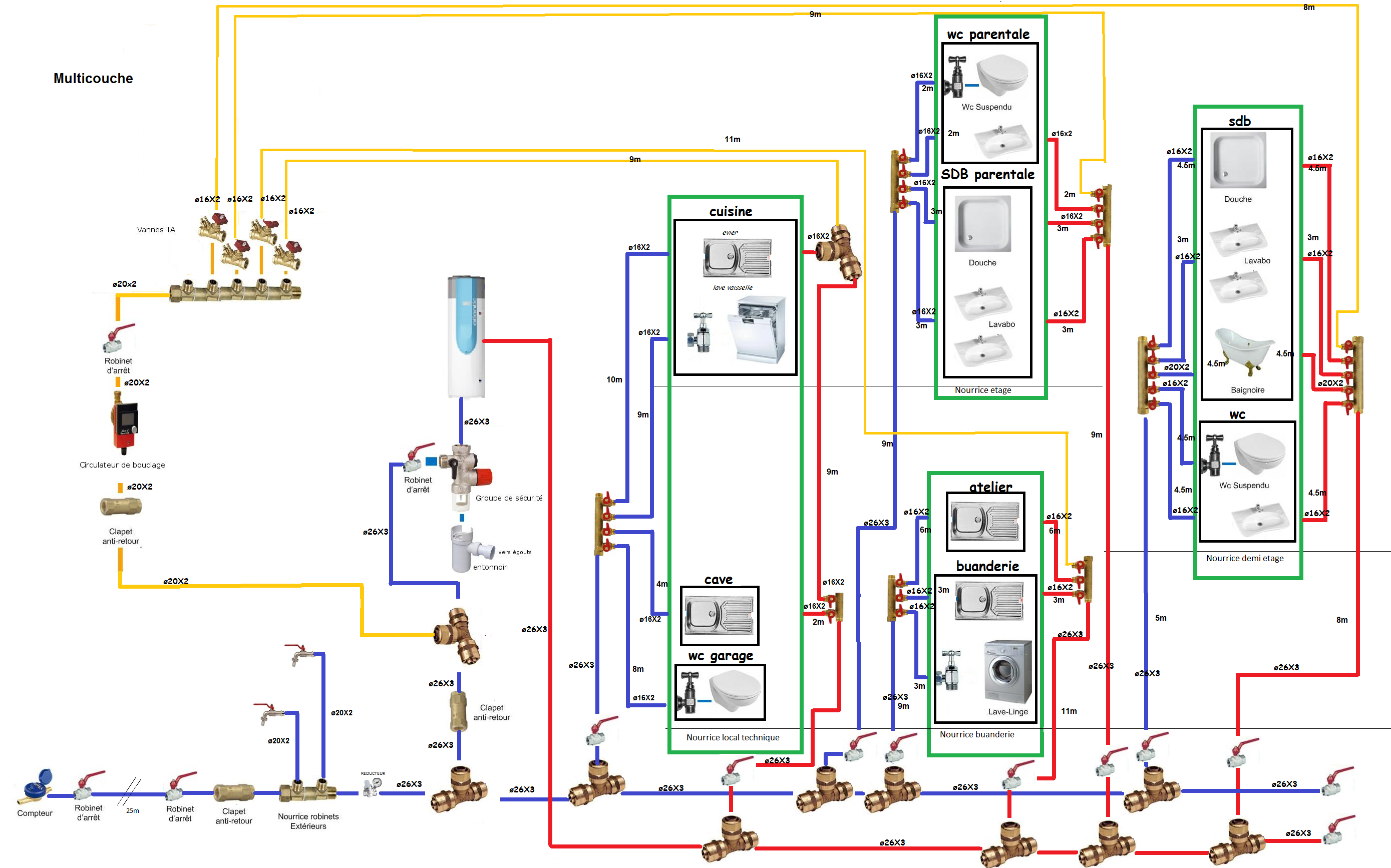
Salut tout le monde. Tout d’abord je vais vous présenter ma maison et l'installation que je veux faire.
C'est une maison qui comporte 3 niveaux : le niveau garage/buanderie/atelier , un demi niveau (1m plus haut que le garage) et l'étage (2.5m plus haut que le garage).
Je souhaite réaliser une installation en multicouche avec des raccord a sertir.
Pour tous les tuyaux d'eau chaude je veux utiliser du multicouche isolé (non gainé) et pour l'eau froide du multicouche gainé.
Afin d'avoir un confort j'ai opté pour une boucle d'eau chaude avec une pompe circulateur qui ne tournera que quelque minute car elle sera réglé par un programmateur. Cette boucle d'eau chaude n'est pas directement sur chaque équipement mais sur les nourrices qui sont au plus prêt des équipement (même pièce).
Tous les tuyaux seront soit noyer dans les dalles et les remontées seront dans les cloisons placo. Peux t'on installer des tuyaux isolé directement dans les dalles ou doit-on le gainé?
Bon trêve de discourt voici mon schéma qui vaudra mieux que de long discourt.
Merci d'avance pour ceux qui prendront le temps de me lire et de me répondre.


