› Communauté › Chauffage et climatisation › Bouilleurs, Chaudières bois, Solaire, Pompes a chaleur › Poele Bouilleur avec BT éloigné
- Ce sujet contient 1 réponse, 2 participants et a été mis à jour pour la dernière fois par
El-Homari, le il y a 1 année et 1 mois.
-
AuteurMessages
-
-
22/12/2024 à 23h17 #25970
Bonjour à tous,
Je rénove actuellement une maison et je dois faire le système de chauffage assez rapidement avant que les grands froids arrive car j’ai démonté le précédent système de chauffage électrique lors de la rénovation.
Les anciens propriétaires m’ont laissé une cuisinière bouilleur Thermo Magnum qui n’a été jamais été installé, et je souhaite l’intégrer sur le système de chauffage centrale en cours de réalisation.
J’ai déjà installé 8 radiateurs acier dans la maison en circuit bitube centralisé sur deux nourrices de chauffage.
J’aimerais dans un premier temps installer le bouilleur avec le BT et dans un deuxième temps(l’année prochaine) installer un deuxième appareil de chauffe type chaudière granulés ou PAC afin d’avoir plus d’autonomie les jours d’absence et compléter la chauffe en cas de grands froids.
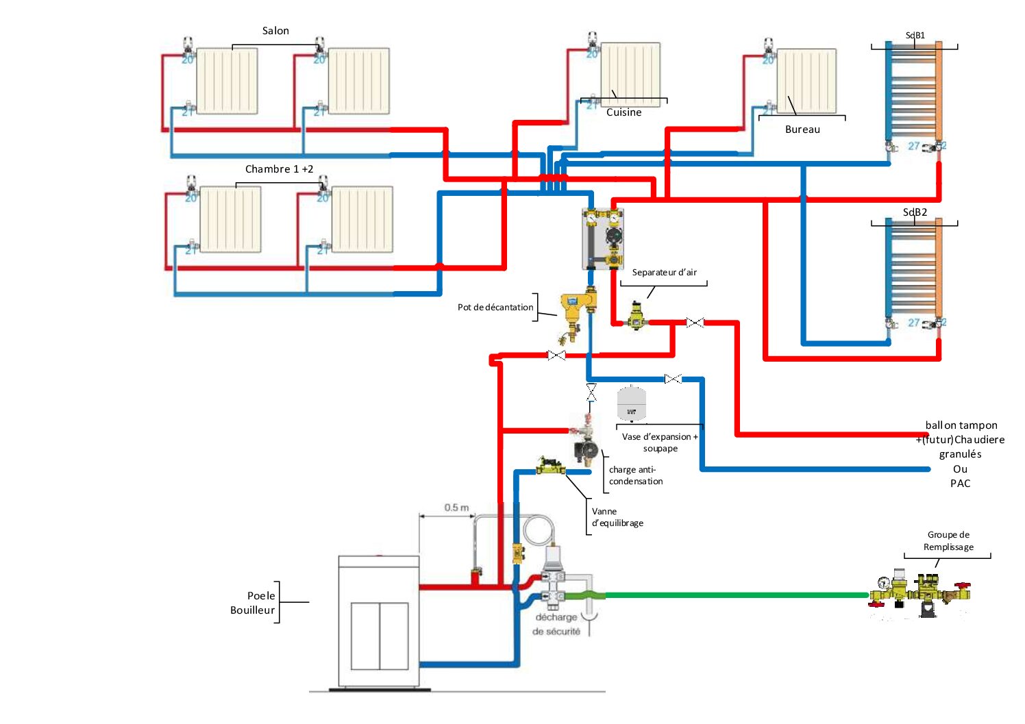
La particularité de l’installation est que le ballon tampon se trouvera à 15 m du bouilleur et 5m des nourrices de chauffages.
Plusieurs questions me viennent :
1)La distance entre le bouilleur et le BT est elle un problème ?
2)Comment prioriser sur mon schéma(incomplet) le circuit de chauffage au BT?
3) A quoi sert la V3V sur le module hydraulique si la régulation de chauffage se fait avec les vannes thermostatiques des radiateurs?
4) Le vase d’expansion doit-il être au plus près du bouilleur comme sur le schéma ou plutôt à coté du BT? (j’ai cru comprendre qu’il était interdit d’avoir 2 vases d’expansions sur la même installation?)Je suis preneur de toutes vos remarques et suggestions!
Je vous remercie par avance pour le temps passé sur ma problématique.
Bonne soirée à vous!
Attachments:
-
06/01/2025 à 17h27 #61104
Bonjour.
Meilleurs vœux pour 2025
Désolé mais avec les fetes nous n’avons pas vu votre sujet.Je trouve que le schéma est plutôt bien fait.
La V3V est indispensable car le bouiller peut produire de l’eau a des températures trop élevés pour etre injecté directement dans le réseau de radiateurs, pour cette raison tous les groupes de départ sont équipés d’une vanne de mélange ou V3V, pour un fonctionnement optimal cette vanne devrait être piloté par une petite régulation qui va gérer la températures de l’eau du circuit radiateurs.Ensuite tel que c’est dessiné votre circuit donne deja la priorité au circuit radiateur, s’il y a un surplus il ira au ballon tampon, il faut juste s’assurer que le débit du circulateur principal est supérieur au debit de du circulateur des radiateurs, dans le cas contraire le circulateur des radiateurs prendra tous le debit du circulateur principal et aspirera aussi de l’eau du BT meme si elle est froide.
Meme si c’est bien, moi je préfèrerais alimenter le circuit de chauffage depuis le ballon tampon.
Imaginez.
Le bouilleur envoi sa production au BT peut importe la distance vous isolerez les tuyaux pour gagner en efficacité, et entre le bouilleur et le BT vous utilisez des tuyaux en cuivre, acier, ou inox, pas de tuyaux en plastiques sous peine de les voir éclater en cas de surchauffe.Ensuite, vou faites un départ ou des départs de chauffage en utilisant le module de départ, vous prendrez le départ de chauffage en partie supérieure du BT, vous conditionnez le démarrage du module de depart de chauffage avec un thermostat/aquastat de façon a ce que le circulateur radiateur ne puisse démarrer qui si le haut du BT est chaud.
De cette façon vous n’avez pas a vous soucier des débit des circulateurs, ni de la priorité au circuit de chauffage.
-
-
AuteurMessages
- Vous devez être connecté pour répondre à ce sujet.
› Communauté › Chauffage et climatisation › Bouilleurs, Chaudières bois, Solaire, Pompes a chaleur › Poele Bouilleur avec BT éloigné
