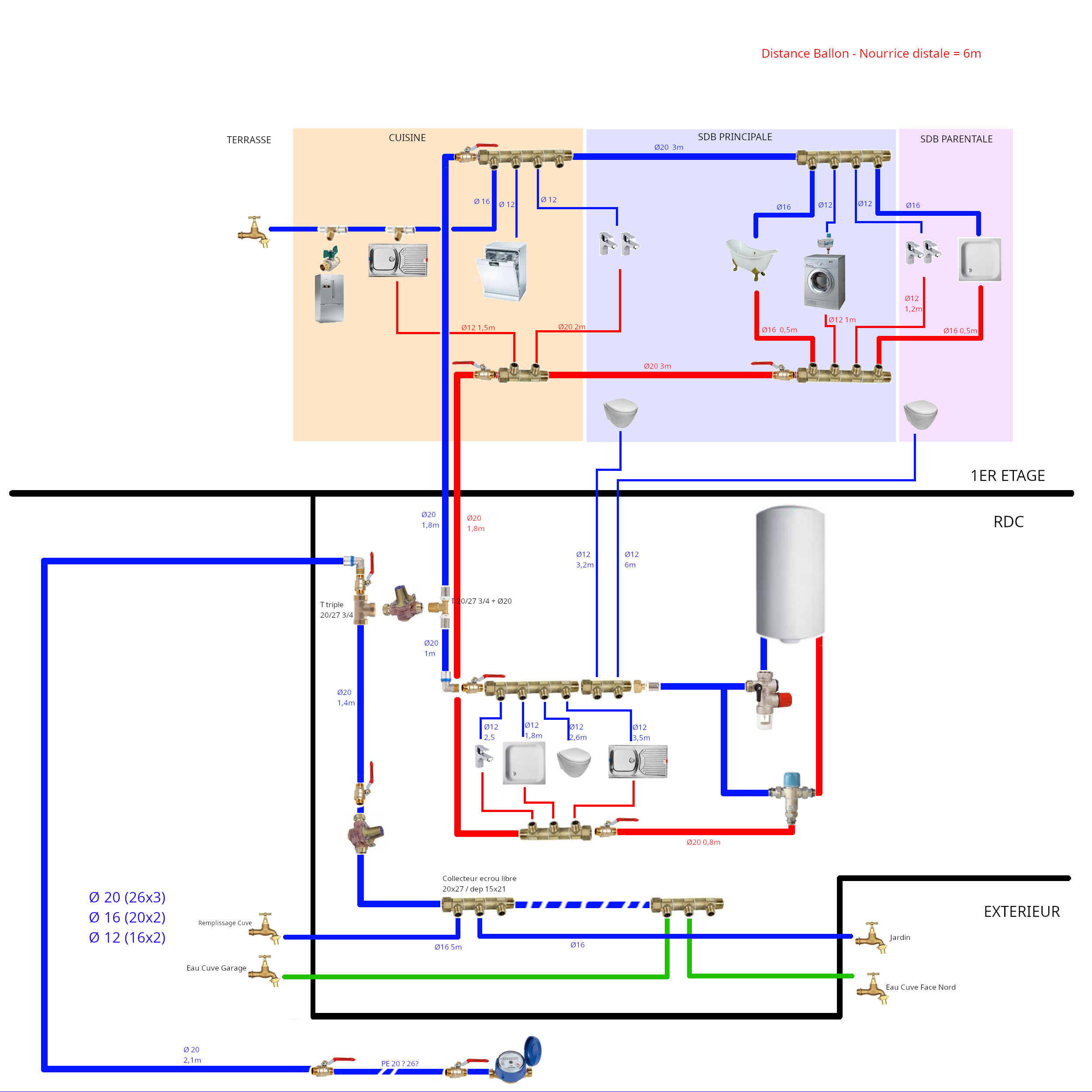
Sujet : Avis schéma rénovation plomberie multicouche 2 niveaux
Bonjour à toutes et à tous,
tout d'abord merci pour la mine d'or qu'est ce blog et forum, très instructif.
Je souhaiterai soumettre à votre avis mon projet. Rénovation complète d'une maison, je prévoie de refaire toute la plomberie.
Quelques précisions :
- Arrivée d'eau en bas. Je ne connais pas le diamètre exacte du PE / à vérifier lorsque j'aurais les clés !
- Actuellement tout le réseau est derrière le réducteur. Dans ce plan, j'ai mis les robinets de jardin en amont du réducteur. La différence est-elle franchement significative ? J'aurais un 2e réducteur à disposition, interêt de le mettre en sécurité, par exemple à 5 bar sur le côté jardin ? Je ne connais pas la pression du réseau
- Le collecteur le plus bas à droite, sera temporairement alimenté par réseau eau, mais à vocation à être reconnecté plus tard sur une cuve de récupération d'eau de pluie, avec remplissage par surverse (robinet remplissage cuve)
- Le 1er étage est la zone d'habitation principale. RDC = garage, zone technique, et une chambre annexe avec petite salle de bain d'appoint pour visiteurs / utilisation faible
- Sur le collecteur froid du RDC : collecteur 2 voies reliés aux WC du haut pour garder une possibilité ultérieure de les connecter à l'eau de pluie (je débrancherai cette nourrice, déportée en bas, et le chauffe eau relié en bout de la 4 voie)
- A l'étage : 2 salles de bains : une principale avec baignoire et une douche chambre parentale.
- Le diamètre des liens inter collecteurs (26x3) est-il adapté ou du 20x2 suffirait-il ? En particulier pour l'eau chaude, 20x2 pour moins de pertes calorifiques ?
- Les distances sont peu importantes, je ne pense pas qu'un bouclage soit pertinent ?
(en considérant que je pense à moyen terme, remplacer le chauffe eau par un chauffe eau solaire thermique / donc techniquement de l'eau chaude "gratuite" = faible cout d'un bouclage)
- Peut être que des points de puisages peuvent être regroupés : en particulier douche et lavabo de la SdB du bas avec un T (sur un DN 12 ou DN16?) ?
En vous remerciant grandement pour vos éclairages
Bien cordialement


