Sujet : Avis Installation chauffage
Bonjour a tous,
je souhaitais avoir un avis de collègue concernant mon installation de chauffage. Je precise que c'est une chaudière gaz murale pour chauffage uniquement, je ne lai pas encore choisis (le modèle).
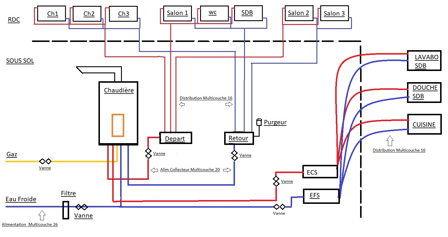
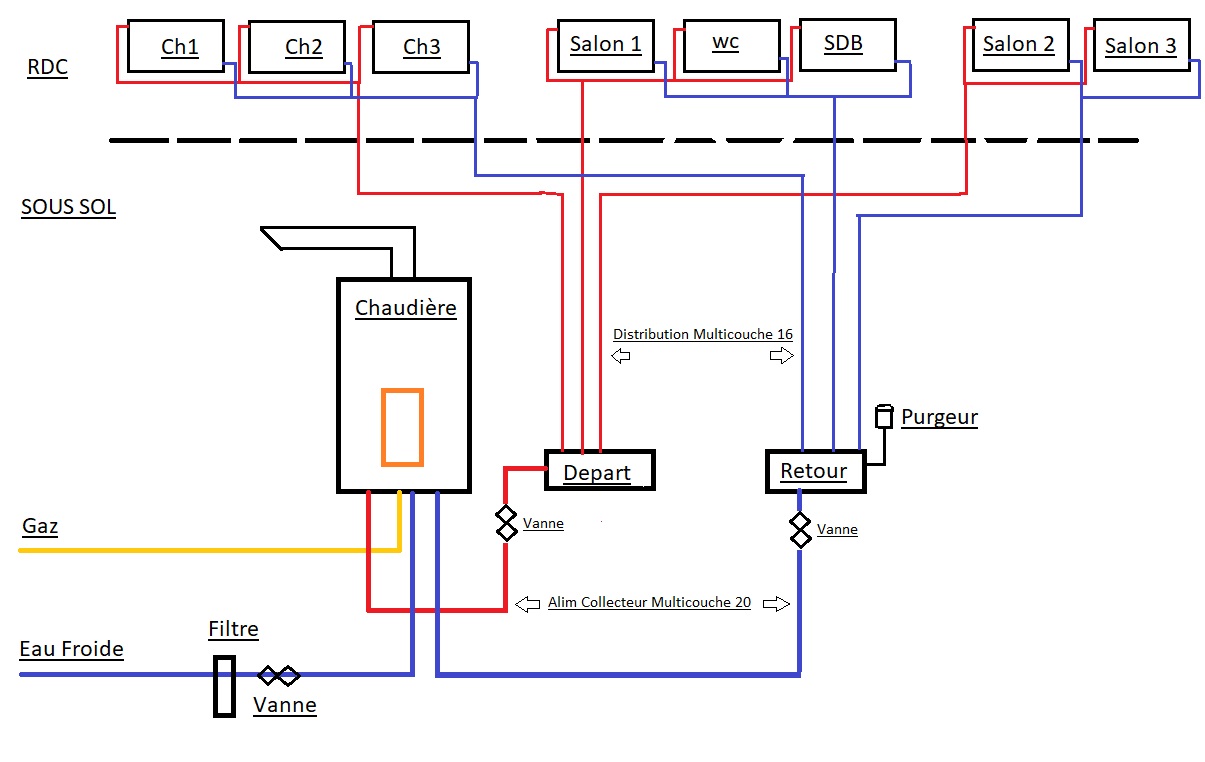
Voici mon schéma


