Sujet : Besoin conseils et avis sur installation chauffage
Bonjour,
Devant refaire tout mon chauffage,suite à une extension
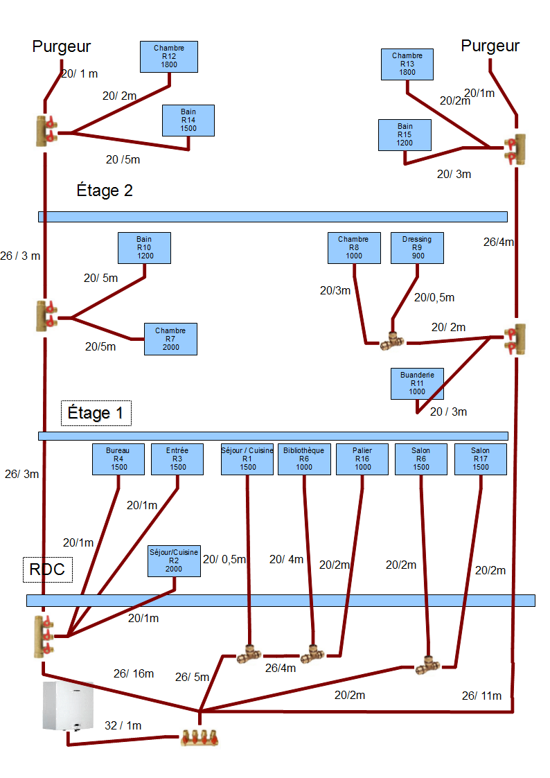
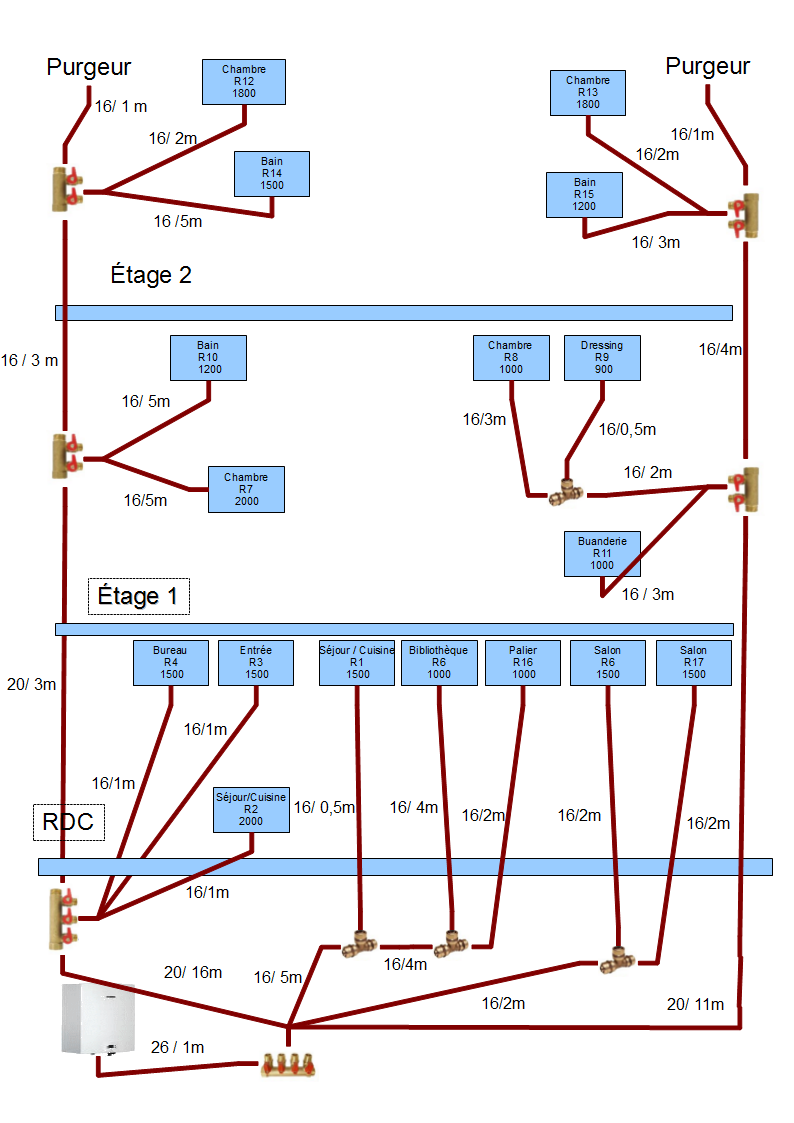
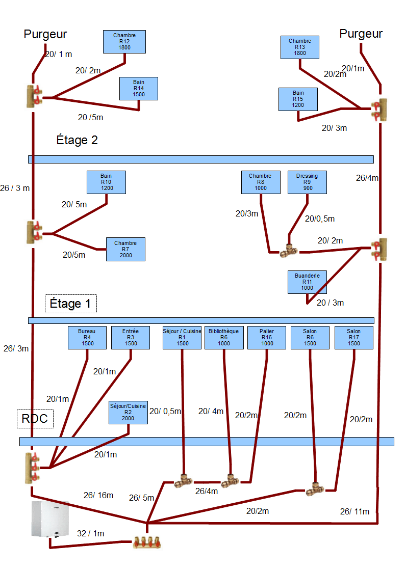
Je vous soumet mon premier schéma .
Le réseau sera en multicouche, radiateur alu, sauf pour 5 ancien (plisse) qui seront conservés
Par convention, pour les tuyaux, j'ai indiquer les sections ext/distance en mètre
Pour les radiateurs, nom de la pièce, numéro du rad, puissance
Pour ce qui concerne les retours, ils suivront les mêmes schéma que les alimentations.
La chaudière existante est un frisquet prestige 23k.
Merci par avance pour vos retours
Gerard


