Sujet : Schema Plomberie neuf
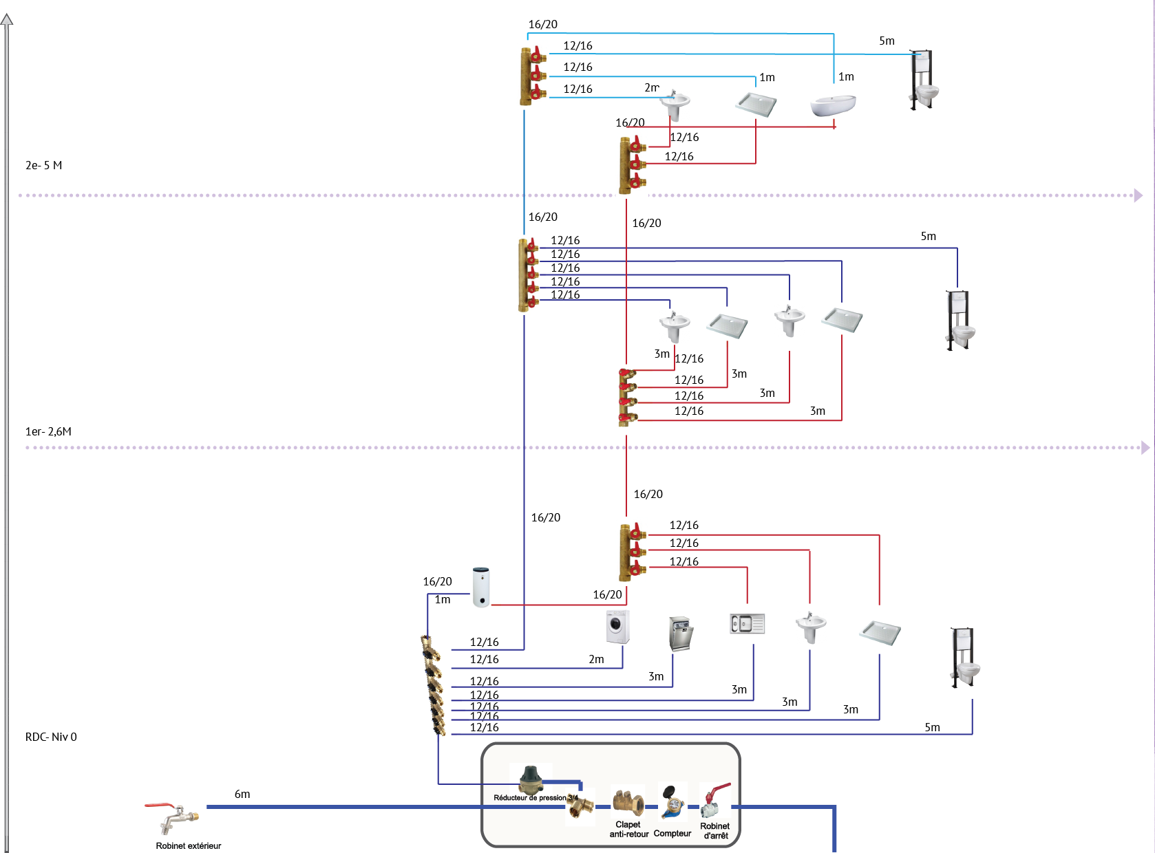
Bonjourje sollicite l'avis des experts du forum au sujet de mon schema en PER multicouche en neuf
Installation en cloison, multicouche gainé
Merci pour votre aide et remarques
Non connecté Se connecter S'inscrire
Ceux forums sont obsolètes, pour cette raison, Plombiers-réunis est actuellement en cours de mise a jour, malheureusement il n'est plus possible d'utiliser ces forums, toutefois, le contenu reste disponible en lecture, pour une durée de quelques mois avant suppression definitive. Désolé pour la gêne occasionné.
Une nouvelle version est en train d'etre installé: Ici, ceux qui désirent participer en lecture ou écriture, peuvent s'inscrire ou mettre a jours leur mot de passe et participer.
Plombiers Réunis » Installations de plomberie sanitaire (schémas) » Schema Plomberie neuf
Pages 1
Vous devez vous connecter ou vous inscrire pour pouvoir répondre
Bonjourje sollicite l'avis des experts du forum au sujet de mon schema en PER multicouche en neuf
Installation en cloison, multicouche gainé
Merci pour votre aide et remarques
Bonjour,
Je ne suis pas un expert, mais par contre je suis très intéressé par votre plan et les réponses que vous allez recevoir. Je me demandais justement s'il était concevable, pour des raisons de distribution en étage, de mettre les nourrices en série. Envisagez-vous un bouclage eau chaude ? Comment le feriez-vous ?
Bonjour.
@alowe dans l'ensemble votre schéma me parait correct.
@zinzen je vous conseille d'aller sur la partie blog accessible depuis les barre de navigation, puis il y a beaucoup d'exemples de schémas, modèles pour ainsi que les diamètres, le bouclage dans différentes configurations.
Bref... une vraie mine d'infos, il suffit de prendre un peu de temps et de parcourir les pages.
Bonjour
@Alleauplombier
Merci pour votre retour
j'ai juste un doute sur la remontée EF depuis la sortie de nourrice RDC en 12/16 vers la nourrice du 1er
Ne serait il pas plus judicieux de faire une nourrice en 16/20 EF au RDC pour assurer l'alimentation de la nourrice 7 points (12/16) au RDC et remonter vers la nourrice du 1er ?
@zinzen : j'ai étudié un schéma avec ciruclateur disponible sur le forum
je souhaite éviter cette solution et tous mes points sont tres concentrés par rapport à la montée du reseau ^(prévu lors de l'étude et redaction des plans)
Merci pour vos remarques
Autant pour moi, je n'avais pas vu que le diamètre était affiché 2 fois j'avais pris en compte ce qui est marque au milieu de la ligne.
Je vais même plus loin..... je vous conseille d'utiliser un té en entrée ou sortie de nourrice pour alimenter les nourrices supérieurs, actuellement vous les alimentez depuis une sortie de nourrice en 15/21 ce qui risque de réduire lé débit, utilisez plutôt la solution avec le té.
Effectivement, je n'avais pas vu cela comme ça
J'ai donc ajouté un T au départ (plan modifié) afin d'alimenter la nourrice EF du 1er
Par contre, je peux reprendre en sortie de cette même nourrice pour monter au 2e ?
PS : ci-dessous quelques détails sur les équipements (Anjou Connectique):
- Tubes multipex Ø16x2,0 (12/16) et Ø20x2,0 (16/20)
- Nourrices Anjou Monobloc, mini vannes 1/2”, extrémités
males 3/4”, Ø passage : 18,5
Encore merci pour votre aide
J'ai donc ajouté un T au départ (plan modifié) afin d'alimenter la nourrice EF du 1er
Par contre, je peux reprendre en sortie de cette même nourrice pour monter au 2e ?
C'est ok,
Vous pouvez alimenter une nourrice depuis le bout de la précédente sans aucun problème.
En ce qui concerne les matériaux, je ne suis pas en mesure commenter.
Merci pour le temps que vous avez bien voulu passer à analyser mon schéma
Pages 1
Vous devez vous connecter ou vous inscrire pour pouvoir répondre
Plombiers Réunis » Installations de plomberie sanitaire (schémas) » Schema Plomberie neuf
Nous sommes dans l'obligation technique de changer l'architecture et la structure de notre site, une nouvelle version est en cours d'installation ici:, rendez vous sur ce nouveau forums pour retoruver votre compte et vos messages, au besoin demandez un nouveau mot de passe, ce forum reste cependant actif et accessible mais en lecture seule, il n'est plus possible de s'inscrire ni de demander de l'aide.