Sujet : Shéma plomberie
Bonjour à tous,
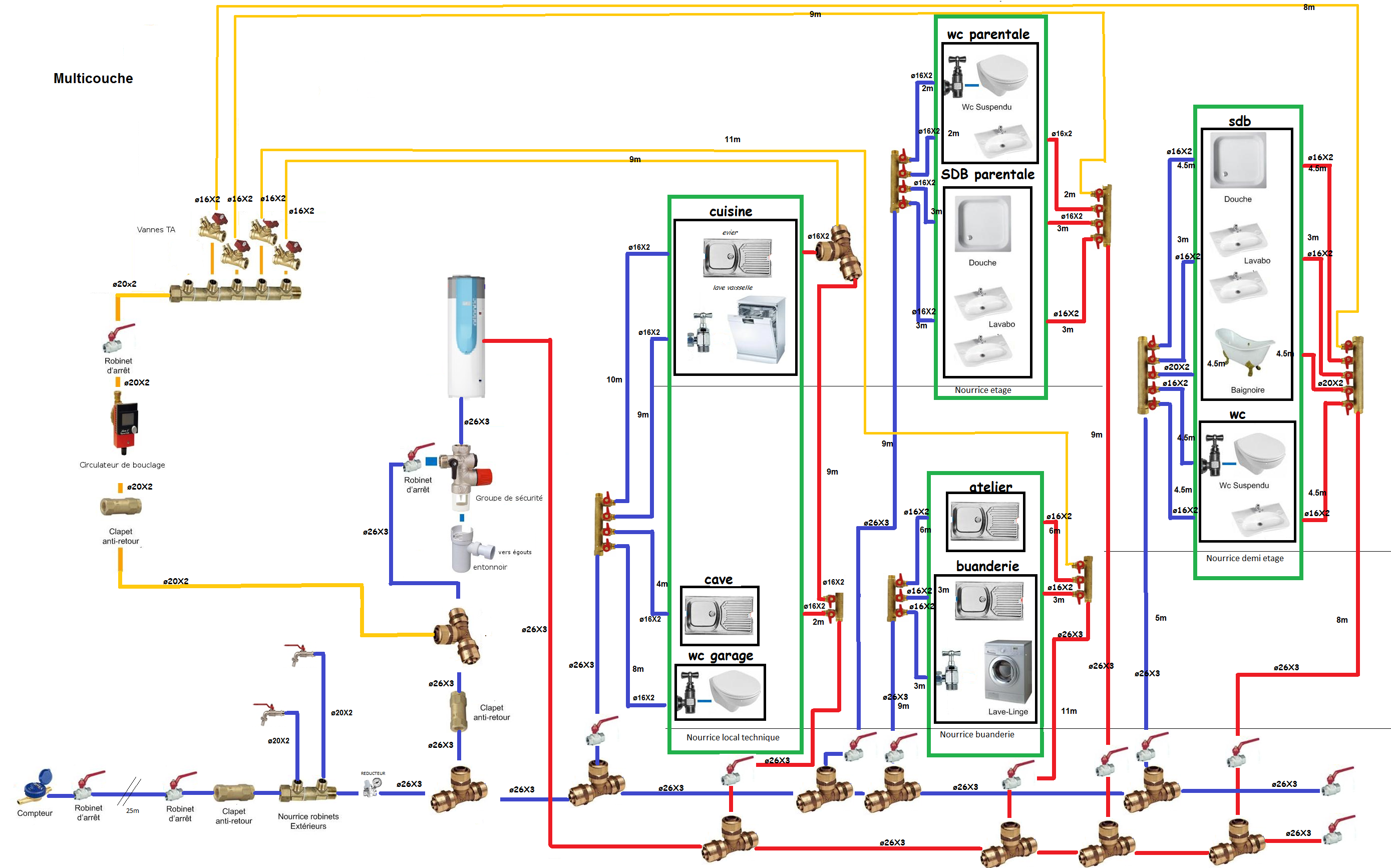
Je suis en train de refaire ma plomberie et en passant pas mal de temps sur le forum je me suis décidé à m'inscrire pour poser quelques questions.
Tout d'abord j'aimerais savoir comment faites vous vos schémas ? avec quelles applis/logiciels car je trouve vos schémas hyper clair et j'ai beau tenter de faire de même je n'y arrive pas.
Je vous met quelques exemples de ce que j'aimerais faire comme schéma.
Merci d'avance à tous.


