Sujet : Avis sur schéma plomberie construction maison
Bonjour à tous !
Cela fait quelques semaines que je lis différents sujets sur ce forum qui est une mine d'or pour un "non-professionnel" comme moi.
Je suis en train de construire ma maison et comme j'ai réussi à me libérer de mon travail pour plus ou moins un an, et que j'aime bricoler, je me consacre à 100% à notre projet de construction.
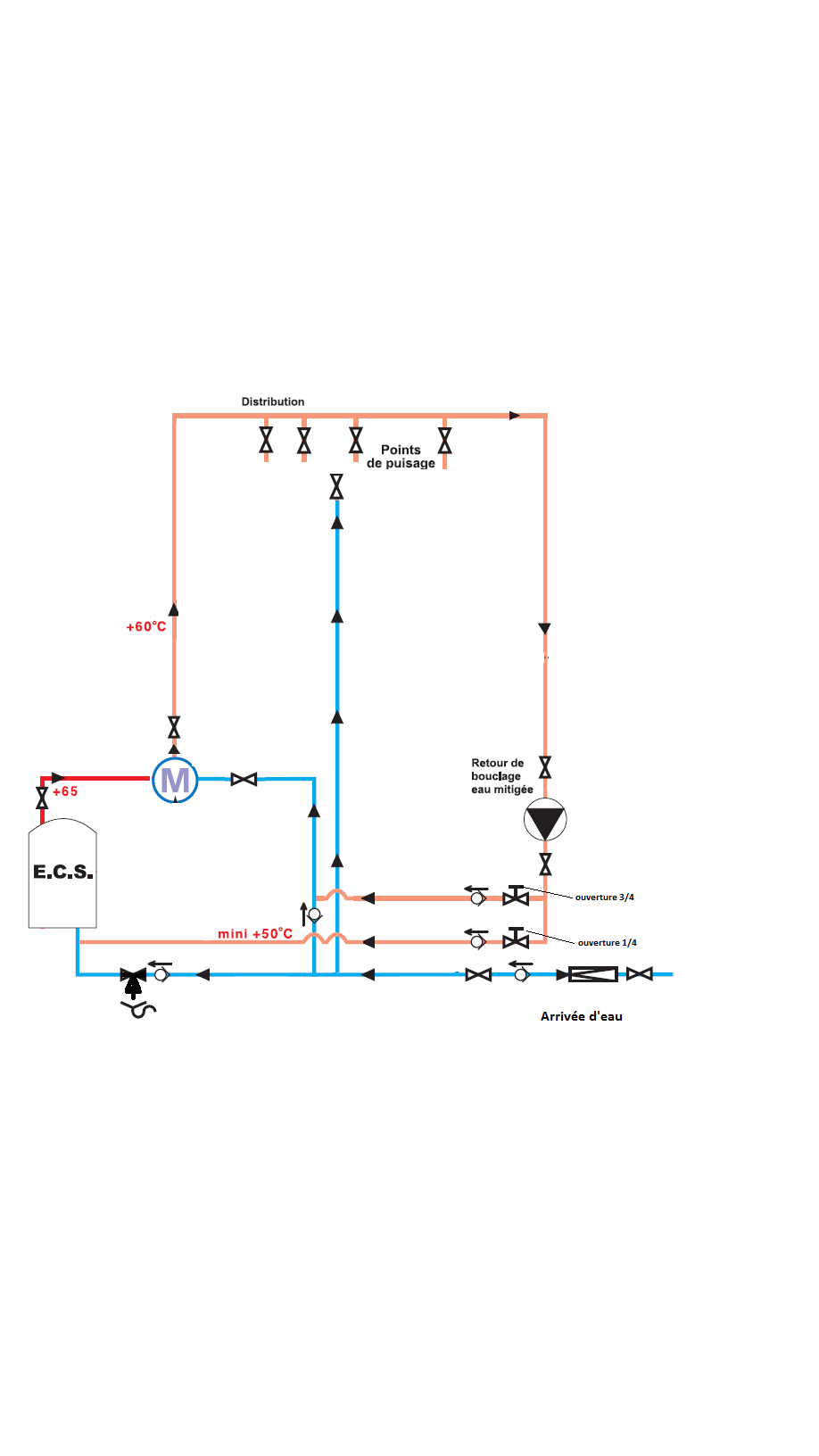
J'attaque la plomberie et j'aurai bien aimé avoir un avis sur mon schéma de plomberie.
C'est la première fois que je fais un schéma comme celui-ci. J'espère que c'est compréhensible.
Toute l'installation est en multicouche à sertir.
Diamètre d'alimentation des nourrices 26
Diamètre baignoire 20
Diamètre douche 20
Diamètre lavabo 16
Diamètre WC 16
Mes questions sont les suivantes :
1) est-ce que l'installation vous semble cohérente ?
2) dois-je mettre des clapets anti-retour à la sortie de chaque nourrice ECS ?
Merci d'avance pour vos retours.


