Sujet : Rénovation maison en pierre en multicouche
Bonjour à tous,
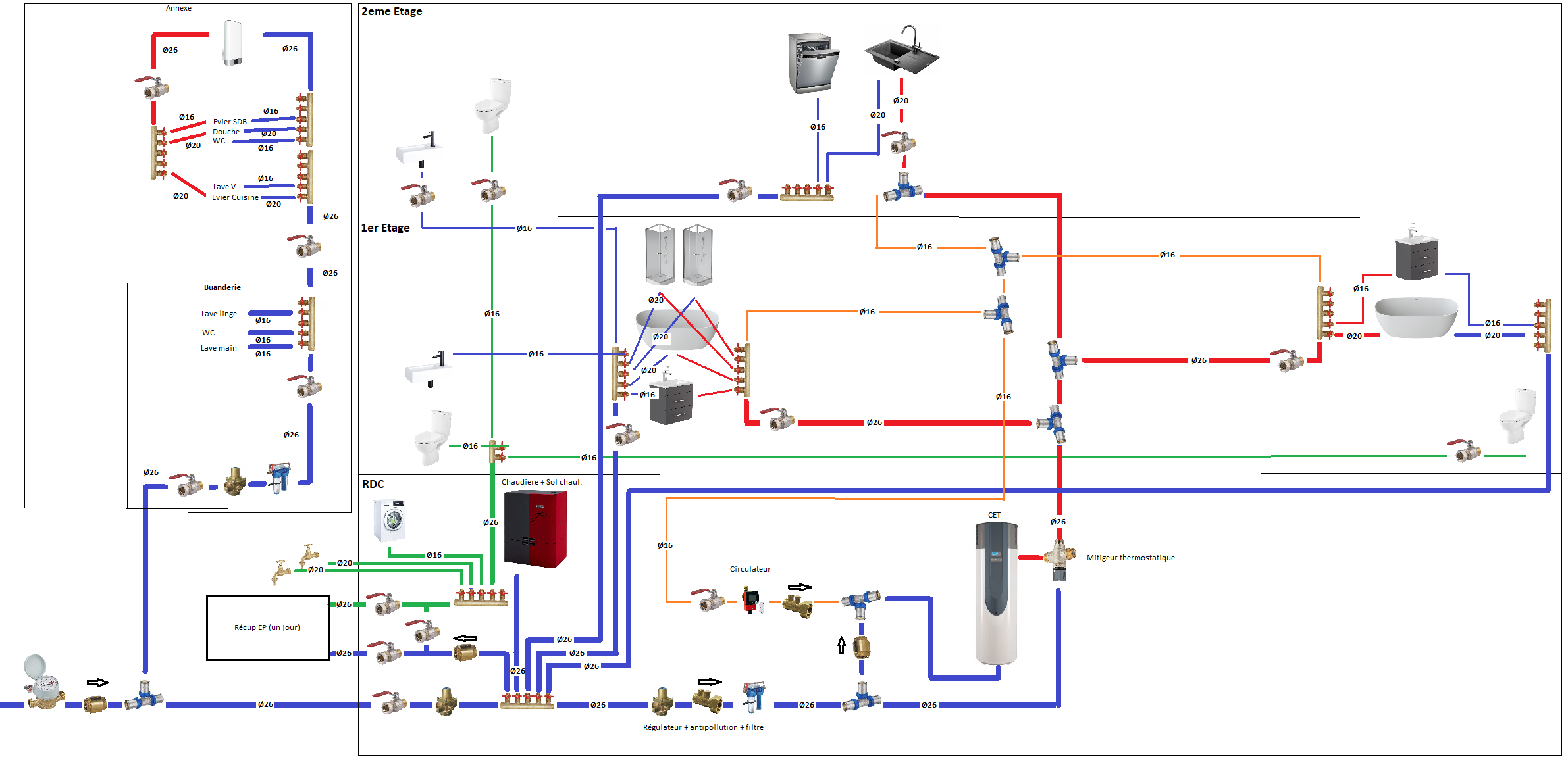
Pour commencer, je tiens a remercier tous les Plombier-Réunis qui contribuent ici et qui ont m'ont grandement aidés pour faire mon shema !
Pour faire un point sur le chantier, je suis novice en plomberie mais au vus de l'explosion des prix, je rénove moi même pour pouvoir finir le chantier une bâtisse en pierre de trois étages qui ne procède actuellement pas de système d'eau courante.
La seule arrivée d'eau alimentera aussi une Annexe attenante à la bâtisse. Le chauffage sera un plancher chauffant alimenté par une chaudière à granule. Pour le moment il n'y a pas de système de récupération des eaux qui est prévus mais j'aimerais pouvoir en installer un plus tard.
Pour la production d'eau chaude, je pencherais pour un CET mais j'ai beaucoup d'interrogation sur la pertinence de mon choix :
- Si je le monte à l'étage, je suis au milieu de mes pièces de vie (chambre etc.). Je ne me rend pas compte de la gêne que ça pourrait occasionner mais ça me semble pas une bonne idée. (bruit, froid généré par les conduits vers l'extérieur etc)
- Si je le met dans le garage, je suis au point le plus éloigné des mes différents point d'eau (10-12m de tuyaux). J'avais prévus un bouclage mais je viens de lire que ce n'est pas forcément une bonne chose avec ce type d'appareil. Du coup je ne sais plus quoi faire !
Je vous met mon schéma actuel même si je sais que le bouclage est peu être pas une bonne idée mais suis preneur si vous avez des idée pour optimiser et rendre viable tout cela !
Merci d'avance


