Sujet : [Résolu] Installation vielle grange Normandie + citerne de 5K litres
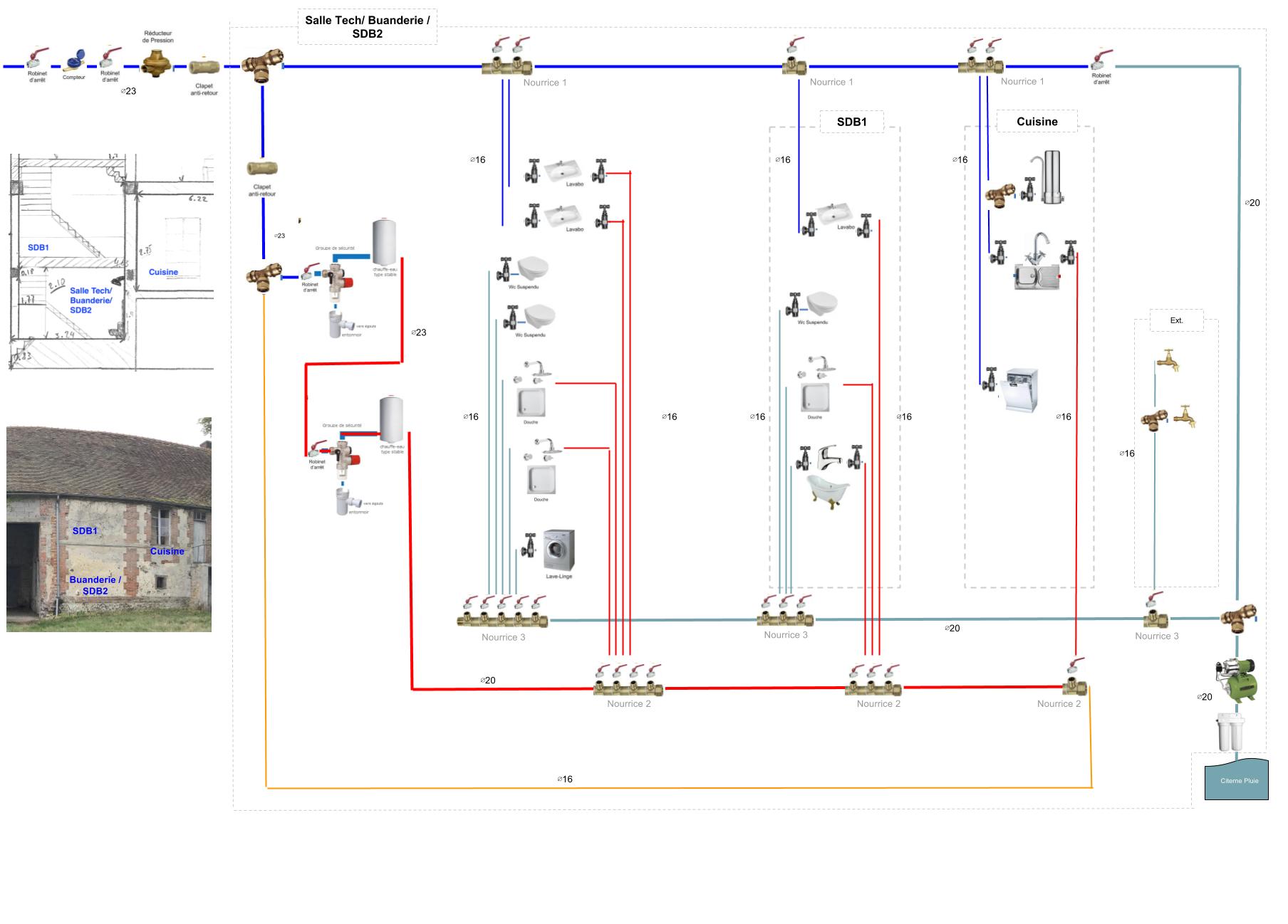
Je vais m'occuper de la partie plomberie de cette vielle grange ici en Normandie.
Pas un pro, et j'aimerai une petite vérification pour m'assurer que je ne fait pas de grosse gaffe.
La citerne est enorme et avec un bon système de filtres, j'aimerai utiliser au maximum cette eau (toilettes, douches etc...)
J'ai lu plusieurs autres installations sur ce forum (merci c'était très interessant) donc je ne pense pas être trop loin.
Toutes les installations sont concentrées/proches de la salle tech/Sdb2 (voire image en PJ)
Mille merci!!


