Sujet : [Schéma] Chauffage + sanitaire (cuivre/acier) vers Multicouche
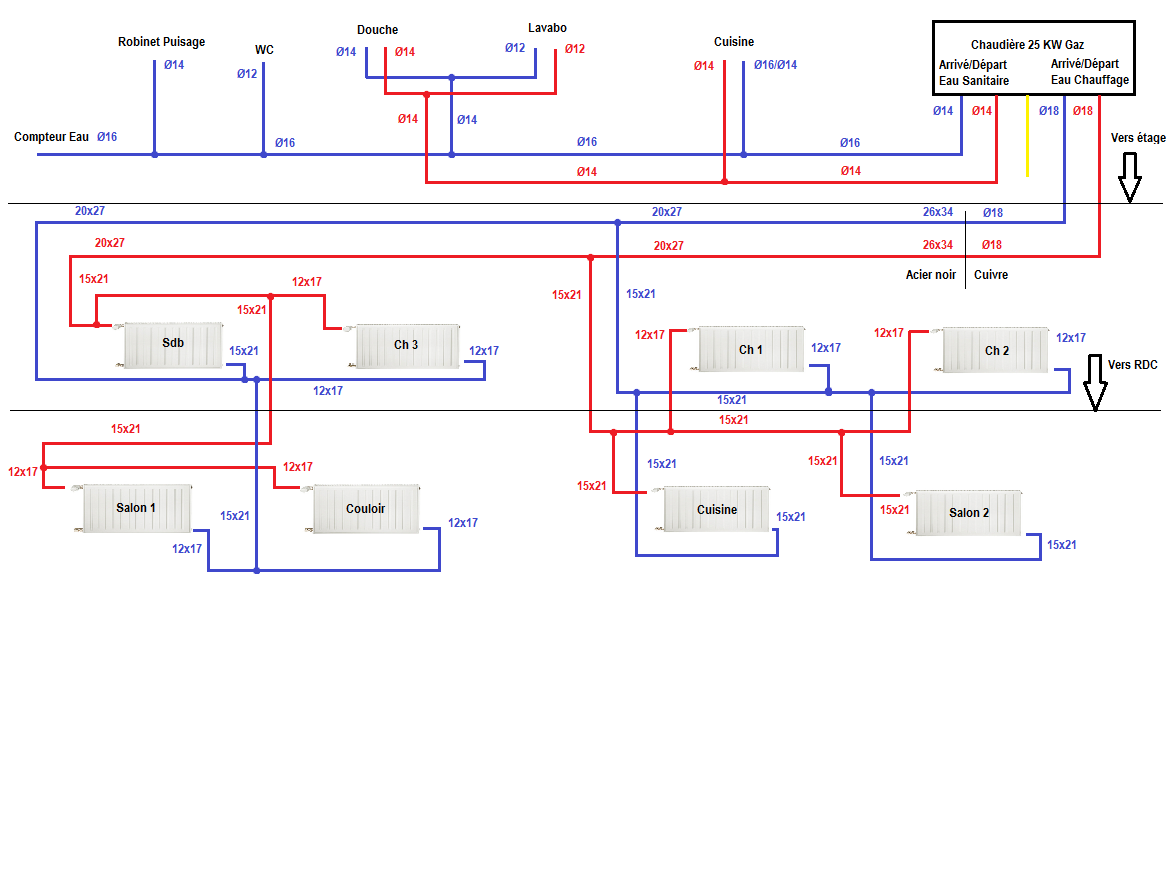
Voila j'ai actuellement une installation de chauffage en acier noir avec chaudière Gaz 25Kw et le sanitaire en cuivre.
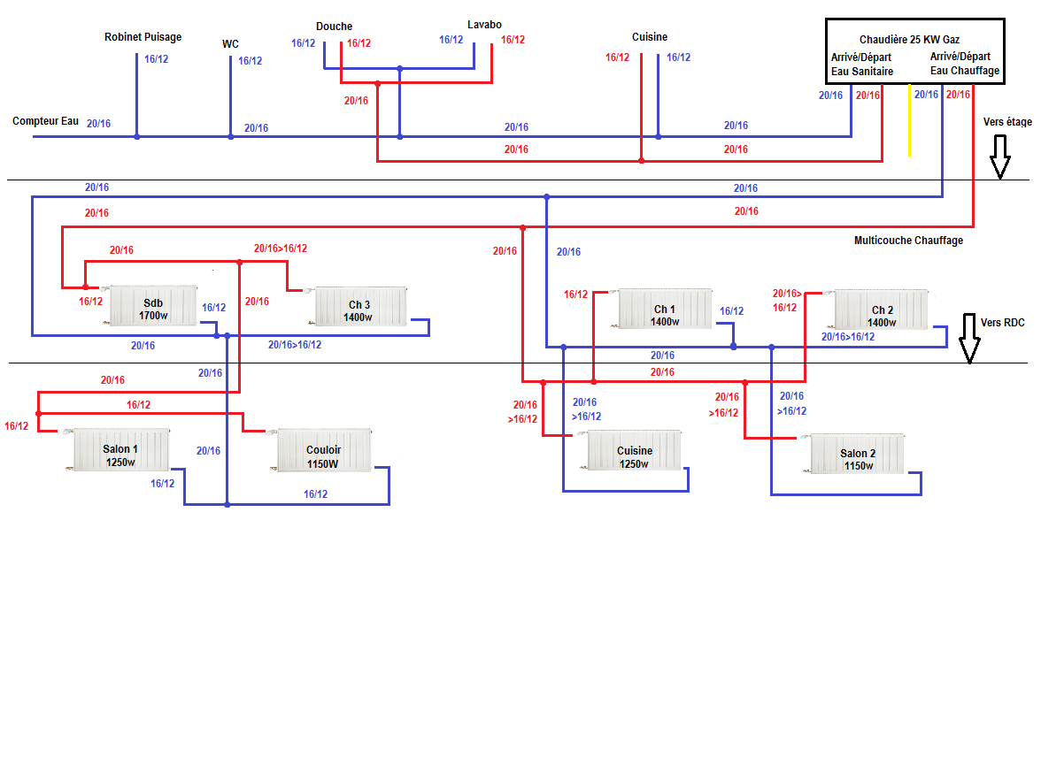
Je voudrais changé l'installation chauffage acier pour du multicouche avec de nouveau radiateur en aluminium et par la suite le sanitaire qui veilli mal et qui est a mon avis pas correct niveau diamètre.
J'ai fait un schéma de l'installation actuel pour savoir sur quel diamétre je doit m'orienté pour le multicouche.
Pourriez vous m'aider pour les diamètre correct sur toutes l'installation ?.
J'ai posté le Schéma de mon installation d'origine et celle prévu en multicouche
Merci.



