Sujet : Quel mode de chauffage en relève?
Bonjour à tous,
je me permets ce post car je sollicite votre aide.
Nous allons très prochainement rénover une maison que nous venons d'acheter en Haute-saône (70).
Il est question notamment de revoir le système de chauffage actuel du bien et les réseaux de plomberie pour l'ECS.
La maison date de 1992, elle possède une isolation des murs (20cm laine + brique) et des combles (20cm laine de verre) que nous allons renforcer.
L'électricité sera également revu par mes soins (remplacement tableau, réseaux et appareillages).
L'intégralité des menuiseries PVC (très datées!) seront également changées. Nous devrions conserver la toiture actuelle (tuiles béton) pour le moment.
Sur la partie chauffage et ECS, elle est équipée d'une chaudière bois (marque PERGE) et d'une chaudière fuel en relève. Il y a également un ballon ECS de 200L mais pas de ballon tampon pour la chaudière bois.
Et c'est précisément pour cette partie que les questions sont les plus nombreuses! En effet, étant ultra novice et plomberie et chauffage, je ne sais pas trop par quel bout commencer…… j'ai lu tout et son contraire… Et c'est là que vous entrez en jeux ![]()
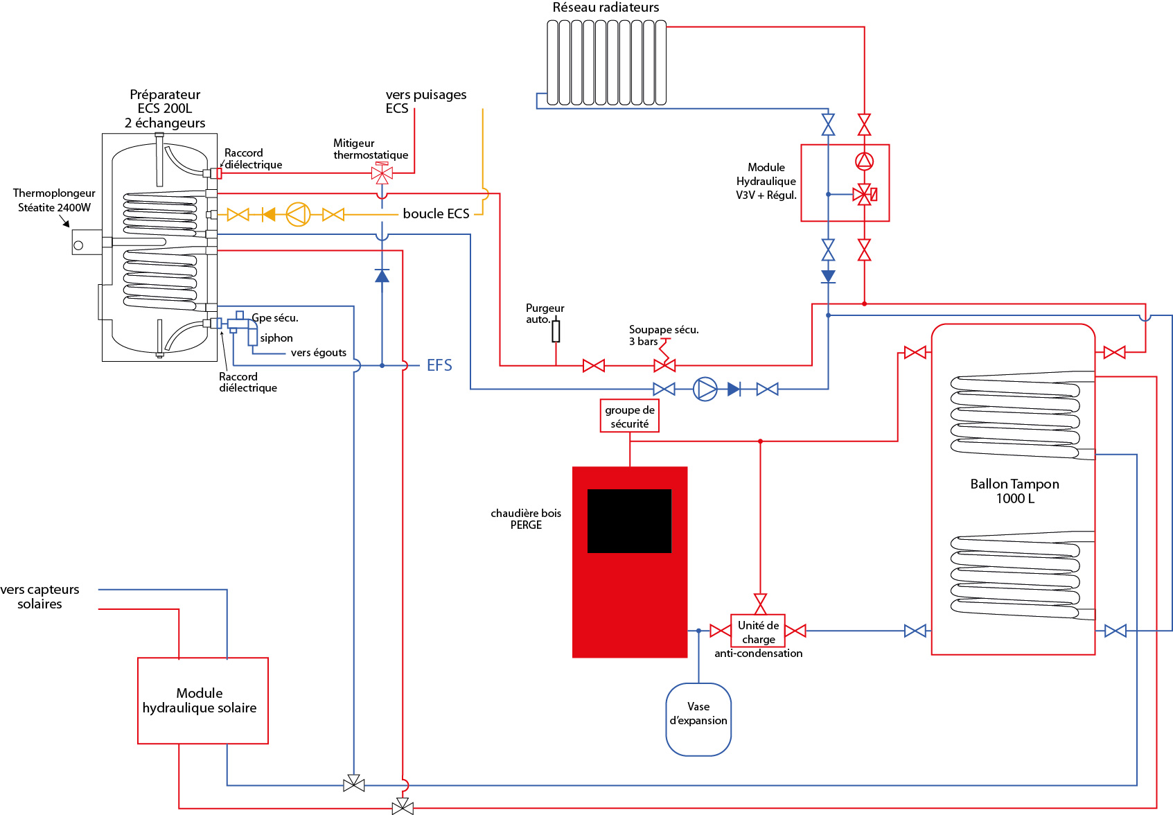
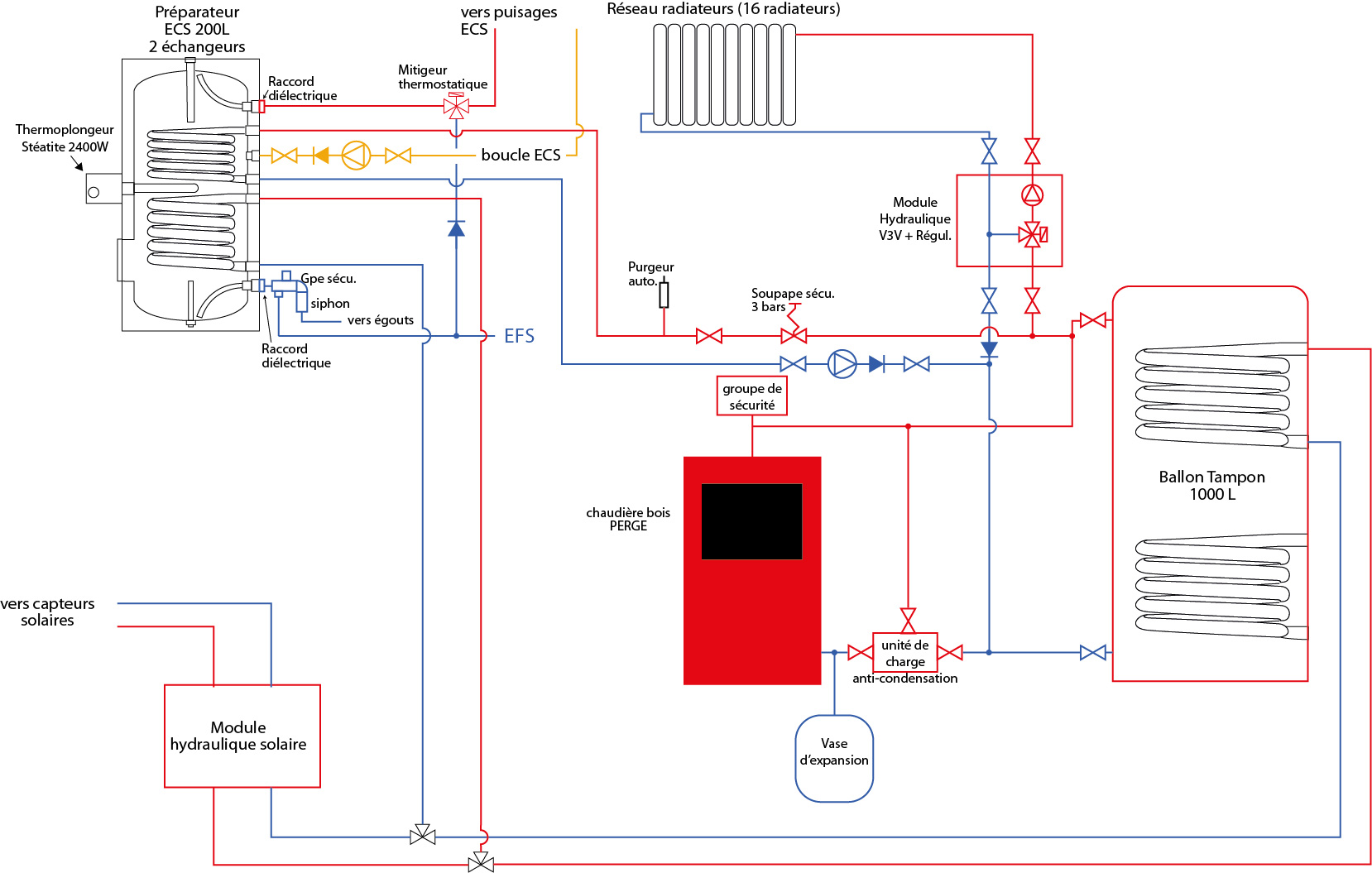
L'idée serait dans un premier temps de retirer la chaudière fuel et de placer un ballon tampon de 1000L pour la chaudière bois ainsi qu'un préparateur d'ECS de 200L neuf en remplacement du ballon actuel.
La première question qui se pose est: Quel mode de chauffage (autre que le fuel) pourrions-nous installer en complément (relève) de la chaudière bois dans le cas où nous nous absentons du domicile par exemple?
J'ai un peu cogiter sur le solaire thermique qui permettrait en été de produire tout ou partie de l'ECS et l'hiver de maintenir tiède les radiateurs en cas d'absence (cf schéma ci dessous). Quel sont vos avis? est-ce qu'un chauffage solaire est pertinent dans le nord Est de la France? sinon, quelles seraient les alternatives?
La seconde question ( peut-être la plus complexe au vue des différents sujets que j'ai pu lire un peu partout):
Je joins à ce post 2 schémas de principe d'installation entre lesquels je balance. (J'ai fait ces shcéma avec mes faibles connaissances, n'hésitez pas à me questionner s'il y a des zones d'ombres).
Est-ce que l'un de ces 2 schémas vous paraît cohérent ou pertinent par rapport à mes besoins (il manque probablement un certain nombre d'éléments: vase d'expansion, vannes, clapets anti-retour etc… mais gardez à l'esprit que je suis profane en la matière;) )? Et sinon, quels seraient les améliorations, changements à faire sur le système.
J'ai conscience que ça fait beaucoup d'infos et de questions mais je suis sûr que vous allez pouvoir m'aider ;-)
Merci d'avance pour vos retours.
Cordialement,


