Sujet : plus de chauffage
bonjour
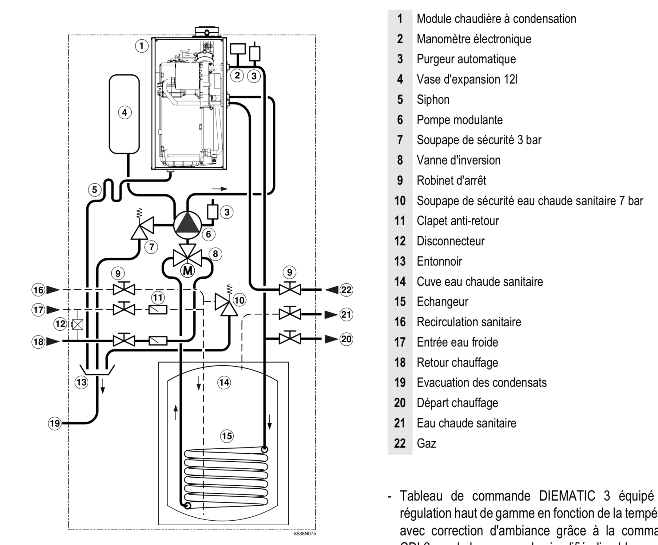
j'ai depuis quelques jours un problème avec ma chaudière de dietrich.je suis obligé de rajouter de l'eau tous les jours,mon dépanneurs dois changé 1 pièce dans la semaine,et mon autre problème qu'il ne sait pas trop ces du a quoi,j'ai la chaudière qui monte a température a plus de 70 degrés et ne renvois pas aux radiateurs,je suis obligé d'éteindre la chaudière et sa repart,tous les jours je suis obligé de faire sa .est ce quelqu'un ces de quoi sa pourrais venir ?
mon dépanneur pense que ces peut être le circulateur ?
merci d'avance


